所屬科目:鐵路◆電路學(概要)
一、在圖一電路中,有兩個平衡負載連接到 240-kVrms 60-Hz 三相電源,試 求出這個組合負載之總複數功率(total complex power)(S)與總線電流 (total line current)。(20 分)
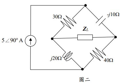
二、在圖二電路中,ZL 為多少時,可以獲得最大功率轉移,其最大功率為多 少?(20 分)
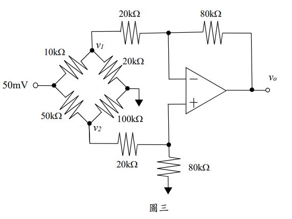
三、在圖三的理想運算放大器電路中,試求出輸出電壓 vo。(20 分)
四、在圖四(a)之線性變壓器電路中,試求圖四(b)等效 T 電路之(La, Lb, Lc) 與圖四(c)等效p電路之(LA, LB, LC),其中等效 T 電路之關係為 V=[M]I, 等效p電路之關係為 I=[M]V。(20 分)
五、在圖五的電路中,試求出 i1與 i2, t > 0。(20 分)