所屬科目:電路分析
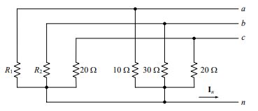
一、如下圖所示之三相四線、相電壓為100V、負相序電源系統,供電給兩 個三相四線Y連接不平衡電阻器負載。已知由三相電源看入為一個等效 的三相平衡負載,試求電阻器R1及R2之值,並求出中性線電流之值。 (25分)
二、一部單相感應電動機做為一棟大樓的抽水馬達使用,該馬達以一條交流 電纜線連接到220V、50Hz的單相電源。已知該馬達之等效串聯電阻、 電感分別為30Ω、0.5H,假設交流電纜線的阻抗可以忽略不計。試求該 馬達之等效阻抗以及該馬達的實功、虛功、功率因數、視在功率、複數 功率之值。 (25分)
三、一個理想運算放大器電路如下圖所示,已知該電路之參數分別為 R=10kΩ、L=10H、C=10μF、=10cos(ωt)V,試求輸出電壓之表示式。(25分)
四、一個理想的串聯RLC電路連接至一個理想的電流源如下圖所示,已知該理想電流源之電流表示式為i(t)=(t+5)A。假設0.2F電容器之初始電 壓為=10V,試求之表示式。(25分)