所屬科目:教甄◆汽車科
1.下列有關車輛驅動方式,何者敘述較為錯誤? (A)前輪驅動汽車轉彎加速時較容易造成轉向不足推頭現象 (B)前輪驅 動汽車轉向角度較大,迴轉半徑較小 (C)後輪驅動汽車高速轉彎時較容易造成過度轉向現象 (D)後輪驅動汽車高速過彎 減速因重心完全移向車頭,驅動輪向上浮起,導致甩尾的情況發生。
2.關於使用片狀彈簧懸吊系統車輛,何者敘述較為正確? (A)片狀彈簧第一鋼片板上兩端之吊眼以便裝置於後軸上 (B) 非對稱式片狀彈簧,車軸安裝較靠近吊耳,使前段較短,減少驅動扭距,距較強的推動剛性 (C)二段式片狀彈簧,主彈 簧長度較短,彈性係數較小 (D)使用片狀彈簧垂直式之整體式懸吊系統,不具推進作用。
3.關於使用傳動軸敘述,何者敘述較為正確? (A)後驅型傳動軸兩個萬向軸軛焊接時需成 90°,使能產生等速運動 (B) 不等速萬向街頭每一圈中僅 4 點,在 0°、90°、180°及 270°時輸入軸與輸出軸同速 (C)前置引擎前輪驅動通常會將三角 滾子型萬向接頭安裝於變速內側端 (D)力士伯萬向接頭為不等速萬向接頭。
4.有關下列系統的敘述,下列何者錯誤?(A)外傾角太大或前軸彎曲易造成轉向困難 (B)轉向系統動力油(Power steering fluid)會因為溫度高低影響液面高度 (C)四輪轉向的運作時,低速時前後輪的轉向方向相反 (D)迴轉半徑是 指汽車轉彎時,瞬時中心至前外側輪中心線之距離。
5.有關 ABS 防鎖死煞車系統,下列敘述何者錯誤? (A)使用電磁式車輪轉速感知器 (B)只在急煞車或易打滑路面煞車 時才發生作用 (C) ABS 煞車能以每分鐘 6-12 次的頻率做踩放動作 (D)緊急煞車時防止車輪鎖死,有穩定行駛效果。
6.有關鎖跟式使用雙伺服單作用式分泵之自動煞緊功能敘述,下列何者正確?(A)前進方向煞車時,僅前來令片有自動 煞緊作用 (B)後退方向煞車時,僅後來令片有自動煞緊作用 (C)前進及後退方向煞車時,前後來令片皆有自動煞緊作用 (D)僅前進方向煞車時,前後來令片皆有自動煞緊作用。
7.有關自動變速箱的敘述何者錯誤? (A)全油壓型主要是由節流閥與調速閥控制換檔時機 (B)自手排變速箱,以自排 結構導入手排控制模式提升駕駛性能 (C)ATF 油為透明紅色,若為褐色表示有氧化現象 (D)ECVT 為連續式無段變速箱, 駕駛未踩油門踏板,汽車仍然會有蠕動現象。
8.六缸汽油引擎第一缸位於壓縮上死點後 60°,點火順序為 153624,當引擎逆時針轉動轉動 180°,請問那些缸的進氣門是可以調整的 (A)第 1、3、5 缸 (B)第 2、3、6 缸 (C)第 2、4、6 缸 (D)第 1、2、4 缸。
9.關於引擎性能之敘述下列何者正確? (A)引擎怠速運轉時機械效率最高 (B)節氣門開度固定時,引擎轉速愈高,進氣量愈大 (C)最大制動平均有效壓力出現於容積效率最大附近之轉速 (D)KW 可視為馬力的國際單位。
10.有關汽油引擎爆震敘述下列何者錯誤? (A)預然現象會形成爆震 (B)爆震須將點火進行延遲控制 (C)爆震會導致 NOX 排放量上升(D)因爆震使汽缸壓力及溫度上升,高溫燃燒降低 CO、HC 排放量。
11.一引擎位移容積 400cm3,餘隙容積 50cm3,請問壓縮比多少?(A)8 (B)7 (C)6 (D)9。
12.提升奧圖循環(Otto cycle)熱效率的方式中,何者不正確?(A)提高壓縮比 (B)高溫燃燒,提高比熱比(specific heat ratio) (C)提高壓縮上死點的氣體溫度 (D)降低進氣下死點的氣體溫度。
13.阿特金森循環(Atkinson cycle),廣為應用在油電系統上,下列敘述何者不正確?(A)壓縮比大於膨脹比 (B) 熱效率較奧圖循環高 (C)增壓裝置,可以解決容積效率問題 (D)進汽閥門,延後關閉。
14.汽缸相對壓縮壓力測試敘述,何者不正確?(A)利用啟動馬達搖轉時,電池的電壓降,判斷汽缸壓力是否異常 (B) 節氣門全開,診斷效果更好 (C)無須觸發訊號、缸序訊號,即可知道哪一個汽缸壓力過低 (D)屬於快速檢測方法, 無法取代絕對汽缸壓力測試。
15.空燃比(AFR)感測器、含氧感測器,兩者敘述何者不正確?(A)含氧感測器,在化學計量比(stoichiometric ratio) 附近,偵測空燃比準確性高 (B)AFR 感測器,又名寬域含氧感測器,可以量測大範圍的空燃比 (C)混合汽控制在化 學計量比附近,觸媒轉換器效能最佳 (D)含氧感測器,可以判斷混合汽濃稀,也可以偵測出有多濃、有多稀。
16.關於鋰離子電池之敘述,下列何者有誤?(A)正極材料是鋰金屬氧化物 (B)負極材料是石墨 (C)正負極間的隔 離膜導電性佳 (D)電解質用來傳導鋰離子。
17.關於脈波寬度調變(PWM, Pulse Width Modulation)之控制訊號,若脈波工作週期 (Duty Cycle)值愈大,下列敘述何者正確? (A)電動機的轉速愈快 (B)電動機的扭力愈低 (C)電動機的電流愈低 (D)電動機的消耗功率愈低。
18.10Ah 的鋰鐵電池,若使用 0.2C 充電,充電時從 0%電量開始,約需要多少時間才能充飽?(A)0.2 小時 (B) 1 小時 (C) 2 小時 (D) 5 小時。
19.下列何者是輪轂式電動機,在電動車應用上最大的實務問題?(A)功率不足 (B)簧下質量過大 (C)散熱不易 (D) 不易與普通輪胎搭配。
20.電動機轉速 n 以頻率 f 來控制時,n=120f(1-s)/p 為電機機械裡重要的公式, 其 s 所代表的意義為何? (A)輸入/輸出的效率差 (B)電動機之轉差率 (C)驅動器的 PWM Duty (D)電動機的極數。
21.如圖所示,一滑塊連接在未變形之彈簧上,若施加一力P 在滑塊上使其移動δ,假設不考慮任何摩擦,試問該力P所做的功為何? (A)Pδ(B)(C)(D)2Pδ
22.如圖所示,一均質長棒重 120 N 其總長 24 m,以繩垂直懸掛之於天花板 C 點上,各接觸面均為光滑,則 A 點之反力為何? (A) (B)(C)(D)
23.如圖所示,有一 90°的左右對稱圓錐槽,已知一圓形鋼球在槽內運動,鋼球與槽的摩擦力不考慮,若要使鋼球 在槽內直徑 20cm 的水平面作等速率圓周運動,則鋼球速率應維持多少 m/sec?(設 g=10m/sec2) (A)(B)1(C)(D)1.5
24.如圖所示為兩光滑圓筒,以一繩繫之並掛於一無摩擦之滑輪上,若 A 重 50 牛頓,B 重為 10 牛頓,則繩之張力為何? (A)20 牛頓(B)30 牛頓(C)40 牛頓(D)50 牛頓
25.如圖所示,若m1與m2物體接觸面之摩擦係數為μ,則 m2的加速應為多少m1才不致滑下? (A)(B)μg (C)(D)
26.柴油車輛為有效降低 NOx 濃度,下列何者廢氣控制系統需要配合添加尿素使用? (A)選擇性催化還原器 SCR (B)廢氣再循環 EGR (C)油氣排放控制系統 EEC (D)柴油碳微粒濾清器 DPF
27.冷媒循環中若Ⅰ表示高壓液態,Ⅱ表示高壓氣態,Ⅲ表示低壓液態,Ⅳ表示低壓氣態,則冷媒由蒸發器流出循環一周回至蒸發器時,其變化順序為。 (A)Ⅳ→Ⅲ→Ⅰ→Ⅱ (B)Ⅳ→Ⅱ→Ⅰ→Ⅲ (C)Ⅳ→Ⅱ→Ⅲ→Ⅰ (D)Ⅲ→Ⅰ→Ⅱ→Ⅳ
28.有關油電動力混合車 HEV(Hybrid Electric Vehicle)之敘述,下列何者錯誤? (A)在低速行駛時,由電動馬達驅動前進 (B)車輛剎車時,電動馬達會變發電機 (C)可至電動車充電站對車輛充電 (D)急加速時,引擎會額外提供電力
29.引擎性能與容積效率(VE)有極密切關係,下列敘述何者錯誤? (A)引擎轉速在中速度範圍之容積效率較高 (B)空氣濕度越高容積效率越高 (C)裝有渦輪增壓器引擎才有可能使容積效率超過 100% (D)容積效率越大則制動平均有效壓力愈大
30.有關車輛引擎室內的引擎綜合皮帶,下列敘述何者錯誤? (A)可用來驅動發電機或冷氣壓縮機 (B)需定期檢查皮帶緊度 (C)皮帶安裝後的緊邊側裝有張力惰輪 (D)皮帶老化龜裂或達規定里程時須定期做更換
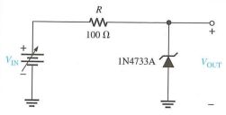
二、問答題1.如下圖稽納二極體 IN4733A 在 Iz=49mA 時,V2=5.1V,=1mA,以及 Iz 時的=7Ω,在工作溫度低於 50℃,消耗功率為 1W 求最小輸入電壓及最大輸入電壓。
(1)這是哪一類型的電路?
(2)請計算二次側的總峰值輸出電壓
(3)請計算二次側的半邊線圈的峰值電壓
(4)每個二極體的峰值電流
(5)每個二極體的反峰值電壓
3.有關電腦控制引擎混合比回饋控制系統,關於混合比回饋修正補償係數 α=1 引擎是處於何種控制狀態?有哪些引擎狀況是在 α=1 下運轉。
4.使用 OBDⅡ診斷儀器進行電腦控制系統診斷,除基本功能及綜合元件偵測外,可讀取廢氣控制系統並執行燃油修正學習,進行短期/長期燃油修正,請分別說明短期/長期燃油修正如何控制?
(1)利用 ICE(引擎)、MG1、MG2、PSD(行星齒輪組)、IV(逆變器)、HB(高電壓電池)、WH(車輪)縮寫名稱,繪製流程圖。 說明:起步、輕中重負荷、減速、倒車時的動力(能量)走向。
(2)說明:D 檔再生剎車與 B 模式的差別?
(1)如何執行測試、注意事項?
(2)測試結果,如何解讀、分析?
(1)繪出波形並標示各部分名稱
(2)量測結果,如何解讀、分析?
8.當引擎轉速 1075rpm 時,其扭力為 10Kg-m,經計算馬力約為多少 PS?
9.引擎轉速為 600rpm 時,其理想點火時間為上死點前 1/600 秒,相同轉速時,活塞上行至上死點前幾度點火?
10.滑塊 A 質量 12kgm 與滑塊 B 質量 8kgm,以一條繩連結通過一光滑之滑輪,滑塊 A 與斜面之最大摩擦係數,若軟繩之重量不計,試問滑塊 A 加速度 a 與繩張力 T 為多少?