阿摩線上測驗
登入
首頁
>
教甄◆汽車科
>
112年 - 112 國立羅東高級工業職業學校_專任教師甄試試題:汽車科#126325
> 申論題
題組內容
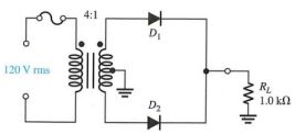
2.如圖電路圖,請回答下列問題?
(3)請計算二次側的半邊線圈的峰值電壓
相關申論題
二、問答題1.如下圖稽納二極體 IN4733A 在 Iz=49mA 時,V2=5.1V,=1mA,以及 Iz 時的=7Ω,在工作溫度低於 50℃,消耗功率為 1W 求最小輸入電壓及最大輸入電壓。
#536517
(1)這是哪一類型的電路?
#536518
(2)請計算二次側的總峰值輸出電壓
#536519
(4)每個二極體的峰值電流
#536521
(5)每個二極體的反峰值電壓
#536522
3.有關電腦控制引擎混合比回饋控制系統,關於混合比回饋修正補償係數 α=1 引擎是處於何種控制狀態?有哪些引擎狀況是在 α=1 下運轉。
#536523
4.使用 OBDⅡ診斷儀器進行電腦控制系統診斷,除基本功能及綜合元件偵測外,可讀取廢氣控制系統並執行燃油修正學習,進行短期/長期燃油修正,請分別說明短期/長期燃油修正如何控制?
#536524
(1)利用 ICE(引擎)、MG1、MG2、PSD(行星齒輪組)、IV(逆變器)、HB(高電壓電池)、WH(車輪)縮寫名稱,繪製流程圖。 說明:起步、輕中重負荷、減速、倒車時的動力(能量)走向。
#536525
(2)說明:D 檔再生剎車與 B 模式的差別?
#536526
(1)如何執行測試、注意事項?
#536527
相關試卷
115年 - [無官方正解]115 臺北市立松山高級工農職業學校_正式教師甄選試題:汽車科#138621
115年 · #138621
114年 - 114 高雄市市立高級中等學校聯合教師甄選試題:汽車科#127333
114年 · #127333
114年 - 114 新北市高級中等學校_教師聯合甄選試題:汽車科#126868
114年 · #126868
113年 - 113 教育部受託辦理公立高級中等學校教師甄選試題:汽車科#122241
113年 · #122241
113年 - 113 高雄市市立高級中等學校聯合教師甄選試題:汽車科#121920
113年 · #121920
113年 - 113 新北市公立高級中等學校教師聯合甄選試題:汽車科#119722
113年 · #119722
112年 - 112 國立羅東高級工業職業學校_專任教師甄試試題:汽車科#126325
112年 · #126325
112年 - 112 教育部受託辦理公立高級中等學校教師甄選試題:汽車科#115135
112年 · #115135
112年 - 112 新北市公立高級中等學校教師聯合甄選試題:汽車科#114146
112年 · #114146
111年 - 111 新北市公立高級中等學校教師聯合甄選試題:汽車科#108066
111年 · #108066