所屬科目:電工學(電工原理)
(一)環形線圈磁阻。
(二)線圈自感量。
(三)當其電流從零增至最大值一半時,要經過多少時間?
(四)穩態時,儲藏於環形線圈的磁能。
(一)總負載阻抗。
(二)電源端輸出電流Is(t)。(以三角函數形式表示)
(三)總負載之視在功率 S,請以伏安(VA)表示。
(四)總負載之功率因數。
⑴轉差率
⑵轉子轉速
⑶輸出轉矩
⑷氣隙功率
⑸轉子銅損
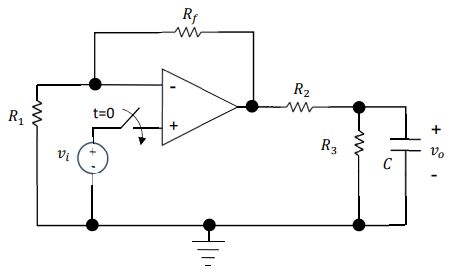
四、如下圖理想運算放大器電路。其中= 0.1 V,R1= 20 kΩ,= 50 kΩ,R2=R3= 10 kΩ,C= 1μF。求 t>0 時,輸出vo(t)的時間響應。