所屬科目:電工學(電工原理)
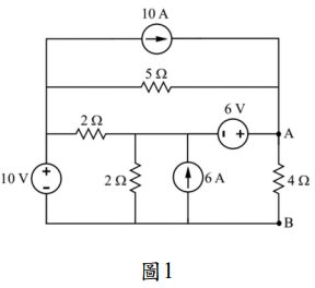
一、如圖 1 所示,試求 AB 兩節點間之戴維寧等效(Thevenin equivalent)電路。(25 分)
(一)當低壓側連接純電阻負載時,並加載至額定電流,試求其所需高壓側之電壓。(假設該變壓器 6%皆是電抗值)(15 分)
(二)若低壓側短路,而高壓側則使用(一)小題所得電壓來供電,試求此時高壓側之電流為何?(10 分)
(一)由電源端所流出的電流。 (15 分)
(二)該合併負載的功率因數。 (10 分)
(一)請將 12315 轉換為十進位。(5 分)
(二)請將 13410 轉換為二進位。(5 分)
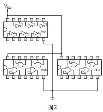
(三)請使用圖 2 中三個晶片來完成布林函數 f=,並畫出必要的連接線和標示出函數中的英文字母。(15 分)