所屬科目:泉勝◆基本電學(下冊)
14.RLC串聯電路,其諧振頻率fO=1000Hz,R=10Ω,XL=100Ω,試求其頻寬為?[台中捷運110](A)1Hz(B)10Hz(C)100Hz(D)1000Hz
15.有一個RLC串聯電路,已知交流電壓源有效值為110V、60Hz時,R=20Ω,XL=20Ω,XC=180Ω,則此串聯電路的諧振頻率為何?[台糖110](A)20Hz(B)120Hz(C)180Hz(D)540Hz
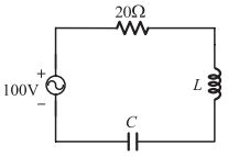
16.如右圖所示RLC串聯電路,若此時電路發生諧振,請求電感值為何?[台糖110](A)1mH(B)10mH(C)15.9mH(D)100mH
18.如右圖所示電路,,請問該電路之諧振頻率為多少Hz?[自來水110](A)100Hz(B)60Hz(C)50Hz(D)30Hz
19.某交流RLC串聯電路中,若諧振頻率為10kHz,頻帶寬度為1kHz,其中L=100mH,請問下列何者正確?[自來水110](A)下截止頻率為9.5kHz(B)上截止頻率為10.5kHz(C)品質因數100(D)電路上的電阻為628Ω
20.如右圖所示之RLC串聯電路,已知R=2Ω,L=1mH,輸入電壓vs的最大值為120V;若欲使共振頻率發生在f=5kHz,則電路在共振時,求電容C約為何?[初等考110](A)200μF(B)40μF(C)32μF(D)1μF
21.在RLC並聯電路中,已知vs(t)=120sin(100t)V,R=16Ω、L=250mH,當該電路產生諧振時的C值為:[自來水110](A)100μF(B)250μF(C)400μF(D)500μF
22.如右圖已知RLC並聯電路連接在頻率為60Hz之電源上,若此時R=10Ω,XL=1000Ω,XC=40Ω,則其諧振頻率fo=?[台糖111](A)10Hz(B)12Hz(C)60Hz(D)300Hz
24.並聯諧振電路如右圖,己知電流iS=4sin(2000t)A,L1=25mH,當電源頻率與電路諧振頻率相等,下列哪些正確?[台糖111](A)電感L1的電感抗為50Ω(B)電容C1為20μF(C)電感電流為iL=8sin(2000t)A(D)電容電流iC=8sin(2000t+90°)A
25.如右圖所示之並聯RLC諧振電路,已知電抗元件的初值能量都為零;其中is(t)=25 sinωt(mA),R=400Ω,L=25mH,C=40mF;並聯諧振時,ω=ωo,求輸出電壓v(t)=Vmsinωot之振幅Vm為何?[地方特考111](A)0.625V(B)1.25V(C)5V(D)10V
26.如圖所示之RLC串聯電路,已知L=50μH,C=0.47μF及R=5Ω;求此電路的品質因數(Q)約為何?[地方特考111](A)2.06(B)4.12(C)10.3(D)12.9
27.某RLC並聯電路,當電源頻率為800Hz時,R=1200Ω,XL=XC=150Ω,則該電路之頻帶寬度BW為?[自來水111](A)80Hz(B)100Hz(C)120Hz(D)150H
28.如右圖所示電路,在頻率為500Hz時發生諧振,已知半功率頻寬為100Hz,則品質因數Q值為多少?[台中捷運111](A)5(B)4(C)3(D)2
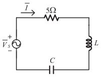
29.如右圖所示之RLC串聯電路中,電阻器流過的電流具有最大振幅,則電感器L之值應等於多少mH?[鐵路特考111](A)1(B)1.4(C)2.5(D)4
30.有一電感為0.2H,電阻為60Ω的線圈與20μF電容器並聯連接在100V可變頻率電源上。其發生並聯共振之頻率為何?[台北捷運112](A)57.34Hz(B)59.42Hz(C)61.18Hz(D)63.66Hz
31.某一RLC並聯電路,當頻率為6kHz時,可求得電感器電抗XL=j144Ω,電容器容抗XC=–j225Ω,則此電路的諧振頻率f0為多少kHz?[台北捷運112](A)7.5kHz(B)12.5kHz(C)14.14kHz(D)25kHz
32.如右圖所示之RLC串聯電路,其諧振角速率ωo為?[台北捷運112](A)500rad/s(B)2×103rad/s(C)104rad/s(D)4×105rad/s
33.對於RLC串聯電路,當電路發生諧振(resonant)時,下列何者正確?[台糖112](A)當外加信號頻率小於諧振頻率時,電路特性呈現電容性(B)電路消耗功率為最小(C)電路電阻為定值下,當之比值愈大,則電容兩端電壓愈大(D)若之比值為定值下,電路電阻愈大,則電路頻寬愈大,選擇性愈差
34.如右圖所示之RLC並聯電路,已知R=5kΩ,C=0.01μF,若共振頻率為f=5kHz,則電感L約為何?[地方特考112](A)0.1μH(B)0.1mH(C)0.1H(D)1H
35.如右圖所示之RLC串聯電路,已知電路的品質因數為Q,諧振頻率為ωo;若vS(t)之相量為100∠0°伏特,當共振時,求此電路上電感電壓vL(t)的相量為多少伏特?[初等考112](A)j100ωo(B)jQ/100(C)jωo/100(D)j100Q
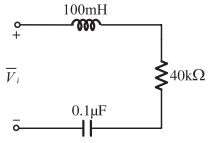
36.如右圖所示之RC低通濾波器,若C=10μF,R=5kΩ;求–3dB截止頻率fc約為何?[初等考113](A)3.18Hz(B)4.47Hz(C)20Hz(D)31.8Hz
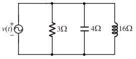
38.如右圖所示電路,若電源電壓大小固定,電源頻率為240Hz時,電感抗為j160Ω,電容抗為–j40Ω,則電流為最大值時的電源頻率為何?[統測113](A)480Hz(B)240Hz(C)120Hz(D)60Hz
39.有一RLC並聯電路,R=200Ω、L=1mH,諧振時若頻帶寬度(bandwidth)BW=250/πHz,則下列敘述何者正確?[統測113](A)諧振頻率f0=500/πHz(B)品質因數Q=20(C)上截止頻率f2=1592Hz(D)電容C=100μF
40.RLC並聯諧振電路,弦波電流源iS=10sin(2×104t+30°)mA、R=1.2kΩ、C=0.05mF,當R所跨電壓振幅為12伏特,則電感器之電感量L應為何?[初等考114](A)0.6(B)0.6毫亨利 (C)0.05毫亨利 (D)0.01毫亨利
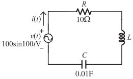
41.電壓源vS=10sin(ωt+20°)V驅動的RLC串聯電路,R=1kΩ、L=2mH、C=5微法拉,設此電路所流過最大電流之振幅為xmA,求x為何?[初等考111](A)1(B)2(C)5(D)10
43.某串聯交流RLC電路中,R=100Ω,L=0.5H,C=20μF,外加可變頻率的電源220V,欲使功率因數為1,請問電源頻率必須調整至多少赫茲?[自來水110](A)45.5Hz(B)50.4Hz(C)65.3Hz(D)70.2Hz