所屬科目:泉勝◆基本電學(下冊)
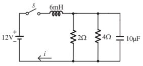
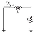
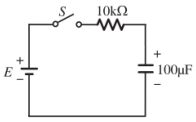
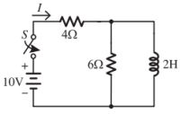
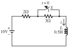
20. 如右圖所示電路,開關 S 閉合後,到達穩態時,電流 i 為多少?[台中捷運 110] (A)2A (B)3A(C)4A (D)6A
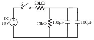
21. 如右圖電路,在 t = 0 時將開關 S 閉合,試問充 電時間常數為? [台中捷運 110] (A)1000s (B)1ms (C)1s (D)0.1s
22. 如右圖電路,當開關閉合後,穩態時的 IL 為? [台中捷運 110](A)0.1A (B)0.5A (C)1A (D)2A
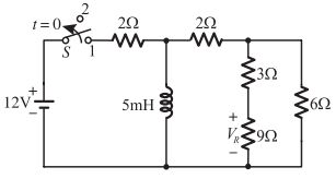
23. 如右圖所示電路,在 t = 0 時將開關 S 連接在 1 的位置,經過 5 秒後再將開關連接到 2 的位置,求連接到 2 的瞬間,電感兩端電壓 VL 為何? [台糖 110] (A)10V (B)–10V (C)110V (D)–110V
24. 一個電源電壓 E 串聯 RL 直流暫態電路中,若電源電壓 E= 30V、R = 3Ω、 L = 30mH,則下列敘述何者正確? [台糖 110] (A) 電路時間常數 τ = 10ms (B) 當電路達穩態時所需時間為 30ms (C) 當電路達穩態時電路中電流為 10A (D) 當電路達穩態時電感器的儲能為 3 焦耳
25. 如右圖所示電路,開關 S 已經在 1 的位置一段時間,電路已達穩定。若將開關切到 2 的位置,請問圖中 I 的瞬間電流大小為何? [自來水 110](A)1A (B)–1A (C)2A (D)–2A
26. 如右圖所示電路,開關 S 已經閉合一段 時間,電路已達穩定。若在 t = 0 秒時將開關打開,此時線路電流 I = ? [自來水 110] (A)–2mA (B)0A (C)2mA (D)2.5mA
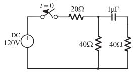
27. 如右圖所示電路的電源E = 30V,R1= 10Ω,R2= 30Ω,R3= 20Ω,C= 0.1 μF,L= 100mH,若開關閉合很久後,求線路上的電流為多少安培? [自來水 110] (A)3 A (B)1A (C)0.75A (D)0.5A
28. 如右圖之電路,開關於 t = 0 時打開,求 i(0) 及 i( ∞ ) 分別為何? [初等考 110] (A)5A,2 A (B)5A,5 A (C)2A,2 A (D)2A,5 A
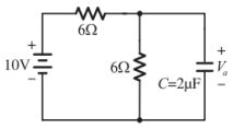
29. 如右圖所示之電路,在穩態的狀態,求 Va之電壓值為何? [初等考 110] (A)0V (B)3V (C)5V (D)7V
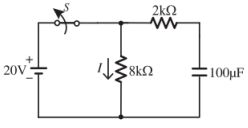
30. 如右圖所示,當電路中開關 S 閉合穩定後,電容器上電壓 VC 約為何? [初等考 110](A)1.67V (B)16.67V (C)20V (D)33.33V
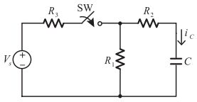
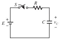
31. 如右圖所示之 RC 電路,當開關 SW 閉合時,電容電流 ic 的時間常數為何? [鐵路、國安特考 110] (A)R2C (B)(R1+R2) • C (C)[(R3//R1)+R2]•C (D)(R1//R2//R3) • C
32. 在電源電壓為 10V 的 RL 串聯直流暫態電路中,R= 2Ω 、L = 0.5H,該電路 的時間常數為: [自來水 111] (A)4 秒 (B)2.5 秒 (C)1 秒 (D)0.25 秒
33. 將 R= 5Ω 與 C= 100μF 串聯接於 20V 直流電源,此電路在 t = 0.8 秒的電流 為: [自來水 111] (A)4A (B)2A (C)1A (D)0A
34. 兩線圈 NA = 150 匝與 NB = 300 匝繞置於相同鐵心以達成磁耦合,當加入 3 A 電流於線圈 NA 時產生 0.02 韋伯的磁通與線圈 NA 交鏈,其中 0.016 韋伯的 磁通會與線圈 NB 交鏈,則兩線圈的互感量 M 為: [自來水 111] (A)3.6H (B)1.6H (C)1H (D)0.4H
35. 如右圖所示電路,在 t = 0 秒時將開關 S 閉合;若電容電壓初值為 10V,則 S 閉合後的電容器瞬間電流 IC(0) 與充電時間常數 TC 分別為何? [自來水 111] (A)IC(0) = 8mA,TC = 0.1 秒 (B)IC(0) = 10mA,TC = 0.15 秒 (C)IC(0) = 12mA,TC = 0.2 秒 (D)IC(0) = 15mA,TC = 0.25 秒
36. 如右圖所示之電路,E= 100V,R = 100kΩ, C = 50μF,當 t = 0 時將 S 閉合,該電路的時間常數 τ 為多少? [自來水 111] (A)2.5 秒 (B)5 秒 (C)25 秒 (D)50 秒
37. 電阻 50kΩ 與電容 100μF 串聯,其電路時間常數為何? [台糖 111] (A)10 秒 (B)5 秒 (C)2 秒 (D)1 秒
38. 電阻 50mΩ 與電感 100mH 串聯,其電路時間常數為何? [台糖 111] (A)2 秒 (B)1 秒 (C)0.5 秒 (D)0.2 秒
39. 直流電路如右圖所示,電容 C1 = 20μF,在穩態時其電容 C1 儲存能量為多少焦耳? [台糖 111] (A)4.0 (B)2.0 (C)0.4 (D)0.2
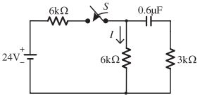
40. 如右圖所示電路,當開關 S 閉合一段時間之後,電路已達穩定狀態,電容器兩端電壓為多少伏特? [台糖 111] (A)20V (B)24V (C)28V (D)32V
41. 如右圖所示電路,開關未閉合前,流經電感器之電流為 0A,當開關 S 按下的瞬間,電流 I = ? [台糖 111] (A)(B)1A (C)(D)
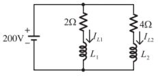
42. 電阻及電感組合電路如右圖,L1= 20mH、L2= 40mH,在穩態時其電感電流及儲存能量下列哪些正確? [台糖 111] (A) 電流 IL1 = 100A (B) 電感 L1 的儲存能量為 100 焦耳 (C) 電流 IL2 = 20A (D) 電感 L2 的儲存能量為 40 焦耳
43. 如右圖所示電路,在時間 t = 0 時開關 S 閉合,計算此電路之充電時間常數為何? [地方特考 111] (A)1 秒 (B)2 秒 (C)4 秒 (D)5 秒
44. 如右圖所示電感電路,則該電感之穩態電流為多少安培? [地方特考 111] (A)0.2 (B)0.25 (C)0.5 (D)1
45. 如右圖所示之電路,在開關閉合瞬間,請問電流 I 為多少安培? [自來水 111] (A)0A (B)1A (C)2A (D)3A
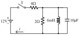
46. 如右圖所示電路,開關 S 閉合後,到達穩態時,電流 i 為多少? [自來水 111] (A)3A (B)6A (C)8A (D)9A
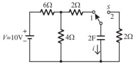
47. 如下圖所示之電路,在 t = 0 時,Va(0) = 0,計算在 t > 0 時的電壓 Va(t) 為何? [初等考 111] (A)(B)(C)(D)
48. 如右圖所示,S 未閉合前電容器與電感器未儲存能量,當電路中開關 S 閉合瞬間, 電容器上電壓 VC 為何? [初等考 111] (A)0V (B)16.67V (C)33.34V
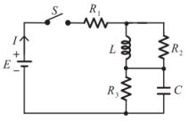
49. 如右圖所示串聯 RLC 電路中,所有電抗元件的初值能量均為零,其中Vs = 24 V,R= 200Ω,L = 12mH,C = 5μF;當 t = 0 時開關 (SW)閉合,求當 t = ∞ 時電感電壓 vL( ∞ ) 為何? [初等考 111] (A)–12V (B)0V (C)12V (D)24V
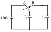
50. 如右圖所示,假設電容C1為職 10μF 充滿電後, 把開關 S 由 A 移至 B,則電容器C1之電壓降為 80V 後達到穩定。若電容器C2之初始電壓為零,試求電容器C2之值為多少 ? [台中捷運 111] (A)5μF (B)12μF (C)14μF (D)24μF
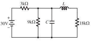
51. 如右圖之電路,已知經過一段很長的時間,電路已達到穩態,求此時電容上的電壓值為多少? [台中捷運 111] (A)15V (B)20V (C)25V (D)30V
52. 如右圖所示,S1 與 S2 為開關, 已知 S2 為斷開狀態且 S1 閉合一 段時間為穩定狀態,在 t = 0s 時, 將 S1 斷開,S2 閉合,求此時電感器上的電壓為多少? [台中捷運 111] (A)25V (B)40V (C)50V (D)100V
53. 如右圖所示之無源 RL 電路, 若 L = 2mH,R= 10Ω 及 i(0) = I0 = 5A,求電流 i(t) 之方程式? [鐵路特考 111] (A)i(t) = 0.5e–5000tA (B)i(t) = 0.5e–500tA (C)i(t) = 5e–500tA (D)i(t) = 5e–5000tA
54. 如右圖示之電路,開關於 t = 0 時閉合,求 i( ∞ ) 及時間常數 τ 各為何? [鐵路特考 111] (A)6.55A,0.4s (B)6A,0.4s (C)6.55A,0.2s (D)6A,0.2s
55. 如右圖所示,若 E= 100V,R= 10kΩ,C= 50nF, 且電容器的初始電壓為 30V,當開關 S 閉合之瞬間,流經電阻的電流為多少? [台北捷運 112] (A)1.1mA (B)1.8mA (C)3.5mA (D)7.0mA
56. 如右圖電路,開關 S 在 1 位置為穩定 電路。若此時將開關位置由 1 切換到 2,則該瞬間電容器上之電流 i 為多少? [台北捷運 112] (A)–2A (B)–1A (C)1A (D)2A
57. 如右圖電路,若開關 S 閉合前,電容器無能量。試求開關 S 閉合後, 9kΩ 電阻所流過之穩態電流 I 為多少 mA ? [台北捷運 112] (A)0.33mA (B)0.67mA (C)1.0mA (D)2.5mA
58. 要延長 RL 直流串聯充電暫態電路的時間,下列何者正確? [台糖 112] (A) 增加 R 值 (B) 增加 L 值 (C) 同時增加 R 和 L 值 (D) 同時減少 R 和 L 值
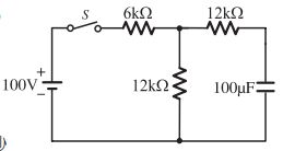
59. 如右圖所示,電路達到穩態 後,100V 電源產生之電流大小 I 為多少? [台糖 112] (A)10mA (B)5mA (C)2mA (D)1.5mA
60. 如右圖所示,以下何者正確? [台糖 112] (A) 當開關S閉合(ON)時,時間常數τ=1.6 秒 (B) 當開關S閉合(ON)時,時間常數τ=2.4 秒 (C) 當開關S開 (OFF) 時,時間常數τ=1.6 秒 (D) 當開關S打開 (OFF) 時,時間常數τ=2.4 秒
61. 如右圖所示,若開關 S 閉合前,電容器無儲存能量。S 於時間 t = 0+ 時閉 合,t = ∞時電路達穩態,下列敘述何者正確? [台糖 112] (A)t = 0+ 時電容特性猶如開路狀態 (B)I(t = 0+)=1mA (C)I(t = ∞ )=2mA (D)t = ∞時電路達穩態,電容儲能 43.2µJ
62. 如右圖所示,設 S 閉合瞬間 (t = 0),電感 電流為 I1;S 閉合很久 (t = ∞) 後,電感電流為 I2,求 (I1,I2) 各為多少安培? [地方特考 112] (A)(0,1) (B)(0,2) (C)(2,1) (D)(1,0)
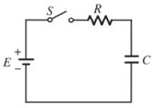
63. RC 串聯電路連接一理想直流電壓源,從零充電到飽和之過程,下列敘述何者錯誤? [地方特考 112] (A) 經一時間常數時,電容器電壓為電源電壓之 63.2% (B) 電阻值越大則充電時間越慢 (C) 電容值越大則充電時間越慢 (D) 開始充電瞬間,電容器之電流為 0
64. 如右圖示之電路,開關於 t = 0 時閉合, 求 i( ∞ ) 為何? [身障特考 112] (A)12/7A (B)1.0A (C)6/7A (D)8/7A
65. 如右圖所示電路,開關閉合後經過一段很長的時間,電路充電已達穩定狀態,在時間 t = 0 時將開關打開,計算在開關完成開啟後的瞬間由電容器流出的電流值為何? [身障特考 112] (A)0.1 安培 (B)0.5 安培 (C)1.0 安培 (D)2.5 安培
66. 如右圖所示之電路,在 t = 0 時之電流 i(0) = 10A, 求其 t > 0 之電流 i(t) 為何? [初等考 112] (A)10e–t (B)10e–2t (C)10e–3t (D)10e–4t
67. 如右圖所示之 RL 並聯電路,在時間 t = 0 時,開關 SW 閉合,若外加直流電流源 I = 2 安培,求電阻上之電壓為多少伏特? [初等考 112] (A)20e–1000t (B)20(1–e–1000t) (C)20e–100t (D)20(1–e–100t)
68. RC 串聯電路之電容器放電過程中,定義一時間常數為電容器之電壓達到初始值之多少? [初等考 112] (A)25% (B)36.8% (C)50% (D)63.2%
75. 如右圖所示之 RL 電路,在時間 t = 0 時 SW 閉合,求跨於電感之電壓表示式 VL(t) 等於多少伏特 (V) ? [鐵路、國安特考 112] (A)100e–10t (B)100(1–e–10t) (C)100e–50t (D)100(1–e–100t)
70. 有一電阻為 1kΩ 和兩個電容器串聯,其值分別為 10µf、15µf,試求其電路 時間常數為多少? [台菸 113] (A)25ms (B)15ms (C)10ms (D)6ms
71. RC 充電電路中,時間常數是指在一個 RC 秒時,電容器兩端電壓升高至電源電壓的多少 % ? [台菸 113] (A)36.8 (B)63.2 (C)86.5 (D)100
72. 若 RC 串聯充電電路在充電過程中,關於充電流的敘述下列何者正確? [台菸 113] (A) 其值愈來愈小 (B) 其值忽大忽小 (C) 其值愈來愈大 (D) 為一定值
73. 如右圖所示為 RC 充電電路,試選出何者為其充電電流的曲線? [台菸 113] (A)(B)(C)(D)
75. 如右圖示之電路,開關於 t = 0 時閉 合,求 i( ∞ ) 及時間常數 τ 各約為何? [初等考 113] (A)4.57mA,14.3μs (B)3.15mA,14.3μs (C)4.57mA,10.8μs (D)3.15mA,10.8μs
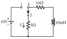
76. 如右圖所示之 RL 電路,在時間 t = 0 時 SW 閉合,當 t =0.2 秒時,求跨於電阻兩端之電 壓約為多少伏特(V)?(常用近似值: e–1 =0.369,e–2 = 0.135,e–3 =0.05, e–4 = 0.02,e–5 = 0.01) [初等考 113] (A)98 (B)86.5 (C)75 (D)52.5
79. 在 RC 串聯電路中,R= 100kΩ、C = 0.06μF,試求充放電的時間常數為多少 sec ? [台鐵 113] (A)4m sec (B)6m sec (C)8m sec (D)10m sec
80. 如圖所示電路,時間 t = 0 以前開關 S 在 " 1 " 的位置且電路已經達到穩態。若在 t = 0 時將開關切換至 " 2 " 的位置,則開關切離位置 " 1 " 的瞬 間, 9Ω 電阻之電壓 VR 為何? [統測113] (A) –10V (B) –12V (C) –16V (D) –18V
81. 如圖示之電路,開關於 t = 0 時,由位置 1 切至位置 2,電流表示式為下列何者? [初等考 114] (A)i(t) = 1.0 exp(–1200t) A (B)i(t) = 10/16 exp(–t/1200) A (C)i(t) = 10/16 exp(–1200t) A (D)i(t) = 10/12 exp(–1200t) A
82. 如右圖所示有驅動之 RL 電路,在時間 t = 0 時 SW 閉合,當 t = 0.2 秒時,求流經電感之電流 i(t) 約為多少安培 ( A ) ? [初等考 114] (常用近似值:e–1 = 0.369,e–2 = 0.135, e–3 = 0.05,e–4 = 0.02,e–5 = 0.01) (A)0.35 (B)0.75 (C)5.25 (D)8.65
84. RC 串聯電路中,定義一時間常數為電容器之充電電壓達到穩定值之多少? [初等考 114] (A)10% (B)36.8% (C)50% (D)63.2%