所屬科目:泉勝◆基本電學(下冊)
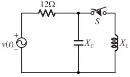
13. 如右圖所示,開關 S 開斷或閉合,電路功率因數均為 0.6,則 XL 與 XC 值各為多少?[台中捷運 110] (A)6Ω,3Ω (B)8Ω,4Ω (C)6Ω,4Ω (D)8Ω,6Ω
14. RC 串聯電路,R = 12Ω,XC = 9Ω,試求電路功率因數為 [台中捷運 110] (A)0.6 電流領前電壓 (B)0.6 電流落後電壓 (C)0.8 電流領前電壓 (D)0.8 電流落後電壓
15. 有一單相交流電路,其電源電壓為 v(t) =,量測到電 路中電流為 i(t) =,則該電路的功率因數 (P.F.) 為何? [台糖110] (A)0.5 (B)0.707 (C)0.866 (D)1
16. 如右圖所示電路計算交流功率,則下 列何者正確? [台糖 110] (A) 總平均功率為 1000W (B) 總虛功率為 3000VAR (C) 總視在功率 2000VA (D) 總功率因數 0.707
17. 某工廠電源電壓為 v(t)=311.1 sin(377t+37°)V,測得總負載消耗功率為 2000kW,功率因數為 0.6 滯後,欲將功率提高至 0.8 滯後,必須並聯多少電容量的電容器? [自來水 110] (A) 64mF (B)14.1mF (C)500μF (D)250μF
18. 有一交流系統其電壓為 sin100tV,已知負載的消耗平均功率為 3kW, 功率因數為 0.6 滯後,今想提高此系統功率因數至 0.8,則需並聯何種元件與其功率值為多少? [台中捷運111] (A) 電感,1500W (B) 電感,1550VAR (C) 電容,1550VAR (D) 電容,1750VAR
19. 在 RL 交流電路中,若將 5 歐姆的電阻器與 12 歐姆的電感器並聯時,其功率因數為多少? [自來水 110] (A) 0.6 (B)0.707 (C)0.8 (D)0.92
20. 如右圖所示電路,請問下列何者正確? [自來水 110] (A)Z = 6 + j8Ω (B)P.F. = 0.6 滯後 (C)P = 800W (D)S = 1000VA
21. 某交流電路的電源為 v(t) = 100sin(1000t + 30°)V ,測得電源電流為 i(t) = 10 sin(1000t + 67°)A , 請選出正確的選項? [自來水 110] (A) 最大瞬間(時)功率為 800W (B) 功率因數為 0.8 (C) 平均功率為 400W (D) 視在功率為 500VA
22. 一交流電路之端電壓(Vrms )為(100 + j0)伏特,流經之電流( Irms )為(3-j4) 安培,求此交流電路之平均功率為多少瓦特? [初等考 110] (A)100 (B)200 (C)300 (D)400
23. 一個 10kW 的電感性負載在 120V/60Hz 之下的功率因數為 0.8。下列何者正確? [初等考 110] (A) 量得的電流為 83.3A (B) 提高頻率時,電流會下降 (C) 此負載的視在功率(apparent power)為 10kVA (D) 此負載的虛功率(reactive power)為 2kvar
24. 若在一穩態電路的某兩端電壓 v(t) = Vm sin(ωt + α)(V ),流入該兩端間的電流 i(t) = Im sin(ωt + β)( A ),則下列敘述何者錯誤? [鐵路、國安特考 110] (A) 瞬時功率表示式 P(t) =(cos(α – β) – cos(ωt + α + β))(W ) (B) 最大瞬時功率 Pmax(t) =(cos(α – β) + 1)(W) (C) 最小瞬時功率 Pmin(t) = (cos(α – β) – 1)(W) (D) 瞬時功率的頻率為電壓頻率的 2 倍
25. 設一 100cos(60t + 45°) 伏特之交流電源,其內部電源阻抗為 4 + j3 歐姆,則此 電源可供給予負載阻抗值為 6 – j3 歐姆之負載平均功率為多少瓦特? [鐵路、國安特考 110] (A)150 (B)300 (C)500 (D)1000
26. 設一內部阻抗為 10 + j30 歐姆之 120Vrms 交流電源,求其於最大功率轉移下之輸出功率為多少瓦特? [鐵路、國安特考 110] (A)90 (B)180 (C)360 (D)720
27. 一電阻值為 10 歐姆之電阻器與一電抗值為 10 歐姆之電感器並聯,則此並聯 RL 電路之功率因數約為何? [鐵路、國安特考 110] (A)0.5 超前 (B)0.5 滯後 (C)0.7071 超前 (D)0.7071 滯後
29. 有一交流電路的電源電壓=100∠45°V、電源電流=5∠-15°A,此電 路的功率因數為: [自來水 110] (A)cos60° (B)cos30° (C)sin60° (D)sin30°
30. 有一交流電源的電壓為=200∠0°V、電源的內阻抗為=8+j6Ω,若要讓負載要獲得最大功率,則負載的阻抗與最大功率Pmax分別為:[自來水 110] (A) =8-j6Ω,Pmax=2500W (B) =8-j6Ω,Pmax=1250W (C) =8+j6Ω,Pmax=1600W (D) = 8+j6Ω,Pmax=800W
31. 有一交流電路的v(t) = sin(314t + 60°)V,i(t) =cos(314t – 60°)A,此電路的實功率(有效功率)P 與虛功率(無效功率)Q 分別為:[自來水110] (A)P =,Q = 500VAR (B)P =,Q = 250VAR (C)P = 500W,Q = 0VAR (D)P = 0W,Q = 500VAR
32. 某一交流 RLC 電路,電源電壓v(t) = 100sin(377t)V、線路電流 i(t) = 5sin(377t – 53°)A,則此電路之功率因數 P.F. 為多少? [台糖 111] (A)0.6 滯後 (B)0.6 超前 (C)0.8 滯後 (D)0.8 超前
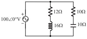
33. 如右圖所示電路,該電路所消耗的總有效功率為多少? [台糖 111] (A)200W (B)400W (C)500W (D)800W
34. 某單相負載端電壓為,負載電流為iL=10sin (377t-45°)A,下列哪些正確?[台糖 111] (A) 負載阻抗為(B) 功率因數為0.707 落後 (C) 負載的實功率(或平均功率)為500W (D) 負載的視在功率為1000VA
35. 交流單相電路的戴維寧等效電路如右圖,戴 維寧等效阻抗=2+j2Ω,戴維寧等效電壓= 80∠0°V(有效值),調整負載阻抗,使其具最大功率消耗,下列哪些正確? [台糖 111] (A) 負載阻抗為(2-j2)Ω (B) 負載電流為20∠45°A(有效值) (C) 負載消耗實功率為800W (D) 負載端電壓為 (有效值)
36. 如右圖所示電路,下列何者正確?[台糖 111] (A)(B) 總有效功率 PT= 1000W (C) 總虛功率 QT= 1000VAR (D) 功率因數 P.F.=1
37. 如右圖所示電路,若v(t)=,R= 10Ω,C= 200μF,L= 10mH, 則下列何者正確? [台糖 111] (A)(B)(C)(D) 總有效功率 P= 1000W
38. 一個 70.7sin(377t) 伏特之交流電源,施加於阻抗值為 3 – j4 歐姆之 RLC 串聯 電路中,求電源供給予該電路之視在功率約為多少伏安? [地方特考 111] (A)125 (B)250 (C)375 (D)500
39. 一平均功率為 540 瓦特且功率因數為 0.6 滯後之負載,與另一視在功率為 1200 伏安且功率因數為 0.8 滯後之負載並接,此並聯負載所消耗之總平均功率為多少瓦特? [地方特考 111] (A)1200 (B)1500 (C)1920 (D)2160
40. 有一負載為 7Ω 電阻與 150μF 電容並聯而組成,求其在有效值為 120 V/60Hz 之下的實功率約為何? [地方特考 111] (A)814W (B)2.06kW (C)2.22 kW (D)2.87 kW
41. 有一串聯電路,外加一頻率 60Hz 相量式為 100 ∠ 0 伏特之正弦電壓源,其中 100 伏特為有效值,若其串聯阻抗為 3 + j4 歐姆,則其視在功率為何? [地方特考 111] (A)500 伏安 (B)1000 伏安 (C)1500 伏安 (D)2000 伏安
42. 有一單相交流電路的電壓有效值為 100V,電流有效值為 10A,功率因數 0.8,則其有效功率及無效功率分別為多少? [自來水 111] (A)800W,600VAR (B)800W,200VAR (C)600W,800VAR (D)600W,400VAR
43. 改善功率因數之效益,下列敘述何者正確? [自來水 111] (A) 增加線路電流 (B) 增加系統供應容量 (C) 減少線路電力損失 (D) 增加線路電力損失
44. 交流電路中,平均功率是指一個交流週期中瞬間功率的平均值,若將 100V、60Hz 之正弦交流電壓加於 50Ω 的純電阻兩端,則下列敘述何者正確? [自來水 111] (A) 瞬間功率之頻率為 60Hz (B) 瞬間功率最大值為 400W (C) 瞬間功率最小值為 0 (D) 平均功率為 100W
45. 有一交流電路,其中電感值為1H,電感兩端的電壓為 vL(t) =,則該電感在t=0的瞬時功率約為何?[初等考111] (A)-216.5W (B)216.5W (C) -108.25W (D)108.25W
46. 設一由 50Ω 電阻器與 50μF 電容器組成之並聯電路負載,連接至100sin(100t + 30°) 伏特之交流電源,則此電源供給予負載之虛功率為多少乏(VAR)? [初等考 111] (A)10 (B)1.25 (C)23.5 (D)25
47. 一 200sin(377t) 伏特之交流電源,施加於阻抗值為 3 + j4 歐姆之負載上,求該負載所消耗之平均功率為多少千瓦? [初等考 111] (A)0.9 (B)1.2 (C)1.8 (D)2.4
48. 有一交流電路之電壓v(t) =、電流 i(t) =,則其瞬時功率最大值為何? [初等考 111] (A)1000瓦 (B)1414瓦 (C)1732 瓦 (D)1866 瓦
49. 如右圖所示,開關 SW 閉合前後,電路功率 因數皆為 0.6,則 XL 為多少 ? [台中捷運 111] (A)6Ω (B)8Ω (C)16Ω (D)32Ω
50. 有一負載電路接至交流電源,如右圖所示,交流電源 v(t) = 100sin(377t + 20°)V,而經測量得知流過負載的電 流 i(t) = 10sin(377 – 40°)mA,求此負載的最大瞬間功率 Pmax 為何? [台中捷運 111] (A)1500W (B)750W (C)1500mW (D)750mW
51. 如右圖,若開關 S 閉合前後電路的功率因數 P.F 均為 0.8,求XC以及XL各為多少 ? [台中捷運 111] (A)XC = 16Ω,XL = 8Ω (B)XC = 8Ω,XL = 16Ω (C)XC = 9Ω,XL = 18Ω (D)XC = 16Ω,XL = 32Ω
52. 如右圖,該電路之功率因數 P.F 為? [台中捷運 111] (A)(B)(C)0.6 (D)0.8
53. 設一 25 歐姆之電阻負載,連接至 110sin(377t + 30°) 伏特之交流電源,則此負載所消耗之平均功率為多少瓦特? [鐵路特考 111] (A)110 (B)121 (C)242 (D)484
54. 有一交流電路之電壓 v(t) = 100sin(377t – 20°) V、電流 i(t) = 10sin(377t + 10°) A,則其瞬時功率最大值為何? [鐵路特考 111] (A)433 瓦特 (B)500 瓦特 (C)866 瓦特 (D)933 瓦特
55. 如右圖電路,電壓 v(t) =, 電流 i(t) =,求該元件的平均功率(W)? [台北捷運112] (A)500W (B)866W (C)1000W (D)2000W
56. 如右圖所示之交流電路,若v(t) = sin(377t + 60°)V,試求電源供給之平均功率為何? [台北捷運112] (A)300W (B)400W (C)500W (D)600W
57. 如右圖所示之交流電路,若電壓 v(t) = 200cos(377t + 45°)V,則 下列有關 RLC 電路組合部分的敘述何者正確? [台北捷運 112] (A) 電流均方根值 I = 10A (B) 平均功率 P= 867W (C) 功率因數 PF= 0.5 (D) 視在功率 S = 1000VA
58. 有一工廠負載,每月用電 1000 度,功率因數 0.7( 滯後 ),損失率為 5%。若將功率因數改善至 0.95( 滯後 ) 時,則每月可減少電力損失多少度? [台北捷運 112] (A)7.45 度 (B)10.42 度 (C)16.88 度 (D)22.85 度
59. 如右圖所示,為 RLC 並聯電路,若=120∠90°V,則下列何者正確? [台糖 112] (A) 電路功率因數為 0.8 (B)=2∠180°A(C)=5A(D)=5∠53°A
60. 設一 R= 100Ω 與 C = 50μF 之並聯 RC 電路,供予 110sin(100t + 45°) 伏特之交流電源,則此並聯 RC 電路之功率因數為何? [地方特考 112] (A)0.4472 滯後 (B)0.4472 超前 (C)0.8944 滯後 (D)0.8944 超前
61. 設 一 100sin(377t – 30°) 伏特之交流電源,供給予一電路之電流為 10cos(377t – 30°) 安培,則此電路之平均功率為多少瓦特? [地方特考 112] (A)0 (B)10 (C)100 (D)500
62. 有一串聯電路,外加一頻率 60Hz 相量式為 100 ∠ 0° 伏特之正弦電壓源,若其串聯電流之相量式為 20 ∠ – 37° 安培,則其瞬時功率最大值與視在功率的比值為何? [地方特考 112] (A)1 (B)1.6 (C)1.8 (D)2
63. 一接於 110 Vrms/ 60Hz 交流電源之 40 瓦特燈具,若測得燈具電流為 0.7272 安培,則該燈具之功率因數約為何? [身障特考 112] (A)0.5 (B)0.6 (C)0.8 (D)1.0
64. 一個 10kW 的負載,在 120V、60Hz 之下的功率因數為 0.81,求其虛功率約為何? [身障特考 112] (A)1.9kvar (B)7.24kvar (C)10kvar (D)12.3kvar
65. 設一 110 cos(100t–30°) 伏特之交流電源,連接至由 RLC 組成之串聯電路負載, 其中 R= 100Ω、L= 2H、C= 5μF,則此負載之功率因數為何? [初等考 112] (A)0.0555 滯後 (B)0.0555 超前 (C)0.9985 滯後 (D)0.9985 超前
66. 一個 8kW 的負載在 120V/60Hz 之下的功率因數為 0.8。求視在功率(apparent power)為何? [初等考 112] (A)4.8kVA (B)6.4kVA (C)9.6kVA (D)10kVA
67. 有一交流電路之電壓 v(t) = 100sin(377t + 60°)V 、電流 i(t) = 10sin(377t – 30°) A,則其瞬時功率最大值與視在功率的比值為何? [初等考 112] (A)1 (B)1.414 (C)1.732 (D)2
69. 有一交流電路之電壓 v(t) = 100sin(377t – 20°)V、電流 i(t) = 10sin(377t + 10°) A,則其瞬時功率最大值與視在功率的比值為何? [鐡路、國安特考 112] (A)1 (B)1.414 (C)1.866 (D)2
70. 有一個 8kW 的電感性負載,在 120V/60Hz 之下有 5kvar 的虛功率,求其功率因數約為何? [鐵路、國安特考 112] (A)0.385 (B)0.615 (C)0.725 (D)0.848
71. 某電動車公司推出了一款新型電動馬達,該電動馬達的平均功率為 P,電抗功率為 Q,則該電動馬達的功率因數 cosθ 應為何? [中油 113] (A)(B)P+ Q (C)(D)
72. 交流正弦波電壓和電流的最大值分別為 200V、5A,則其視在功率等於? [中油 113] (A)500VA (B)1000VA (C)2000VA (D)4000VA
73. 有一 RL 串聯電路,已知功率因數 0.8、R= 20Ω,試求 XL 為多少 Ω ? [中油 113] (A)8Ω (B)12Ω (C)15Ω (D)16Ω
74. 在交流電路中,會消耗功率之元件為下列者? [台菸 113] (A) 電感 (B) 電阻 (C) 電容 (D) 電感與電容
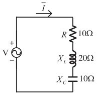
75. 如下圖所示一交流電路,則電阻消耗多少虛功率? [台菸 113] (A)500VAR (B)100VAR (C)50VAR (D)0VAR
84. 並聯接至 110 Vrms /60Hz 交流電源的兩設備,一產生視在功率為 1200 伏安且功率因數為 0.8 滯後,另一產生平均功率為 150 瓦特且功率因數為 0.6 滯後,則該電源供給至該兩設備之總視在功率約為多少伏安? [初等考 114] (A)920 (B)1110 (C)1200 (D)1442
85. 一阻抗值為 3 + j4 歐姆之甲負載與另一阻抗值為 4 + j3 歐姆之乙負載,並聯接至 300sin(377t) 伏特之交流電源,則此電源供給至兩負載之總實功率為多少千瓦? [初等考 114] (A)4.2 (B)6.3 (C)12.6 (D)25.2
86. 有一串聯電路,外加一頻率 60Hz 相量式為 100 ∠ – 53° 伏特之正弦電壓源,其中 100 伏特為有效值,若其串聯阻抗為 3 – j4 歐姆,則其平均功率為 何? [初等考 114] (A)0 瓦特 (B)500 瓦特 (C)1200 瓦特 (D)1600 瓦特
87. 有一交流電源,其輸出弦波電壓之峰值為,頻率為 50kHz,將此電壓加在功率電阻上,若最大瞬時功率為 1000W,則該功率電阻的電阻 值為何? [身障特考112] (A)40Ω (B)80Ω (C)120Ω (D)160Ω