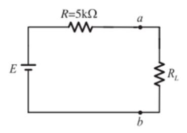
2. 有一電路如下圖,E=10V,若負載要得最大功率,最大功率是多少?
(A)5W
(B)5kW
(C)5mW
(D)3mW
答案:登入後查看
統計: A(1), B(0), C(3), D(1), E(0) #3746291
統計: A(1), B(0), C(3), D(1), E(0) #3746291