所屬科目:泉勝◆基本電學(下冊)
1. 電阻電容串聯充電,黃色波形代表電源瞬間接通,穩態後vc電壓(藍色波形)趨近充電電壓E,如下圖。(A)O(B)X
2. 電阻電容串聯充電,穩態後 vR電壓趨近充電電壓 E (A)O(B)X
3. 電阻電容串聯充電,穩態後 iR電流趨近 0 (A)O(B)X
4. 電阻電容串聯充電至穩態,所需時間 5RC (A)O(B)X
5. 電阻電容串聯充電,若不是標準一個電阻與一個電容串聯,則可將電容當負載,轉為戴維寧等效電路 (A)O(B)X
6. 電阻電容串聯放電,穩態後 vc 電壓趨近充電電壓 E (A)O(B)X
7. 電阻電容串聯放電,穩態後 vR電壓趨近充電電壓 E (A)O(B)X
8. 電阻電容串聯放電,穩態後 iR電流趨近 0 (A)O(B)X
9. 電阻電容串聯放電至穩態,所需時間 5RC (A)O(B)X
10. 電阻電容串聯充電與放電的電流方向相反 (A)O(B)X
11. 電阻電容串聯充電瞬間,vc 電壓趨近 0 (A)O(B)X
1. 電路如圖所示,是一個 RC 充電電路,時間為 0 時,電容未儲存任何電荷。試求此電路時間常數為多少秒?(A)1ms(B)1s(C)2s(D)3s
2. 電路如圖所示,是一個 RC 充電電路,時間為 0 時,電容未儲存任何電荷。試求 t=1 時,Vc=?(A)6.32V(B)8.65V(C)9.5V(D)9.8V
3. 電路如圖所示,是一個 RC 充電電路,時間為 0 時,電容未儲存任何電荷。試求 t=2 時,Vc=?
(A)6.32V(B)8.65V(C)9.5V(D)9.8V
4. 電路如圖所示,是一個 RC 充電電路,時間為 0 時,電容未儲存任何電荷。試求 t=3 時,VR=?(A)6.32V(B)8.65V(C)9.5V(D)9.8V
5. 電路如圖所示,是一個 RC 充電電路,時間為 0 時,電容未儲存任何電荷。試求 t=4 時,VR=?(A)6.32V(B)8.65V(C)9.5V(D)0.2V
6. 電路如圖,是一個 RC 充電電路,時間為 0 時,電容未儲存任何電荷。試求 t=1 時,i=?(A)6.32mA(B)3.68uA(C)3.68mA(D)1.35uA
7. 電路如圖,是一個 RC 充電電路,時間為 0 時,電容未儲存任何電荷。試求 t=2 時,i=?(A)6.32mA(B)3.68uA(C)3.68mA(D)1.35uA
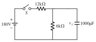
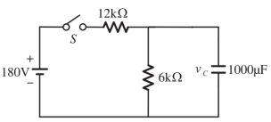
8. 電路如圖所示,為一個充電電路,t=0 時,電容器未儲存任何電荷。試求此電路的時間常數為多少秒?
(A)5s(B)10s(C)20s(D)1s
9. 電路如圖所示,為一個充電電路,t=0 時,電容器未儲存任何電荷。開關閉合後,t=0 瞬間,Vc=?(A)0V(B)5V(C)50V(D)100V
10. 電路如圖所示,為一個充電電路,t=0 時,電容器未儲存任何電荷。開關閉合後,t=10s,Vc=?
(A)0V(B)63.2V(C)36.8V(D)86.5V
11. 電路如圖所示,為一個充電電路,t=0 時,電容器未儲存任何電荷。開關閉合後,t=20s,VR=?(A)0V(B)63.2V(C)36.8V(D)13.5V
12. 電路如圖所示,為一個充電電路,t=0 時,電容器未儲存任何電荷。開關閉合後,t=40s,iR=?(A)0A(B)1mA(C)2.5mA(D)18.4mA
13. 電路如圖所示,為一個充電電路,t=0 時,電容器未儲存任何電荷。開關閉合後,t=50s,iR=?(A)0A(B)1mA(C)2.5mA(D)18.4mA
14. 電阻與電容串聯電路,電阻為 2kΩ,電容為 25μF,此電路的時間常數為何?(統測 112)(A)12.5ms (B) 25ms (C) 50ms (D) 100ms
15. 電阻 R1 與電容 C1 串聯電路,此電路時間常數為 50ms,電容 C1 為 20μF,則電阻 R1 為何?(統測 110 B)(A) 20 kΩ (B) 2.5kΩ (C) 50Ω (D) 2.5Ω
16. 如圖所示之電路,E=100V,R=100kΩ,C=50μF,當 t=0 時將 S 閉合,該電路的時間常數為多少?(自來水 110)(A)2.5 秒 (B)5 秒 (C)25 秒 (D)2.5Ω
17. 如圖所示之平行板電容器 C,已知兩極板之面積為 10m2,間距 d = 1mm,介質相對介電係 數 ɛr=100/8.85。若此電容器初始儲能為零,則當開關 SW 閉合後 0.1 秒時,電容器兩極板間之電場強度 (V/m) 約為何? (e =2.718) (統測 108)(A) 6320 (B) 3680 (C) 2880 (D) 1440
18. 如圖的電路,開關閉合前,電容器未儲存任何電荷,求閉合瞬間,Vc=?(A)0V(B)10V(C)20V(D)100V
19. 如圖的電路,開關閉合前,電容器未儲存任何電荷,求閉合瞬間,VR=?(A)0V(B)10V(C)20V(D)100V
20. 如圖的電路,開關閉合前,電容器未儲存任何電荷,求充電時間常數?(A)1ms(B)0.1ms(C)1us(D)0.5ms
21. 如圖的電路,開關閉合前,電容器未儲存任何電荷,求閉合穩定後的電流?(A)0A(B)1mA(C)1A(D)2A
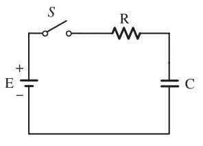
22. 一電阻 R 與一無初始電荷的電容 C 串聯接於直流源電壓 E 之 RC 充電暫態電路,若開始充電的時間是 t = 0,則下列敘述何者錯誤?(統測 107) (A) 在時間 t = RC 時,電容的端電壓約為 0.368E (B) 電容兩端的電壓隨時間增加會愈來愈大,穩態時達定值 E (C) 在時間 t = 3RC 時,電阻的端電壓約為 0.05E (D) 電阻兩端的電壓隨時間增加會愈來愈小,穩態時為零
23. 電路如圖,試求電容充電時間常數?(A)10ms(B)100ms(C)200ms(D)300ms
24. 電路如圖,當開關 S 閉合瞬間,V0是多少?(A)10V(B)5V(C)7.36(D)0V
25. 電路如圖,RC 電路的時間常數是多少?(A)4ms(B)6ms(C)18ms(D)24ms
26. 電路如圖,RC 電路的時間常數是多少?(A)4ms(B)6ms(C)18ms(D)24ms
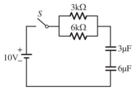
27. 電路如圖所示,電容閉合前沒有儲存任何電荷,試求:充電時間常數?(A)0.01s(B)0.02s(C)0.03s(D)0.04s
28. 電路如圖所示,電容閉合前沒有儲存任何電荷,試求:開關閉合 0.03 秒後 Vc=?
(A)6V(B)3.8V(C)4.2V(D)5V
29. 電路如圖所示,電容閉合前沒有儲存任何電荷,試求:開關閉合 1 秒後 Vc=?(A)6V(B)3.8V(C)4.2V(D)5V
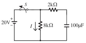
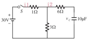
30. 如圖電路,開關閉合前,電容器未儲存任何電荷,求閉合瞬間 i=?(A)2A(B)1A(C)1mA(D)100mA
31. 如圖電路,開關 S 閉合前,電容器未儲存任何電荷,求閉合瞬間 i2=?(A)10A(B)7.5A(C)3.3A(D)0A
32. 如圖電路,開關 S 閉合前,電容器未儲存任何電荷,求電路穩定後 i1=?(A)10A(B)7.5A(C)3.3A(D)0A
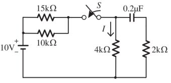
33. 如圖所示電路,t = 0 秒前電容器電壓為零,若 t = 0 秒時將開關 S 閉合,則電容器兩端電壓vC(t) 為何?(統測 111)(A)(B)(C)(D)
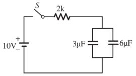
34. 如圖所示電路,若開關 S 閉合前,電容器無儲存能量。S 於時間 t = 0 時閉合,則在 S 閉 合瞬間(t = 0) 和電路穩態 (t =無限大 ),I 分別為何?(統測 109) (A) 0.46mA,1mA (B) 1.25mA,2mA (C) 1.25mA,0.46mA (D) 1mA,1.25mA
35. 放電電路如圖, V=10V,R=2 kΩ,C=1 mF,當電容充滿電後,開關於 t=0 時切換到位置 b。試求:放電時間常數?(A)1s(B)2s(C)2ms(D)2us
36. RC 放電電路如圖, V=10V,R=2 kΩ,C=1 mF,當電容充滿電後,開關於 t=0 時切換到位置 b。試求:t=2s,Vc=?(A)1.35V(B)3.68V(C)10V(D)0.5V
37. RC 放電電路如圖, V=10V,R=2 kΩ,C=1 mF,當電容充滿電後,開關於 t=0 時切換到位置 b。試求:t=4s,VR=?(A)1.35V(B)-1.35V(C)10V(D)0.5V
38. RC 放電電路如圖, V=10V,R=2 kΩ,C=1 mF,當電容充滿電後,開關於 t=0 時切換到位置 b。試求:t=6s,i=?(A)-0.67mA(B)-0.25mA(C)0.25mA(D)0.1mA
39. RC 放電電路如圖,V=20V,R=4 kΩ,C=0.5 mF,當電容充滿電後,開關於 t=0 時切換到位置 b。試求:放電時間常數?(A)1s(B)2s(C)2ms(D)2us
40. RC 放電電路如圖,V=20V,R=4 kΩ,C=0.5 mF,當電容充滿電後,開關於 t=0 時切換到位置 b。試求:t=2s 時,Vc=?(A)3.68V(B)7.36V(C)-2.7V(D)-1V
41. RC 放電電路如圖,V=20V,R=4 kΩ,C=0.5 mF,當電容充滿電後,開關於 t=0 時切換到位 置 b。試求:t=4s 時,VR=?
(A)3.68V(B)7.36V(C)-2.7V(D)-1V
42. RC 放電電路如圖,V=20V,R=4 kΩ,C=0.5 mF,當電容充滿電後,開關於 t=0 時切換到位 置 b。試求:t=4s 時,i=?(A)-0.25mA(B)1.84mA(C)0.67mA(D)-0.67mA
43. 如圖所示之電路,電路之時間常數為 τ,若電容之初值電壓為零,在 t = 0 時將 SW 切入位置1,並在 t=5τ 時,再將開關 SW 切回位置 2。則 t = 0 之後 vR(τ) + vC(τ) + vR(6τ) + vC(6τ) 之值為何?(統測 108) (A) E (B) 0.5E (C) 0.368E (D) 0.144E
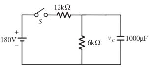
44. 電路如圖,t=0,S 閉合,試求:充電時間常數?(A)1s(B)2s(C)3s(D)4s
45. 電路如圖,t=0,S 閉合,試求:充電 8 秒 Vc 之值?(A)8V(B)52(C)120(D)24.3
46. 電路如圖,t=0,S 閉合,試求:充電 8 秒 ic 之值?(A)1mA(B)2mA(C)3mA(D)-1mA
47. 電路如圖,t=0,S 閉合,t=25,S 打開,試求:放電時間常數?(A)1s(B)2s(C)4s(D)6s
48. 電路如圖,t=0,S 閉合,t=25,S 打開,試求:t=31 時,Vc=?(A)22V(B)8V(C)52V(D)60V
49. 電路如圖,t=0,S 閉合,t=25,S 打開,試求:t=31 時,ic=?(A)3.6mA(B)-3.6mA(C) -2mA(D)-1mA
50. 如圖所示電路,開關 S 已經閉合一段時間,電路已達穩定。若在 t = 0 秒時將開關打開,此時線路電流 I = ?(A) 0.2mA (B) 0A(C) 2mA (D) 2.5mA