所屬科目:泉勝◆基本電學(下冊)
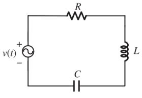
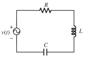
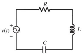
1.如圖之 RC 串聯電路,若 R = 6Ω,C = 1250μF,當接於 v(t)=50sin(100t+300 ) V 之電源電壓時, 則= 8∠900Ω。(A)O(B)X
2.如圖之 RC 串聯電路,若 R = 6Ω,C = 1250μF,當接於 v(t)=50sin(100t+300 ) V 之電源電壓時, 則= 10∠ − 530Ω。(A)O(B)X
3.如圖之 RC 串聯電路,若 R = 6Ω,C = 1250μF,當接於 v(t)=50sin(100t+300 ) V 之電源電壓時, 則= 5∠ − 530A。
(A)O(B)X
4.如圖之 RC 串聯電路,若 R = 6Ω,C = 1250μF,當接於 v(t)=50sin(100t+300 ) V 之電源電壓時, 則= 30∠830V。(A)O(B)X
5.如圖之 RC 串聯電路,若 R = 6Ω,C = 1250μF,當接於 v(t)=50sin(100t+300 ) V 之電源電壓時, 則= 40∠830V。
6.如圖之 RC 串聯電路,若 R = 8Ω,C = 167μF,當接於 v(t)=40sin(1000t+300 ) V 之電源電壓時, 則= 6∠900V。(A)O(B)X
7.如圖之 RC 串聯電路,若 R = 8Ω,C = 167μF,當接於 v(t)=40sin(1000t+300) V 之電源電壓時,則= 10∠ − 530Ω。
8.如圖之 RC 串聯電路,若 R = 8Ω,C = 167μF,當接於 v(t)=40sin(1000t+300) V 之電源電壓時,則= 4∠ − 530A。(A)O(B)X
9.有一 10mH 之電感器與 10Ω 電阻器,串聯接於 v(t)=10sin(1732t+300) V 之電源,則=17.32∠900Ω。(A)O(B)X
10.有一 10mH 之電感器與 10Ω 電阻器,串聯接於 v(t)=10sin(1732t+300) V 之電源,則=10∠900Ω。(A)O(B)X
11.有一 10mH 之電感器與 10Ω 電阻器,串聯接於 v(t)=10sin(1732t+300 ) V 之電源,則= 0.5∠ −300A。(A)O(B)X
12.有一 10mH 之電感器與 10Ω 電阻器,串聯接於 v(t)=10sin(1732t+300 ) V 之電源,則 =8.6∠600V。(A)O(B)X
13.有一 10mH 之電感器與 10Ω 電阻器,串聯接於 v(t)=8sin(1000t+300 ) V 之電源,則 =17.32∠900Ω。(A)O(B)X
14.有一10mH之電感器與 10Ω 電阻器,串聯接於v(t)=8sin(1000t+300 ) V之電源,則= 10∠450Ω。(A)O(B)X
15.有一 10mH 之電感器與 10Ω 電阻器,串聯接於 v(t)=8sin(100t+300 ) V 之電源,則= 0.4∠ −150A。(A)O(B)X
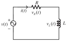
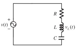
16.如圖所示的 RLC 串聯電路,R = 8Ω,C = 100μF,L = 16mH,串接在 v(t)=10sin(1000t+300 ) V 的 電源,則= 10∠370Ω。(A)O(B)X
17.如圖所示的 RLC 串聯電路,R = 8Ω,C = 100μF,L = 16mH,串接在 v(t)=10sin(1000t+300 ) V 的 電源,則= 1∠ − 70A。(A)O(B)X
18.如圖所示的 RLC 串聯電路,R = 8Ω,C = 100μF,L = 18mH,串接在 v(t)=10sin(1000t+300 ) V 的 電源,則= 8∠450Ω。(A)O(B)X
19.如圖所示的 RLC 串聯電路,R = 8Ω,C = 100μF,L = 18mH,串接在 v(t)=10sin(1000t+300 ) V 的 電源,則= 1∠ − 450A。(A)O(B)X
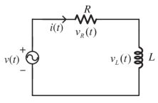
20.電路如圖,v(t)=5sin(4t+300 ) V,R = 3Ω,L = 1H,則= 10∠530Ω。(A)O(B)X
21.電路如圖,v(t)=5sin(4t+300 ) V,R = 3Ω,L = 1H,則= 3∠ − 230V。(A)O(B)X
22.電路如圖,v(t)=5sin(t-300 ) V,R = 3Ω,C = F,則= 5∠ − 370Ω。(A)O(B)X
23.電路如圖,v(t)=5sin(t-300 ) V,R = 3Ω,C = F,則= 1∠ − 370A。(A)O(B)X
24.電路如圖,v(t)=5sin(t-300 ) V,R = 3Ω,C = F,則= 3∠00V。(A)O(B)X
25.電路如圖,v(t)=5sin(t+300 ) V,R = 3Ω,L=10H,C = F,則= 5∠530Ω。(A)O(B)X
26.電路如圖,v(t)=5sin(t+300 ) V,R = 3Ω,L=10H,C =F,則= 1∠230Ω。(A)O(B)X
27.電路如圖,v(t)=5sin(t+300 ) V,R = 3Ω,L=10H,C = F,則= 10∠370V。(A)O(B)X
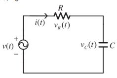
1.如圖(4)所示RC串聯交流電路,若電源電壓vs(t)=200sin(500t) V、電流is(t)=10sin(500t+45°) A,則電阻R及電容C為何?(A) R = 20 Ω, C = 100 µF (B) R = 20 Ω, C = 100 µF (C) R = 10 Ω, C = 50 µF (D) R = 10 Ω, C = 50 µF
2.有一個電壓源 vs(t) = 100cos(2500t -30°) V 接 R = 40 Ω,C = 10 μF 之 RC 串聯交流電路,則下列敘述何者正確? (A) 電路總阻抗= 40 + j40 Ω (B) 電路總阻抗大小 Z = 80 Ω (C) 電阻 R 兩端電壓 vR(t) = 100 cos(2500t - 30°) V (D) 電阻 C 兩端電壓 vC(t) = 100 cos(2500t - 75°) V
3.某RC串聯電路的輸入電壓為4sin(377t)V,若流經電阻的電流為sin(377t+45°)A,則電阻約為多少歐姆? (A) 4 (B) 3 (C)(D) 2
4.有一 RL 串聯電路,R = 6Ω,L = 6mH,接於電壓源 v(t) = 120sin(1000t + 60°)V,則此電路之電流 i(t) 為何? (A) 10sin(1000t + 15°)A (B) 10 sin(1000t + 15°)A (C) 10sin(1000t + 60°)A (D) 10 sin(1000t - 45°)A
5.如圖(7)所示之交流穩態電路,電阻R₁為40Ω,電感抗XL為30Ω,若a、b兩端電壓的有效值為200V,則流經電感抗的電流有效值為何? (A) 2A (B) 3A (C) 4A (D) 5A
6.將交流電壓源 200sin(100t)V 連接至 RL 串聯電路,若流經電阻的電流有效值為 10A,而且電阻 R與電感 L 上的電壓有效值相同,則電感 L 值為何?(統測 106)(A)15.9mH (B)100mH (C)200mH (D)314mH
7.有一 RLC串聯電路,接於電壓為v(t)=120 cos(377t-15°)V之電源,經量測得知電流為i(t)=6cos(377t+30°)A,則電阻兩端的電壓峰值為何? (A) 120V (B) 120 V (C) 100V (D) 100 V
8.如圖(5)所示之交流穩態電路,則電容電壓為何? (sin 36.9°=0.6及sin 53.1°=0.8) (A) 100∠-36.9°V (B) 100∠-53.1°V (C) 140∠53.1°V (D) 140∠-53.1°V
9.已知一個RLC串聯電路,其電源電壓為v(t) = 200sin(100t) V,假設R=20Ω、L=150mH及C=500µF,則該電路總串聯阻抗為何?(A) 20-j5Ω (B) 20-j15Ω (C) 20+j15Ω (D) 20+j5Ω
10.如圖(6)所示之串聯電路,若阻抗 = 5∠53.1°Ω,= 6 + j8Ω,當加上 = 150∠0° V 之電壓時,則 為何? (sin 53.1° = 0.8, cos 53.1° = 0.6)
(A) 100∠0° V (B) 100∠53.1° V (C) 50∠0° V (D) 50∠53.1° V