阿摩線上測驗
登入
首頁
>
技檢◆汽車修護-甲級
> 114年 - 02000 汽車修護 甲級 工作項目 03:汽車電系 1-50(2025/10/15 更新)#132164
114年 - 02000 汽車修護 甲級 工作項目 03:汽車電系 1-50(2025/10/15 更新)#132164
科目:
技檢◆汽車修護-甲級 |
年份:
114年 |
選擇題數:
50 |
申論題數:
0
試卷資訊
所屬科目:
技檢◆汽車修護-甲級
選擇題 (50)
1. 如圖所示,1、2 端子間總電阻為多少Ω?
(A)4 (B)5 (C)6 (D)8 。
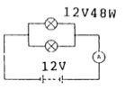
2. 12V 的電瓶一個與 12V48W 的燈泡兩個如下圖之接線,問燈泡一個的電阻為多少?
(A)1Ω (B)1.5Ω (C)3Ω (D)6Ω 。
3. 如圖所示為使用示波器測量電子控制式汽油噴射引擎所出現的波型,問此波型為
(A)電流控制式噴射波型 (B)電壓控制式噴射波型 (C)點火訊號波型 (D)點火一次波型 。
4. 電瓶充電時,下列敘述何者正確? (A)定電流充電其充電電壓隨電瓶充電程度而降低 (B)定電壓充電時其充電電流隨充電程度而升高 (C)充電電流約為電瓶電容量安培小時數的 1/10 (D)不同電壓的電瓶宜採用並聯充電 。
5. 關於電瓶下列敘述何者正確? (A)以電瓶電動勢的大小來判斷電瓶充放電的程度 (B)溫度高時量出電水比重比標準溫度時的比重高 (C)電瓶電容量負載測試時電壓應在 9.6V 以上表示電瓶良好 (D)兩個電容量不同的電瓶充電時以使用串聯充電較多 。
6. 正常電瓶充電中,下列何者不可用來表示電瓶已接近充滿電? (A)電解液產生大量氣泡 (B)分電池電壓已達 2.6V,且一小時不再上升 (C)電解液比重已達 1.260~1.280,且一小時不再上升 (D)電瓶已經發燙 。
7. 起動馬達無負載試驗時,如轉速慢、電流大可能原因為 (A)整流子太髒 (B)電刷太短 (C)磁場線圈短路 (D)軸承太緊或軸彎曲 。
8. 如圖所示的起動電路,下列敘述何者正確?
(A)電磁開關主接點(M.S)閉合時吸入線圈(P.C)沒有電流 (B)電磁開關主接點(M.S)吸住線圈(H.C)沒有電流 (C)起動開關由 ON 至 OFF 瞬間,吸入、吸住線圈(PC、HC)都沒有電流 (D)起動開關由 ON 至 OFF 瞬間,吸入線圈(P.C)有電流,吸住線圈(H.C)沒有電流 。
9. 如圖所示起動馬達性能曲線圖,圖中曲線 a 表示起動馬達的
(A)功率 (B)轉速 (C)扭力 (D)電壓 。
10. 雙線圈式電磁開關與超速離合器型起動馬達,當起動引擎時小齒輪撥出後又退回,如此反覆動作其故障原因為下列哪一線圈斷路或接觸不良 (A)電樞線圈 (B)磁場線圈 (C)吸入線圈 (D)吸住線圈 。
11. 如圖所示為 IC 調整器的交流發電機充電系統,打開點火開關充電指示燈不亮,如將輸出碳刷搭鐵則充電指示燈亮了,其故障原因為
(A)磁場線圈斷路 (B)發電機本體故障 (C)IC 調整器故障 (D)充電指示燈故障 。
12. 如圖所示之充電波型是何種現象
(A)整流粒斷路 (B)整流粒短路 (C)磁場線圈短路 (D)靜子線圈斷路 。
13. 交流發電機的 N 端子電壓 Vn 小於輸出電壓 Vb 的 1/2 時,其可能的故障原因為 (A)靜子線圈短路 (B)轉子線圈短路 (C)正極整流粒不良 (D)負極整流粒不良 。
14. 多數含 IC 調整器的交流發電機充電系統,剛開始的磁場電流是由那一個線頭供給? (A)A (B)S (C)L (D)R 。
15. 含 IC 調整器的交流發電機充電系統,在引擎轉速 1500rpm 時檢查 B、L兩端子電壓(B 接電壓錶的正,L 接電壓錶的負)其電壓應 (A)小於 0.5V (B)大於 0.5V (C)等於 12V (D)大於 12V 。
16. 交流發電機充電系統中,下列何者無法增大發電機的輸出電流? (A)裝用IC 調整器 (B)靜子線圈採用△型接法 (C)靜子線圈採用Y型接法 (D)Y型接法的靜子線圈在中性點用 2 個整流粒整流輸出 。
17. 關於頭燈敘述何者正確? (A)HID 頭燈無燈絲 (B)鏡頭玻璃的外表面為凹凸不平的 (C)檢查頭燈光軸角度時,遠光與近光均應檢查 (D)鹵素頭燈燈泡內充入氬氣 。
18. 當打開小燈開關時,小燈亮;踩下煞車時,煞車燈亮,但開小燈又踩煞車,卻都不亮,其最可能原因為 (A)小燈開關不良 (B)煞車燈開關不良 (C)小燈、煞車燈燈泡不良 (D)小燈、煞車燈搭鐵不良 。
19. 電熱偶式儀錶中,下列何種儀錶須經電壓調節器(Voltage regulator) (A)電流錶 (B)溫度錶 (C)轉速錶 (D)充電指示燈 。
20. 大型車輛裝設有行車記錄器之記錄紙內有哪些資料是無法記錄的 (A)行車速率 (B)引擎起動次數 (C)行車時間 (D)行車狀態 。
21. 調整電磁式喇叭音量的大小,主要是調整 (A)喇叭繼電器白金間隙的大小(B)喇叭振動頻率的大小 (C)喇叭空氣間隙的大小 (D)喇叭白金間隙 。
22. 開關為搭鐵控制式之高低速雨刷馬達,當雨刷開關 OFF 後雨刷立即停止無法回到原規定位置,其他一切正常則可能原因為 (A)雨刷馬達本體不良(B)保險絲燒斷 (C)雨刷開關不良 (D)雨刷馬達本體搭鐵線接觸不良 。
23. 汽車冷氣系統感溫膨脹閥是由下列何者來控制? (A)蒸發器入口的溫度 (B)蒸發器的壓力 (C)氣態冷媒的溫度差和冷媒飽和溫度之差 (D)冷媒蒸發的速率 。
24. 空調系統中如發現貯液筒至蒸發器間的管子有凝結水附著時,則可判定為 (A)膨脹閥阻塞 (B)膨脹閥開關過大 (C)貯液筒阻塞 (D)貯液筒進出口接錯 。
25. 汽車冷氣出風口溫度忽高、忽低,其可能故障原因為 (A)冷媒量不足 (B)膨脹閥調整不當 (C)壓縮機電磁離合器故障 (D)冷氣系統中有水份 。
26. 空調系統內冷媒填充量若過多,則系統作用時 (A)低壓側及高壓側之壓力均太高,冷氣會太冷 (B)低壓側壓力太低高壓側壓力太高,冷氣太冷 (C)低壓側壓力正常高壓側壓力太高,冷氣太冷 (D)低壓側及高壓側之壓力均太高,冷氣不冷 。
27. 下列關於冷氣系統之敘述,何者正確? (A)系統抽真空之目的為抽取系統中的空氣與水份,便於填充冷媒 (B)以液態冷媒充入系統時應由壓縮機低壓側充入 (C)系統冷媒不足須補充氣態冷媒時,應於冷氣系統作用時並由高壓側充入 (D)冷媒為無色無毒之 HCClF
2
。
28. 有關電感量的敘述下列何者正確? (A)與線圈的匝數成反比 (B)與鐵蕊的導磁係數成正比 (C)與鐵蕊的橫截面積成反比 (D)與匝和匝之間的距離成正比 。
29. 新購入之電瓶若電瓶上註明 DRY CHARGED 代表何意? (A)充滿電,未加水 (B)不加水,即可使用 (C)加電水,未充電 (D)未充電,未加水 。
30. 當電瓶電壓為 12V,內電阻為 0.40Ω時,發電機的充電電壓為 14.5V,則其充電電流為 (A)6.25A (B)7.25A (C)8.25A (D)9.25A 。
31. 起動馬達的電樞軸如發生彎曲,在作負荷試驗時,會有什麼情況? (A)轉速慢和扭力小、電流大 (B)轉速慢,扭力和電流皆大 (C)轉速快、扭力和電流皆大 (D)轉速和扭力大、電流小 。
32. 起動馬達雙線圈式電磁開關中,只要點火開關一直在起動位置,一直有電流通過以吸住鐵蕊,不使其退出,使馬達繼續搖轉引擎的電磁開關線圈是 (A)Pull-in coil (B)Field coil (C)Ignition coil (D)Hold-in coil 。
33. 起動馬達電磁開關作動時,B 線頭與 M 線頭間之電壓降一般不得超過多少? (A)0.01V (B)0.1V (C)0.5V (D)1V 。
34. 起動馬達雙線圈式電磁開關的吸住線圈與吸入線圈的電流方向相反的狀況是 (A)搖轉引擎 (B)發火開關轉至 ST 位置的瞬間 (C)發火開關自 ST 位置回到 ON 位置的瞬間 (D)起動馬達停止運轉時 。
35. 一 Y 型連接之三相交流發電機如圖所示若 V 代表相電壓 12V,則 a、b間之線電壓為
(A)20.78V (B)17.32V (C)14.14V (D)12V 。
36. 電壓調整器的溫度補償裝置是 (A)溫度高時,升高限制電壓 (B)溫度低時,降低限制電壓 (C)溫度低時,升高限制電壓,溫度高時,降低限制電壓 (D)溫度無論高或低均升高限制電壓 。
37. 交流發電機的靜子線圈採△型繞線,下列敘述何者正確? (A)△繞線之輸出電壓較 Y 型繞線為大 (B)相電流為 10A 時,則線電流為 10A (C)相電流為 10A 時,則線電流為 17.32A (D)相電壓為 10V 時,則線電壓為17.32V 。
38. 磁極對數為四對的三相交流發電機,當引擎轉速為 2000rpm 時其輸出的頻率為多少? (A)500Hz (B)400Hz (C)450Hz (D)600Hz 。
39. 有些 IC 電壓調整器交流發電機為在引擎高轉速時提高發電量,因此在中性點 N 加裝了下列何者?使發電機輸出功率增加 10~15% (A)整流粒 (B)電容器 (C)電阻器 (D)電感器 。
40. 對轉向燈之檢修而言,下列敘述何者正確? (A)目前車輛普遍使用之閃光器為電容式、熱偶片式及馬達式,其特點是故障時可互換使用 (B)一般汽車轉向燈分左右兩邊,依右邊而言,前後轉向燈與轉向指示燈均採串聯接線 (C)有一閃光器的閃爍頻率,每分鐘 100 次的速度工作,則該閃光器作用正常 (D)轉向燈如全部不亮時,應先檢查轉向燈燈泡 。
41. 依法拉第(Farady)公式感應電壓 e=N△ψ/△t 所示,其中 N 係指什麼? (A)轉速 (B)感應電流 (C)單位時間磁通變動率 (D)線圈匝數 。
42. 由電動機的理論可知馬達轉速 n=kE/ψZ,其中 k 係指什麼? (A)感應電壓 (B)磁場強度 (C)實際作用於馬達之電壓 (D)常數 。
43. 根據楞次定律,發電機的感應電動勢之公式為 e=-Ndψ/dt(V),其中dψ/dt 表示下列何者對時間的變化率? (A)磁通量 (B)線圈匝數 (C)感應電壓 (D)感應電流 。
44. 下列何者是以步進馬達方式控制? (A)電動後視鏡 (B)恆溫空調機混合門 (C)電動窗 (D)雨刷馬達 。
45. R-134a 與 R-12 冷氣系統不同材質的零件為 (A)冷凝器 (B)壓縮機 (C)蒸發器 (D)橡皮管路及油封 。
46. 如圖所示橋式(全波)整流,交流電源應接在下列何者兩端?
(A)AB (B)BC(C)AC (D)BD 。
47. R-134a 冷媒在 1 大氣壓下其沸點為 (A)-26.2℃ (B)-29.79℃ (C)0℃ (D)100℃ 。
48. 配備有恆溫空調系統的車輛,其外界溫度感知器(Outside TemperatureSensor)大多裝在下列何者附近? (A)冷凝器 (B)壓縮機 (C)蒸發器 (D)儀錶板上 。
49. 某些廠牌車輛正常情況下,當點火開關由 OFF 轉向 ON 時,下列那一個警示燈會亮起數秒鐘後,立即熄滅(A)
(B)
(C)
(D)
。
50. 汽車電路常用電晶體作為開關迴路,大多採電晶體之特性曲線之那一區工作? (A)飽和區(Saturation)和截止區(Cut-off region) (B)飽和區(Saturation)和作用區(Active region) (C)截止區(Cut-off region)和崩潰區(Breakdown region) (D)作用區(Active region)和崩潰區(Breakdownregion) 。
申論題 (0)
相關試卷
114年 - 02000 汽車修護 甲級 工作項目 05:汽車服務廠管理與經營 51-81(2025/10/15 更新)#132169
114年 · #132169
114年 - 02000 汽車修護 甲級 工作項目 05:汽車服務廠管理與經營 1-50(2025/10/15 更新)#132168
114年 · #132168
114年 - 02000 汽車修護 甲級 工作項目 04:汽車相關技術資料運用 1-54(2025/10/15 更新)#132167
114年 · #132167
114年 - 02000 汽車修護 甲級 工作項目 03:汽車電系 101-148(2025/10/15 更新)#132166
114年 · #132166
114年 - 02000 汽車修護 甲級 工作項目 03:汽車電系 51-100(2025/10/15 更新)#132165
114年 · #132165
114年 - 02000 汽車修護 甲級 工作項目 02:汽車底盤 101-147(2025/10/15 更新)#132163
114年 · #132163
114年 - 02000 汽車修護 甲級 工作項目 02:汽車底盤 51-100(2025/10/15 更新)#132162
114年 · #132162
114年 - 02000 汽車修護 甲級 工作項目 02:汽車底盤 1-50(2025/10/15 更新)#132161
114年 · #132161
114年 - 02000 汽車修護 甲級 工作項目 01:汽車引擎(含柴油引擎) 151-205(2025/10/15 更新)#132160
114年 · #132160
114年 - 02000 汽車修護 甲級 工作項目 01:汽車引擎(含柴油引擎) 101-150(2025/10/15 更新)#132159
114年 · #132159