所屬科目:電子學
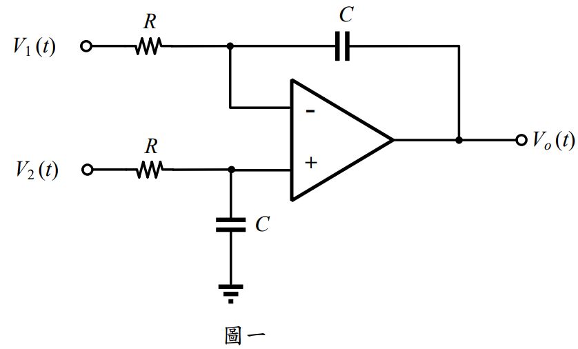
一、有一個理想運算放大器(Operational Amplifier)電路如圖一所示,輸入 電壓信號分別為 V1(t)與 V2(t),輸出電壓信號為 Vo(t)。電路中 R = 20 kΩ, C = 3μF,假設初始時間電容器 C 中沒有電荷。請計算 Vo(t)。(25 分)
二、請使用 CMOS 電路實現布林函數Y=。(25 分)
三、圖二為一個 NMOS 場效電晶體(FET)電路,電晶體 Q1、Q2 與 Q3 的參數 如下:所有電晶體的 kn' = μnCox = 500 μA/V2,Vtn = 0.5 V,λ1 =λ2 = λ3 = 0, L1 = L2 = L3 = 0.5 μm,W1 = 2 μm,W2 = W3 = 10 μm。當 IREF = 50 μA 時, R 值為何?IREF = 50 μA 時,同時計算 V1、V2、V3 與 I2。(25 分)
四、有一個串並(Series-Shunt)回授放大器電路如圖三所示,所有電晶體均工作 在飽和區(Saturation Region)。為計算方便,未顯示其偏壓電路。NMOSFET 電晶體 Q1 與 PMOSFET 電晶體 Q2 的參數如下:g m1 = g m2 = 5 mA/V, ro1 = ro2 = ∞。電路中,RD1 = 10 kΩ,RD2 = 10 kΩ,R1 = 2kΩ,R2 = 18 kΩ。 請計算:電壓增益 vo/vs、輸入電阻 Rin 與輸出電阻 Rout。(25 分)