阿摩線上測驗
登入
首頁
>
鋼筋混凝土設計與預力混凝土設計
> 95年 - 95 專技高考_結構工程技師:鋼筋混凝土設計與預力混凝土設計#36647
95年 - 95 專技高考_結構工程技師:鋼筋混凝土設計與預力混凝土設計#36647
科目:
鋼筋混凝土設計與預力混凝土設計 |
年份:
95年 |
選擇題數:
0 |
申論題數:
4
試卷資訊
所屬科目:
鋼筋混凝土設計與預力混凝土設計
選擇題 (0)
申論題 (4)
【已刪除】一、有一懸臂梁,跨度 4.5 m,全梁承受均布靜載重及均布活載重。其斷面如圖一所示, 下方為受壓面,A
s
=40 cm
2
, A'
s
=24 cm
2
, f '
c
=280 kgf/cm
2
, f
y
=4200 kgf/cm
2
, E
s
=2.04×106 kgf/cm
2
。剪力鋼筋採用#3 垂直肋筋且全梁均勻分布,#3 鋼筋之斷面 積為 0.71 cm
2
。此梁所能承受之設計載重由斷面撓曲強度所控制,若須考慮壓力鋼 筋對斷面撓曲強度之貢獻,試問此梁剪力鋼筋所能容許之最大間距為何?(40 分) (註:撓曲設計之強度折減因數φ 採用 0.9,剪力設計之強度折減因數φ 採用 0.75)
【已刪除】二、有一無側移柱,淨高 6 m,其斷面如圖二所示,f '
c
=280 kgf/cm
2
, f
y
=4200 kgf/cm
2
, E
s
=2.04×106 kgf/cm
2
,#10 鋼筋之斷面積為 8.14 cm
2
。此柱承受軸向壓力及對 Y 軸 之單向彎矩,柱之有效長度因數 k=0.9。此柱之設計軸力 P
u
=400 tf,最大設計軸向 靜載重與設計軸力之比值β
d
=0.3,柱頭之設計彎矩 M
u
=15 tf-m,柱腳之設計彎矩 M
u
=27 tf-m,且柱成單曲率彎曲,試以彎矩放大法求設計此柱時所應採用之放大彎 矩 M
c
值為何?(20 分)
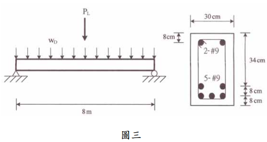
【已刪除】三、有一簡支梁及其斷面如圖三所示, f '
c
=280 kgf/cm
2
, f
y
=4200 kgf/cm
2
, E
s
=2.04×106 kgf/cm
2
,n=8,#9 鋼筋之斷面積為 6.47 cm
2
。若於梁上先施加 0.8 tf/m 之均布靜載重 w
D
(含自重),再於梁中央施加一 5 tf 之集中活載重 P
L
,試求施加 集中活載重 P
L
後於梁中央所增加之即時撓度為何?(20 分)(註:可不考慮壓力 筋之影響)
【已刪除】四、有一簡支預力梁,其跨度為20 m,梁寬為30 cm,梁全深為80 cm,梁之 f '
c
=350 kgf/cm
2
。 在此梁中,預力損失後預力鋼鍵之有效預力為 210 tf。此梁在預力損失後開始吊裝, 並在其上澆置 15 cm 厚樓版,澆置樓版時利用梁作為支撐,澆置後跨度中央梁與樓版 之斷面如圖四所示,樓版之 f '
c
=280 kgf/cm
2
。當樓版硬化並與梁結合為一體後,再於 樓版上施加 1.0 tf/m
2
之均布活載重。試求施加均布活載重後,跨度中央斷面預力梁 上緣及下緣之混凝土所承受之應力為何?(20 分)
相關試卷
114年 - 114 專技高考_結構工程技師:鋼筋混凝土設計與預力混凝土設計#133711
114年 · #133711
113年 - 113 專技高考_結構工程技師:鋼筋混凝土設計與預力混凝土設計#123969
113年 · #123969
112年 - 112 專技高考_結構工程技師:鋼筋混凝土設計與預力混凝土設計#117681
112年 · #117681
111年 - 111 專技高考_結構工程技師:鋼筋混凝土設計與預力混凝土設計#111977
111年 · #111977
110年 - 110 專技高考_結構工程技師:鋼筋混凝土設計與預力混凝土設計#104199
110年 · #104199
109年 - 109 專技高考_結構工程技師:鋼筋混凝土設計與預力混凝土設計#93269
109年 · #93269
108年 - 108 專技高考_結構工程技師:鋼筋混凝土設計與預力混凝土設計#80709
108年 · #80709
107年 - 107 專技高考_結構工程技師:鋼筋混凝土設計與預力混凝土設計#72982
107年 · #72982
106年 - 106 專技高考_結構工程技師:鋼筋混凝土設計與預力混凝土設計#66505
106年 · #66505
104年 - 104 專技高考_結構工程技師:鋼筋混凝土設計與預力混凝土設計#36264
104年 · #36264