所屬科目:鋼筋混凝土設計與預力混凝土設計
一、某一跨度 8 m 之混凝土 T 型簡支梁,斷面如圖一,其鋼筋斷面重心距梁 底 10 cm,混凝土 = 240 kgf/cm 2 ,撓曲鋼筋=4200 kgf/cm 2 ,剪力鋼筋=2800 kgf/cm 2 , 承 受靜載重 ( 含自重 ) D = 1.8 tf/m , 活 載 重 L=4.5 tf/m。試求本梁跨度中點所需之最小撓曲鋼筋量,並設計兩 端近支承處之剪力鋼筋,採用 2 股(2 legs)D10(#3, =0.7133 cm 2 ) 之肋筋配置,試求肋筋最大間距 。(30 分)
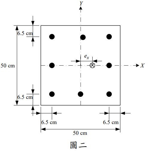
二、已知一方形柱採用如圖二所示斷面,配置有 8 根 D25(#8,Ab = 5.067 cm2) 縱向鋼筋 , 承受偏 心軸壓力 , 所使用混凝土 =280 kgf/cm 2 , Ec = ,鋼筋 f y = 4200 kgf/cm 2 , Es = 2.04 ✕ 106 kgf/cm 2 ,若該 斷面破壞時,中性軸與最大混凝土壓應變處之距離為 14.5 cm,試求該柱 破壞時之軸壓力偏心距。(25 分)
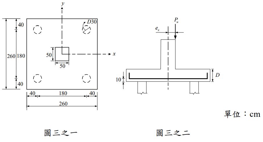
三、單柱基樁之樁帽平面尺寸為 260 260 cm ,樁帽厚度 D = 55 cm,柱斷面 為 50 50 cm ,基樁直徑 30 cm ,如圖三之一,柱承受偏心載重,軸向力 為 Pu 100 tf ,偏心距為 ex ,如圖三之二,基樁最大承壓軸力 Pc 40 tf , 基樁最大承拉軸力 Pt 10 tf ,且設計樁帽時,混凝土 f c 280 kgf/cm 2 , 不設置剪力鋼筋,忽略樁帽自重,則柱載重最大容許偏心距 ex 為何?(20 分) [提示]計算基樁軸力時,可假設樁帽為剛性體;其中, 為柱長邊/柱短邊;檢核雙向作用時,取 40;檢核角隅基樁穿 孔剪力強度時, 取 20。
四、圖四之一簡支梁結構由後拉法預鑄預力矩形梁與場鑄板組合而成,梁與 板間設置足夠之剪力筋連結,梁跨度12 m ,矩形梁斷面 30 cm ✕ 50 cm , 每支預力梁間之中心距離為 250 cm,預力鋼腱採拋物線配置如圖四之二 所 示 , 場 鑄 板 之 厚 度 為 12 cm 。 預 力 梁 與 場 鑄 板 混 凝 土 均 採 = 350 kgf/cm2,容許壓應力為 0.6 容許拉應力為 。每支梁施預力時之油壓預力=300 tf ,梁中點處之有效預力。假設簡 支梁之靜載重(含自重)為1.6 tf/m,試計算該簡支梁可承載之最大均布 活載重,計算斷面性質時可忽略預力鋼腱之貢獻。(25 分) [提示]T 型梁翼板之有效板寬不得超過該梁跨度之 1/4;梁腹每側懸出之 有效翼板寬度不得超過翼板厚之 8 倍或該梁與鄰梁間淨距之 1/2。