阿摩線上測驗
登入
首頁
>
鋼筋混凝土設計與預力混凝土設計
> 97年 - 97 專技高考_結構工程技師:鋼筋混凝土設計與預力混凝土設計#36312
97年 - 97 專技高考_結構工程技師:鋼筋混凝土設計與預力混凝土設計#36312
科目:
鋼筋混凝土設計與預力混凝土設計 |
年份:
97年 |
選擇題數:
0 |
申論題數:
5
試卷資訊
所屬科目:
鋼筋混凝土設計與預力混凝土設計
選擇題 (0)
申論題 (5)
【已刪除】一、有一懸臂梁及其斷面如圖一所示, A
s
=50 cm
2
, A'
s
=20 cm
2
, f'
c
=280 kgf/cm
2
, f
y
=4200 kgf/cm
2
,E
s
=2.04×10
6
kgf/cm
2
,n=8。若梁安裝後同時於 B 點施加一 2 tf 之集中載重,試問該集中載重及梁自重持續作用一年後 B 點之撓度為何?(20 分) (梁端撓度公式:
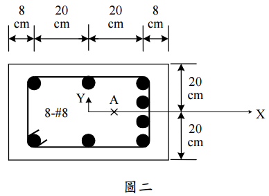
【已刪除】二、有一短柱,其斷面如圖二所示,f '
c
=350 kgf / cm
2
, f
y
=4200 kgf / cm
2
, E
s
= 2.04×10
6
kgf / cm
2
。壓力作用於 X 軸上之 A 點,右側為壓力側。若此柱斷面達到其 軸力計算強度P
n
時,拉力側鋼筋之應變剛好等於零,試求此時柱斷面所承受之彎矩 值為何?(25 分) (#8 鋼筋之斷面積為 5.07 cm
2
)
⑴此梁斷面之大小是否合適?(10 分)
⑵此梁斷面扭力鋼筋之配置是否合適?(15 分) (# 4 鋼筋之直徑為 1.27 cm,斷面積為 1.27 cm
2
)
【已刪除】四、有一簡支預力梁,其跨度為15 m,梁寬為30 cm,梁全深為70 cm,梁之 f '
c
=350 kgf/cm
2
。 在此梁中,預力損失後預力鋼鍵之有效預力為 200 tf。此梁在預力損失後開始吊裝, 並在其上澆置 15 cm 厚樓版,澆置後跨度中央梁與樓版之斷面如圖四所示,樓版之f '
c
= 280 kgf/cm
2
。當樓版硬化並與梁結合為一體後,再於樓版上施加均佈活載重。 若梁及樓版之混凝土壓應力均不得超過 0.45 f '
c
,亦不容許混凝土承受張應力,則樓 版上所能施加之最大均佈活載重為何?(30 分)