阿摩線上測驗
登入
首頁
>
鐵路◆電路學(概要)
> 97年 - 97 鐵路特種考試_高員三級_電子工程:電路學#38367
97年 - 97 鐵路特種考試_高員三級_電子工程:電路學#38367
科目:
鐵路◆電路學(概要) |
年份:
97年 |
選擇題數:
0 |
申論題數:
5
試卷資訊
所屬科目:
鐵路◆電路學(概要)
選擇題 (0)
申論題 (5)
【已刪除】一、如圖一所示,若 vo = A
v1
+ B
v2
,求 A-B=?(20 分)
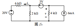
【已刪除】二、如圖二所示,求 i 及 v。(20 分)
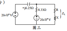
【已刪除】三、如圖三所示,設 Z
L
= R + jX,且 X = 2R,求負載 Z
L
可得之最大功率為多少?(電 壓為有效值)(20 分)
【已刪除】四、如圖四所示,求 i(t),t ≥ 0。設電容與電感之初始值為零。(20 分)
【已刪除】五、如圖五所示,求 I
1
及 V
o
之相量。設電源頻率 ω = 500 弳/秒,變壓器耦合係數 0.6。 (20 分)
相關試卷
113年 - 113-2 國營臺灣鐵路股份有限公司_從業人員甄試試題_第9階-技術員-電機:電路學概要#137155
113年 · #137155
113年 - 113 國營臺灣鐵路股份有限公司_從業人員甄試_第9階-技術員-電機:電路學概要#119078
113年 · #119078
112年 - 112 鐵路特種考試_高員三級_電力工程:電路學#114956
112年 · #114956
111年 - 111 鐵路特種考試_高員三級_電力工程、電子工程:電路學#108597
111年 · #108597
110年 - 110 鐵路特種考試_高員三級_電力工程、電子工程:電路學#101639
110年 · #101639
109年 - 109 鐵路特種考試_高員三級_電力工程、電子工程:電路學#87167
109年 · #87167
108年 - 108 鐵路特種考試_高員三級_電力工程、電子工程:電路學#76896
108年 · #76896
107年 - 107 鐵路特種考試_高員三級_電力工程、電子工程:電路學#69594
107年 · #69594
106年 - 106 鐵路特種考試_高員三級_電力工程、電子工程:電路學#62340
106年 · #62340
105年 - 105 鐵路特種考試_高員三級_電力工程、電子工程:電路學#60586
105年 · #60586