阿摩線上測驗
登入
首頁
>
技師◆材料力學
> 98年 - 98年外交領事人員、國際新聞人員、98年法務部調查局調查人員 、國家安全局國家安全情報人員、98年原住民族3等_土木工程#38226
98年 - 98年外交領事人員、國際新聞人員、98年法務部調查局調查人員 、國家安全局國家安全情報人員、98年原住民族3等_土木工程#38226
科目:
技師◆材料力學 |
年份:
98年 |
選擇題數:
0 |
申論題數:
4
試卷資訊
所屬科目:
技師◆材料力學
選擇題 (0)
申論題 (4)
【已刪除】一、試求圖示陰影面積之形心。(25 分)
【已刪除】二、有一L形懸臂梁(如下圖所示)端點受力P
1
=2 kN,P
2
=4 kN,梁斷面為 60 mm直 徑之圓形斷面,AB長 1.3 m,BC長 0.4 m,試求A斷面上p點與s點之最大、最小主應 力及最大剪應力。(25 分)
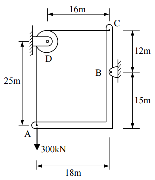
【已刪除】三、圖中 ABC 為剛性構件(rigid member),B 點為鉸支(hinge),D 點為無摩擦之滾 輪(pulley),繩索 ADC 為不可拉伸。已知滾輪半徑為 2 m,試計算繩索 ADC 之 張力與 B 點之反力(reaction)。(25 分)
【已刪除】四、如圖示之瞬間,物體 A 以速度 4 m/sec 向右運動,此時開始記錄運動的距離。已知 物體 A 質量 10 kg,物體 B 質量 20 kg,物體 A 與桌面之動摩擦係數µ
k
=0.3。若無 摩擦之滑輪及繩子重量忽略不計,試求當物體 A 向右運動 5 m 時,物體 A 的速度、加 速度及繩子的張力。(25 分)
相關試卷
114年 - 114 專技高考_結構工程技師:材料力學#133661
114年 · #133661
114年 - 114 專技高考_大地工程技師(ㄧ):材料力學#127506
114年 · #127506
113年 - 113 專技高考_結構工程技師:材料力學#123908
113年 · #123908
113年 - 113 專技高考_大地工程技師(ㄧ):材料力學#120298
113年 · #120298
112年 - 112 專技高考_結構工程技師:材料力學#117648
112年 · #117648
112年 - 112 專技高考_大地工程技師(ㄧ):材料力學#114622
112年 · #114622
111年 - 111 專技高考_結構工程技師:材料力學#111960
111年 · #111960
111年 - 111 專技高考_大地工程技師(一):材料力學#108382
111年 · #108382
110年 - 110 專技高考_結構工程技師:材料力學#104219
110年 · #104219
110年 - 110 專技高考_大地工程技師(一):材料力學#101386
110年 · #101386