阿摩線上測驗
登入
首頁
>
結構學概要與鋼筋混擬土學概要
> 98年 - 98 身心障礙特種考試_四等_土木工程:結構學概要與鋼筋混凝土學概要#35714
98年 - 98 身心障礙特種考試_四等_土木工程:結構學概要與鋼筋混凝土學概要#35714
科目:
結構學概要與鋼筋混擬土學概要 |
年份:
98年 |
選擇題數:
0 |
申論題數:
12
試卷資訊
所屬科目:
結構學概要與鋼筋混擬土學概要
選擇題 (0)
申論題 (12)
【已刪除】一、請畫出下圖之樑的剪力圖和彎矩圖,並請標明最大剪力與彎矩值。(25 分)
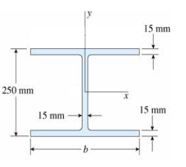
【已刪除】二、如下圖之H型鋼斷面,若欲使其強軸慣性矩Ix為弱軸慣性矩I
y
之三倍,試求出圖中斷 面翼板寬度b之大小。(25 分)
⑴一般建築結構之混凝土,其 28 天齡期之抗壓強度約為其抗拉強度之多少倍?
⑵一般建築結構之鋼筋與混凝土,其鋼筋之彈性模數Es約為混凝土之彈性模數Ec的 多少倍?
⑶一般建築結構之混凝土,其波松比(Poisson’s Ratio)約為多少?
⑷依據我國混凝土設計規範,鋼筋混凝土(RC)構材相鄰主筋之淨間距,不得小於 多少公分?
⑸依據我國混凝土設計規範,現場澆置之鋼筋混凝土(RC)樑、柱,若不受風雨且 不接觸土壤,其鋼筋之混凝土保護層厚度不得小於多少公分?
⑴RC柱之主筋斷面積Ast,不得超過多少百分比的RC柱全斷面積Ag?
⑵為避免主筋挫屈,矩形 RC 柱圍束箍筋之間距,不得超過多少倍的主筋直徑?
⑶矩形 RC 柱之圍束箍筋,其 135 度彎鉤之長度,不得小於多少倍的箍筋直徑?
⑷矩形 RC 柱之圍束繫筋(Cross-tie),其相鄰繫筋之間距不得超過多少公分?
⑸基於強柱弱樑之原則,於樑柱接合處,RC 柱之彎矩強度與 RC 樑之彎矩強度應 至少滿足何種規定?
相關試卷
114年 - 114 地方政府公務、離島地區公務特種考試_四等_土木工程:結構學與鋼筋混凝土學概要#134785
114年 · #134785
114年 - 114 原住民族特種考試_三等_土木工程:結構學與鋼筋混凝土學#130980
114年 · #130980
114年 - 114 原住民族特種考試_四等_土木工程:結構學與鋼筋混凝土學概要#130949
114年 · #130949
114年 - 114 普通考試_土木工程:結構學與鋼筋混凝土學概要#128751
114年 · #128751
114年 - 114 身心障礙特種考試_四等_土木工程:結構學與鋼筋混凝土學概要#126635
114年 · #126635
113年 - 113-2 國營臺灣鐵路股份有限公司_從業人員甄試試題_第10階-助理技術員-土木工程:結構學概要與鋼筋混凝土學大意#137204
113年 · #137204
113年 - 113 國營臺灣鐵路股份有限公司_從業人員甄試_第 10 階-助理技術員-土木工程:結構學概要與鋼筋混凝土學大意#137172
113年 · #137172
113年 - 113 地方政府公務、離島地區公務特種考試_四等_土木工程:結構學與鋼筋混凝土學概要#124558
113年 · #124558
113年 - 113 地方政府公務、離島地區公務特種考試_四等_土木工程:結構學與鋼筋混凝土學概要#124322
113年 · #124322
113年 - 113 原住民族特種考試_三等_土木工程:結構學與鋼筋混凝土學#122674
113年 · #122674