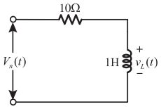
21. 如右圖電路,若 VL(t) = 10sin10tV,則 Vn(t) 為 [台中捷運 110]
(A)5sin(10t + 45°) V
(B)5sin(10t – 45°) V
(C)
sin(10t – 45°) V
(D)
sin(10t – 45°) V
答案:登入後查看
統計: A(1), B(0), C(0), D(3), E(0) #3839629
統計: A(1), B(0), C(0), D(3), E(0) #3839629