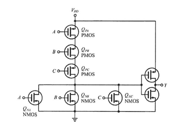
26.如圖所示MOSFET數位電路輸入與輸出關係為何?
(A) \( Y = A+B+C \)
(B) \( Y = \overline{A+B+C} \)
(C) \( Y = ABC \)
(D) \( Y = \overline{ABC} \)
答案:登入後查看
統計: 尚無統計資料
統計: 尚無統計資料