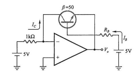
28.如圖所示電路,已知OPA為理想運算放大器,\( V_{BE}=0.7V \),\( V_{CE(sat)}=0.2V \),若 \( R_B=68k\Omega \),則 \( V_o \) 約為:
(A)-2.5V
(B)2.5V
(C)-5V
(D)5V

答案:登入後查看
統計: 尚無統計資料