阿摩線上測驗
登入
首頁
>
電子學
>
103年 - 103 鐵路特種考試_員級_電力工程、電子工程:電子學概要#43469
> 申論題
題組內容
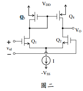
二、如圖二的差動放大器,各電晶體之特性相同,爾利電壓(Early Voltage) |V
A
|= 20V, 汲極飽和電流 I
D
= 4V
OV
2
(mA) ,其中 V
OV
為過驅電壓(Overdrive Voltage),單位為伏 特。若要此放大器之電壓增益 v
O
/v
id
=100V V ,求:
(二)等電流源 I 之值。(6 分)
相關申論題
(一)求在圖一(a)電路中之 VI 值,恰使電晶體工作在主動模式(active-mode)與飽 和模式(saturation-mode)之交界處。
#139920
(二)在圖一(b)電路,增加了一個 RE = 0.2 kΩ的電阻,重解題(一) 的 VI 值。
#139921
(一)電晶體 Q1、Q2 之過驅電壓 VOV1 、 VOV 2 之值。(6 分)
#139922
(三)各電晶體之輸出電阻 ro 之值。(4 分)
#139924
(四)電晶體 Q1、Q2 之 gm 值。(4 分)
#139925
(一)求此放大器在中頻之電壓增益 A M = v O/ v sig 之值。
#139926
(二)若要此放大器之低 3-dB 頻率ωL = 1000 rad/sec,則 CS 至少應多大?
#139927
(三)若此電晶體之極間寄生電容 Cgs = 1 pF,Cgd = 0.2 pF,則此放大器之高 3-dB 頻率ωH 有多大?(提示:可運用米勒定理)
#139928
(四)若要提高ωH 值,該 Rsig 及 RD 值應如何調變(調大或調小)。
#139929
(一)若為理想的運算放大器,即 μ→∞ , R id →∞ , ro → 0 ,求此回授放大器的閉迴 路增益 v O /v S 、輸入電阻 Rif 及輸出電阻 Rof 之值。
#139930
相關試卷
115年 - 115-1 臺北市立大安高工教師甄選試題_電子/控制科:電子學#138452
115年 · #138452
115年 - 115 國營臺灣鐵路股份有限公司從業人員_甄試試題_第10階-助理技術員-電力、電務:電子學概要#138261
115年 · #138261
114年 - 114 地方政府公務特種考試_三等_電力工程、電子工程、電信工程:電子學#134800
114年 · #134800
114年 - 114 地方政府公務特種考試_四等_電力工程、電子工程、電信工程:電子學概要#134742
114年 · #134742
114年 - 114 專技高考_電子工程技師:電子學#133712
114年 · #133712
114年 - 114 公務升官等考試_薦任_電力工程、電子工程、電信工程:電子學#133247
114年 · #133247
114年 - 114 原住民族特種考試_四等_電子工程:電子學概要#130947
114年 · #130947
114年 - 114 專技高考_專利師(選試專業英文及電子學)、專利師(選試專業日文及電子學):電子學#130110
114年 · #130110
114年 - 114 普通考試_電力工程、電子工程、電信工程:電子學概要#128790
114年 · #128790
114年 - 114 高等考試_三級_電力工程、電子工程、電信工程:電子學#128768
114年 · #128768