阿摩線上測驗
登入
首頁
>
電子學
>
96年 - 96 專利商標審查特種考試_三等_電子工程、控制工程、電信工程:電子學(重複)#49354
> 申論題
題組內容
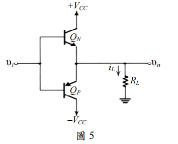
五、圖 5 所示為 B 類輸出級,其中 V
CC
= 6 V,R
L
= 4 Ω。假如輸出為弦波,峰值振幅為 4.5V,
⑵由每個電源供應器抽出的平均功率;
相關申論題
⑴請推導其轉換 函數 Vo/Vi,(5 分)
#173602
⑵設計 R1,R2 及 C 之值,使輸入電阻為 10 kΩ,高頻增益為 40 db ,3-dB 頻率為 100 Hz,(10 分)
#173603
⑶求增益為 0 db 之頻率。(5 分) R2 R1 C Vi Vo 圖1
#173604
⑴繪出轉移特性;
#173605
⑵繪出 υo 之波形;
#173606
⑶試求 υo 之平均值;
#173607
⑷試求二極體之峰值電流;
#173608
⑸試求二極體之峰值反向電壓(PIV)。(20 分)
#173609
⑴畫出迴路增益的波德圖。(5 分)
#173611
⑵求| Aβ | = 1 時的頻率。(5 分)
#173612
相關試卷
115年 - 115-1 臺北市立大安高工教師甄選試題_電子/控制科:電子學#138452
115年 · #138452
115年 - 115 國營臺灣鐵路股份有限公司從業人員_甄試試題_第10階-助理技術員-電力、電務:電子學概要#138261
115年 · #138261
114年 - 114 地方政府公務特種考試_三等_電力工程、電子工程、電信工程:電子學#134800
114年 · #134800
114年 - 114 地方政府公務特種考試_四等_電力工程、電子工程、電信工程:電子學概要#134742
114年 · #134742
114年 - 114 專技高考_電子工程技師:電子學#133712
114年 · #133712
114年 - 114 公務升官等考試_薦任_電力工程、電子工程、電信工程:電子學#133247
114年 · #133247
114年 - 114 原住民族特種考試_四等_電子工程:電子學概要#130947
114年 · #130947
114年 - 114 專技高考_專利師(選試專業英文及電子學)、專利師(選試專業日文及電子學):電子學#130110
114年 · #130110
114年 - 114 普通考試_電力工程、電子工程、電信工程:電子學概要#128790
114年 · #128790
114年 - 114 高等考試_三級_電力工程、電子工程、電信工程:電子學#128768
114年 · #128768