阿摩線上測驗
登入
首頁
>
港務局◆電力系統與電路學
>
107年 - 107 臺灣港務股份有限公司新進從業人員甄試_師級_電機:電力系統與電路學#83180
> 申論題
申論題
試卷:107年 - 107 臺灣港務股份有限公司新進從業人員甄試_師級_電機:電力系統與電路學#83180
科目:港務局◆電力系統與電路學
年份:107年
排序:0
申論題資訊
試卷:
107年 - 107 臺灣港務股份有限公司新進從業人員甄試_師級_電機:電力系統與電路學#83180
科目:
港務局◆電力系統與電路學
年份:
107年
排序:
0
題組內容
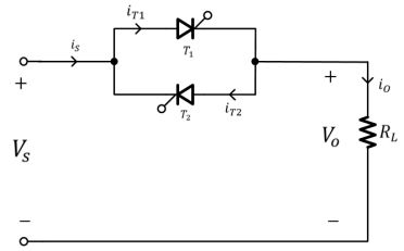
2.如下圖,單相交流開關應用於一 120V,60Hz 之電源與一電感性負載之間。負載功率為 5kW,功率因數為 0.88 滯後。
申論題內容
試求(1)閘流體 T
1
與 T
2
之電壓與電流額定