阿摩線上測驗
登入
首頁
>
電子學
>
100年 - 100 鐵路特種考試_員級_電力工程、電子工程:電子學概要#45656
> 申論題
申論題
試卷:100年 - 100 鐵路特種考試_員級_電力工程、電子工程:電子學概要#45656
科目:電子學
年份:100年
排序:0
申論題資訊
試卷:
100年 - 100 鐵路特種考試_員級_電力工程、電子工程:電子學概要#45656
科目:
電子學
年份:
100年
排序:
0
題組內容
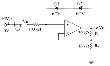
三、如圖所示:
申論題內容
⑴求出上激發點(UTP)及下激發點(LTP)電壓。(10 分)
詳解 (共 1 筆)
詳解
提供者:quenshien
這題我也不會