阿摩線上測驗
登入
首頁
>
電子學
>
104年 - 104 原住民族特種考試_三等_電力工程:電子學#41077
> 申論題
申論題
試卷:104年 - 104 原住民族特種考試_三等_電力工程:電子學#41077
科目:電子學
年份:104年
排序:0
申論題資訊
試卷:
104年 - 104 原住民族特種考試_三等_電力工程:電子學#41077
科目:
電子學
年份:
104年
排序:
0
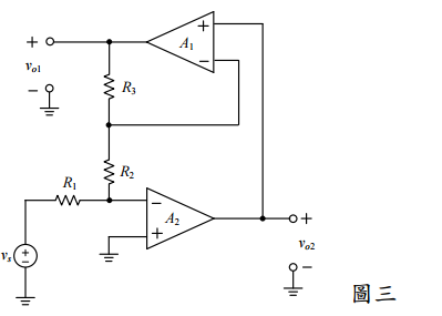
題組內容
三、圖三運算放大器(OPA)電路,其中若 A
1
和 A
2
均為理想運算放大器且特性均相 同,試求:
申論題內容
⑴輸出電壓 v
o2
=?(10 分)