阿摩線上測驗
登入
首頁
>
電子學
>
105年 - 105 普通考試_電力工程、電子工程、電信工程:電子學概要#54615
> 申論題
申論題
試卷:105年 - 105 普通考試_電力工程、電子工程、電信工程:電子學概要#54615
科目:電子學
年份:105年
排序:0
申論題資訊
試卷:
105年 - 105 普通考試_電力工程、電子工程、電信工程:電子學概要#54615
科目:
電子學
年份:
105年
排序:
0
題組內容
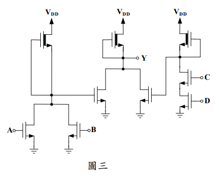
四、請依圖三所示數位電路,回答下列問題:
申論題內容
⑵列出 Y 與輸入 A、B、C、D 間的真值表。 (10 分)