阿摩線上測驗
登入
首頁
>
電子學
>
101年 - 101 原住民族特種考試_三等_電力工程:電子學#44601
> 申論題
題組內容
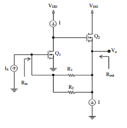
三、下圖所示之反饋電路,其中兩個電晶體的特性相同,同時皆有I = 1 mA之理想電流 偏壓,電晶體工作於VOV(overdrive voltage)= 0.2 V,另外V
t
(threshold voltage, 臨 限電壓)= 0.5 V、V
A
(Early voltage)= 20 V、R
1
= 10 kΩ、R
2
= 10 kΩ。試求:
⑵A
f
(A
f
= V
o
/ I
s
)、R
in
及R
out
之值。(10 分)
相關申論題
一、請說明二極體在 p-n 接面之空乏區(depletion region)如何形成?同時說明二極體加 順向偏壓及反向偏壓時空乏區之變化。(20 分)
#147469
二、假設NMOS元件在閘極及源極加適當VGS 電壓,同時在汲極及源極加適當VDS 電壓 ,讓元件導通於三極管區(triode region),然後VDS再增加時,其IDS電流的變化為 何?同時說明其原因。(20 分)
#147470
⑴Q1及Q2之gm和ro之值。(10 分)
#147471
四、請說明如何調整巴特沃濾波器(Butterworth filters)參數以得到所需之Amin及過渡帶 (transition band)?(20 分)
#147473
⑴AM(midband gain)之值。(10 分)
#147474
⑵ 3 dB頻率fH之值。(10 分)
#147475
6. 已知下圖疊接放大電路之MOSFET參數K₁=K₂=0.5mA/V²,靜態汲極電流ID為0.5mA,則電路之gm為?
#566892
5. 如圖所示電路,Vi=3.77cos377tV,R=100kΩ,C=1μF,電容電壓初值為零,則輸出電壓Vo為?
#566891
4. 如圖所示電路,若運算放大器具理想特性且Vo=12V,試求電流源I1為?
#566890
3. 如圖所示主動式帶通濾波器,其高頻截止頻率為fH,低頻截止頻率為fL,若C₂=5C₁,R₂=4R₁,則fH/fL為?
#566889
相關試卷
115年 - 115-1 臺北市立大安高工教師甄選試題_電子/控制科:電子學#138452
115年 · #138452
115年 - 115 國營臺灣鐵路股份有限公司從業人員_甄試試題_第10階-助理技術員-電力、電務:電子學概要#138261
115年 · #138261
114年 - 114 地方政府公務特種考試_三等_電力工程、電子工程、電信工程:電子學#134800
114年 · #134800
114年 - 114 地方政府公務特種考試_四等_電力工程、電子工程、電信工程:電子學概要#134742
114年 · #134742
114年 - 114 專技高考_電子工程技師:電子學#133712
114年 · #133712
114年 - 114 公務升官等考試_薦任_電力工程、電子工程、電信工程:電子學#133247
114年 · #133247
114年 - 114 原住民族特種考試_四等_電子工程:電子學概要#130947
114年 · #130947
114年 - 114 專技高考_專利師(選試專業英文及電子學)、專利師(選試專業日文及電子學):電子學#130110
114年 · #130110
114年 - 114 普通考試_電力工程、電子工程、電信工程:電子學概要#128790
114年 · #128790
114年 - 114 高等考試_三級_電力工程、電子工程、電信工程:電子學#128768
114年 · #128768