阿摩線上測驗
登入
首頁
>
1.電路學 2.電子學
>
108年 - 108 司法、調查特種考試_三等_檢察事務官電子資訊組、電子科學組:電子學與電路學#78611
> 申論題
題組內容
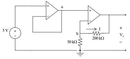
一、下圖電路之放大器為理想運算放大器 理想運算放大器,求圖中:
⑶輸出電壓 V
o
?(10 分)
相關申論題
⑴ a 點電壓?(5 分)
#320094
⑵ b 點電壓?(5 分)
#320095
⑷電流 I?(5 分)
#320097
⑴ s-domain 等效電路? ?(5 分)
#320098
⑵ s-domain 之電感電流 電感電流 IL(s)?(5 分)
#320099
⑶時域(t-domain)之之電感電流 iL(t)?(15 分) iL((t)
#320100
⑴ 試 寫 出 M1 電 晶 體 汲 極 電 流 ( drain current ) 與 閘 極 對 源 極 電 壓 (gate-source source voltage)之關係式?(5分)
#320101
⑵試推導下圖電路中 Vout 與 Vin 之關係式?(10 分)
#320102
⑶說明此運算放大器電路可執行 說明此運算放大器電路可執行之數學運算?(10 分 分)
#320103
⑴直流分析?(5 分)
#320104
相關試卷
114年 - 114 司法、調查特種考試_三等_檢察事務官電子資訊組、電子科學組:電子學與電路學#129595
114年 · #129595
114年 - 114 關務特種考試_三等_電機工程(選試英文):電子學與電路學#126652
114年 · #126652
113年 - 113 司法、調查特種考試_三等_檢察事務官電子資訊組、電子科學組:電子學與電路學#122097
113年 · #122097
113年 - 113 關務特種考試_三等_電機工程(選試英文):電子學與電路學#119480
113年 · #119480
112年 - 112 台灣電力公司_大學及研究所獎學金甄選試題_電驛:電路學及電子學#129470
112年 · #129470
112年 - 112 司法、調查特種考試_三等_檢察事務官電子資訊組、電子科學組:電子學與電路學#116222
112年 · #116222
112年 - 112 關務特種考試_三等_電機工程:電子學與電路學#113915
112年 · #113915
111年 - 111 司法、調查特種考試_三等_檢察事務官電子資訊組、電子科學組:電子學與電路學#110322
111年 · #110322
111年 - 111 關務特種考試_三等_電機工程:電子學與電路學#107561
111年 · #107561
110年 - 110 中華郵政股份有限公司_職階人員甄試試題_營運職/電機工程:電路學與電子學#106541
110年 · #106541