所屬科目:專科學力鑑定◆專(二):機械元件設計
5. 物體上某點之應力為 = 280 MPa。 利用Mises-Hencky畸變能理論求安全係數? (A) 1.13 (B) 1.42 (C) 1.94 (D) 2.45
6. 如圖兩平板對頭焊接,其板厚為 30mm,焊道長度為 500mm,拉力為 15000 N,拉應力強度 為何? (A) 1MPa (B) 2MPa (C) 3MPa (D) 4MPa
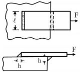
20. 有一兩端填角之搭接焊接如圖所示。焊縫長度 λ 為 120 mm,焊縫寬度 h 為 10 mm。若沿 焊縫長度之垂直方向承受5.5噸之拉力F時,喉部面積上的平均剪應力為何? (A) 1.12 kg/mm2 (B) 2.32 kg/mm2 (C) 3.24 kg/mm2 (D) 4.22 kg/mm2
27. 如圖所示之齒輪系,當軸之轉速為50 rpm,求輸出軸之轉速為若干? (A) 100 rpm (B) 200 rpm (C) 300 rpm (D) 400 rpm
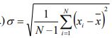
32. 下列有關機率統計樣本「標準差(σ)」的敘述何者不正確? (A) ,其中 i x :第i個變數, x :所有 i x 的算術平均值 (B) 為變異數的平方根 (C) 反應樣本空間內個體之間的離散程度 (D) 可為任何實數值
34. 一機械元件有 200000 次的循環壽命,30 %時間承受應力 σ1 = 100 MPa,60 % 時間承受應力 = 60 MPa 時, 由S-N曲線得知N2=800000週轉;試求所餘的時間於S-N曲線中的循環壽命? (A) 80000 週轉 (B) 90000 週轉 (C) 70000 週轉 (D) 60000週轉