阿摩線上測驗
登入
首頁
>
電子學
> 104年 - 104 普通考試_電力工程、電子工程、電信工程:電子學概要#42784
104年 - 104 普通考試_電力工程、電子工程、電信工程:電子學概要#42784
科目:
電子學 |
年份:
104年 |
選擇題數:
0 |
申論題數:
7
試卷資訊
所屬科目:
電子學
選擇題 (0)
申論題 (7)
⑴畫出 V
o1
(t) 並說明電路操作原理。(10 分)
⑵畫出 V
o2
(t),並說明電路操作原理。(10 分)
【已刪除】二、圖二電路中電晶體導通時 |VBE| = 0.7 V,Q
1
之直流電流增益 β1 = 9,Q
2
之 β
2
= 20, 求集極直流電流 IC
1
與 IC
2
。分析時假設電晶體工作區必須驗證。(20 分)
【已刪除】三、圖三 MOSFET 電晶體小信號參數為 g
mk
與 r
ok
,偏壓電流源 I
k
之輸出電阻為 R
ok
, k = 1,2。畫出小信號等效電路,並推導電壓增益 A
v
= v
o
/v
s
之數學式。(20 分)
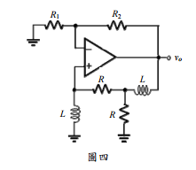
【已刪除】四、圖四振盪器使用理想運算放大器。推導電路之迴路增益(loop gain)為頻率函數, 以所得之結果說明振盪條件、振盪頻率與元件值之關係。(20 分)
⑴從 Q
A
Q
B
Q
C
= 000 開始,畫出 Q
A
、Q
B
與 Q
C
之波形。(12 分)
⑵ Q
B
與 Q
C
之頻率為何?(8 分)
相關試卷
115年 - 115-1 臺北市立大安高工教師甄選試題_電子/控制科:電子學#138452
115年 · #138452
115年 - 115 國營臺灣鐵路股份有限公司從業人員_甄試試題_第10階-助理技術員-電力、電務:電子學概要#138261
115年 · #138261
114年 - 114 地方政府公務特種考試_三等_電力工程、電子工程、電信工程:電子學#134800
114年 · #134800
114年 - 114 地方政府公務特種考試_四等_電力工程、電子工程、電信工程:電子學概要#134742
114年 · #134742
114年 - 114 專技高考_電子工程技師:電子學#133712
114年 · #133712
114年 - 114 公務升官等考試_薦任_電力工程、電子工程、電信工程:電子學#133247
114年 · #133247
114年 - 114 原住民族特種考試_四等_電子工程:電子學概要#130947
114年 · #130947
114年 - 114 專技高考_專利師(選試專業英文及電子學)、專利師(選試專業日文及電子學):電子學#130110
114年 · #130110
114年 - 114 普通考試_電力工程、電子工程、電信工程:電子學概要#128790
114年 · #128790
114年 - 114 高等考試_三級_電力工程、電子工程、電信工程:電子學#128768
114年 · #128768