阿摩線上測驗
登入
首頁
>
電子學
>
104年 - 104 普通考試_電力工程、電子工程、電信工程:電子學概要#42784
> 申論題
申論題
試卷:104年 - 104 普通考試_電力工程、電子工程、電信工程:電子學概要#42784
科目:電子學
年份:104年
排序:0
申論題資訊
試卷:
104年 - 104 普通考試_電力工程、電子工程、電信工程:電子學概要#42784
科目:
電子學
年份:
104年
排序:
0
題組內容
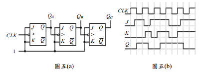
五、圖五(a)為 JK 正反器組成之計數器,圖五(b)為單一個 JK 正反器之時序表,CLK 為頻率 8 kHz 對稱之方波時脈(clock),電路在操作之前,Q
A
Q
B
Q
C
= 000。
申論題內容
⑴從 Q
A
Q
B
Q
C
= 000 開始,畫出 Q
A
、Q
B
與 Q
C
之波形。(12 分)