阿摩線上測驗
登入
首頁
>
電子學
>
104年 - 104 普通考試_電力工程、電子工程、電信工程:電子學概要#42784
> 申論題
申論題
試卷:104年 - 104 普通考試_電力工程、電子工程、電信工程:電子學概要#42784
科目:電子學
年份:104年
排序:0
申論題資訊
試卷:
104年 - 104 普通考試_電力工程、電子工程、電信工程:電子學概要#42784
科目:
電子學
年份:
104年
排序:
0
題組內容
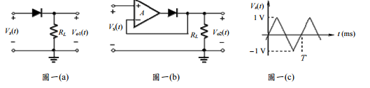
一、圖一(a)與圖一(b)中,RL = 1 k Ω ,二極體導通時跨壓為 0.7 V,運算放大器之開路增 益 Av = 1000 V/V,兩元件之其他特性均為理想。V
s
(t)如圖一(c)所示,週期 T = 1 毫 秒。
申論題內容
⑵畫出 V
o2
(t),並說明電路操作原理。(10 分)