阿摩線上測驗
登入
首頁
>
初等/五等/佐級◆電子學大意
> 105年 - 105 初等考試_電子工程:電子學大意#38334
105年 - 105 初等考試_電子工程:電子學大意#38334
科目:
初等/五等/佐級◆電子學大意 |
年份:
105年 |
選擇題數:
40 |
申論題數:
0
試卷資訊
所屬科目:
初等/五等/佐級◆電子學大意
選擇題 (40)
1 有關一個理想運算放大器之敘述,下列何者錯誤? (A)直流偏壓在主動區 (B)輸入電流為零 (C)共模輸出訊號是無限大 (D)輸出端可當作一輸出阻抗為零之理想電源
2 如圖所示電路,一個理想反相運算放大器,若 R
1
= 20 kΩ、R
2
= 100 kΩ,當 V
i
= 0.2 V 時,求流經 R
2
電流為多少? (A)2 μA (B)10 μA (C)20 μA (D)0.2 mA
3 如圖所示 CMOS 反相器電路,使用電壓源為+3.3 V,反相器之輸出負載為一個電容 C
L
= 1 pF,若輸 入訊號 v
I
之交換頻率為 1 MHz,則此電路之消耗功率約為多少? (A)3 μW (B)6 μW (C)11 μW (D)4 μW
4 場效電晶體在飽和區(saturation region)的有限輸出阻抗,是由於: (A)本體效應(Body effect) (B) 通道長度調變效應(Channel length modulation effect) (C)溫度效應(Temperature effect) (D) 密勒效應(Miller effect)
5 雙極性接面電晶體(BJT)的轉導值(Transconductance)g
m
定義為:
6 如圖所示電路,一個理想運算放大器,若運算放大器之飽和電壓為 ±14 V,在其飽和前,i
L
的最大值約為何?(A)4.7 mA(B)4 mA(C)2 mA(D)1.4 mA
7 下列那一個元件的端點數最多?(A)電阻 (B)二極體 (C)雙極性接面電晶體 (D) MOS 電晶體
8 有關 P-N 接面二極體之敘述,下列何者錯誤? (A)溫度越高,雪崩式崩潰(Avalanche breakdown)之崩潰電壓越大 (B)溫度越高,稽納式崩潰(Zener breakdown)之崩潰電壓越大 (C)雜質濃度較濃之一側,空乏區較小 (D)逆向偏壓時,一般不考慮擴散電容(diffusion capacitance)
9 如圖所示電路,若二極體為理想二極體,當 V
i
= 11 V 時,V
o
為多少伏特? (A)11 (B)9 (C)7 (D)5
10 如圖所示電路,稽納二極體(Zener Diode)的 V
Z
= 6 V,崩潰的最小工作電流 I
ZK
= 2 mA,欲稽納 二極體在崩潰區工作,有關電阻 R
L
的敘述,下列何項正確? (A)最大值為 1 kΩ (B)最小值為 1 kΩ (C)最大值為 750 Ω (D)最小值為 750 Ω
11 如圖所示電路,輸入電壓 v
i
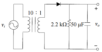
為一交流弦波,有效值為 100 V,頻率為 60 Hz,二極體導通之壓降為 0.7 V,則其輸出之漣波值約為何? (A)0.2 V (B) 2 V (C)6 V (D) 10 V
12 當稽納二極體(Zener Diode)做穩壓電路(regulator)時,操作在何區域? (A)崩潰(Breakdown)區 (B)順向偏壓區 (C)逆向偏壓區,但尚未崩潰 (D)原點
13 如圖所示理想運算放大器電路,v
I
為輸入電壓、v
O
為輸出電壓,本電路為: (A)濾波電路 (B)箝位電路 (C)截波電路 (D)倍壓電路
14 二極體接逆向偏壓時,其空乏區將如何變化? (A)不變 (B)變寬 (C)變小 (D)不一定
15 有關共射極放大器的特性,下列敘述何者正確? (A)電流增益為α,輸出與輸入電壓相位差 180° (B)電流增益為β,輸出與輸入電壓相位差 0° (C)電流增益為α,輸出與輸入電壓相位差 0° (D)電流增益為β,輸出與輸入電壓相位差 180°
16 雙極性接面電晶體(BJT)之共基極電流增益 α = 0.98,試問:其共射極電流增益 β 為多少? (A) 49 (B)70 (C)98 (D)198
17 如圖所示電路,當輸入電壓 v
I
= 0 時,輸出電壓 v
O
為: (A)+VCC(B)0(C)-0.7 V(D)-VCC
18 如圖所示雙極性接面電晶體(BJT)電路,若電晶體 β = 100,電流 I = 1 mA,則電壓增益 A
v
約為若 干? (A)-40 (B)-20 (C)-10 (D)-5
19 如圖所示放大器,若電晶體操作於飽和區,電流源為理想,且忽略元件之寄生電容效應,下列敘述 何者錯誤? (A)增加 V
bias
將提高放大器之電壓增益 (B)增加 C 值可降低放大器之低頻 3-dB 頻率ωL (C)增加電晶體之 W/L 可提高放大器之電壓增益 (D)增加 R
L
可提高放大器之電壓增益
20 在下列 MOS 電晶體放大器組態中,以那一種放大器具有最小的輸入電阻? (A)共源(CS)放大器 (B)共閘(CG)放大器 (C)共汲(CD)放大器 (D)疊接(Cascode)放大器
21 如圖所示電路,若 BJT 操作在順向主動區(forward active region)且轉導值(g
m
)為 10 mA/V,電晶 體之 β = 10,元件之輸出阻抗(r
o
)= 10 kΩ,試求輸出阻抗(R
o
)約為多少? (A)2.5 kΩ (B)4.5 kΩ (C)6.5 kΩ (D)8.5 kΩ
22 雙極性接面電晶體(BJT)在截止區(Cutoff Region)操作下,其偏壓施加方式為: (A)BE 間逆偏,CB 間順偏 (B)BE 間順偏,CB 間逆偏(C)BE 及 CB 間均逆偏 (D)BE 及 CB 間均順偏
23 如圖所示電路,若 MOSFET 操作在飽和區(Saturation Region)且轉導值(g
m
)為 1 mA/V,輸出阻 抗(r
o
)為 10 kΩ,其增益值 V
o
/ V
i
為何? (A)10 V/V (B)5 V/V (C)2.5 V/V (D)1.25 V/V
24 一個長通道 N 增強型 MOSFET,V
th
= 1 V,當 V
GS
= 3 V、V
DS
= 4.5 V 時,I
D
= 0.8 mA;當 V
GS
= 2 V、 V
DS
= 4.5 V 時,I
D
為何? (A)0.8 mA (B)0.4 mA (C)0.2 mA (D)0.1 mA
25 一 N 通道增強型 MOSFET 的 V
t
= 2 V,若 V
G
= 3 V 且 V
S
= 0 V,又此元件工作於三極區(Triode Region),則汲極的電壓 V
D
約為: (A)2.5 V (B)2.0 V (C)1.5 V (D)0.5 V
26 若 MOSFET 電晶體操作於飽和區(Saturation Region),有關其小訊號模型的敘述,下列何者錯誤? (A)電流 I
D
越大,則轉導值(g
m
)越小(B)C
gs
>C
gd
(C)I
D
越大,r
o
越小(D)過驅電壓越大(Overdrive Voltage),則轉導值(g
m
)越大
27 有關 MOSFET 的單一增益頻率(Unity-gain frequency)的敘述,下列何者正確? (A)單一增益頻率值與外部電路元件相關 (B)單一增益頻率值與轉導值成反比 (C)共源極架構中短路電流增益為 1 時之頻率 (D)共源極架構中開路電壓增益為 1 時之頻率
28 共源極放大器之低頻 3-dB 頻率,通常以下列何種電容為主要考慮因素? (A)輸入端耦合電容 (B)輸出端耦合電容 (C)源極旁路電容 (D)電晶體內部電容
29 某放大器的輸入與輸出端之間有一跨接電容 C
1
= 2 pF,其電壓增益為 V
O
/ V
I
= -100 V/V。若輸出端 至地之等效電容為 C
2
,試求 C
2
/ C
1
的比值? (A)接近 0 (B)接近 1 (C)接近 50 (D)接近 100
30 已知 A 及 B 為兩個獨立的電壓放大器,其電壓增益分別為 A
1
及 A
2
,輸入阻抗分別為 R
i1
及 R
i2
,輸 出阻抗分別為 R
o1
及 R
o2
;若將 A 的輸出端連接至 B 的輸入端,則整體的電壓增益為何?(A) A
1
+A
2
(B)A
1
A
2
(C)
(D)
31 一直流增益 80 dB 的運算放大器具有一單極點頻率響應,其單一增益頻率(unity-gain frequency)為 f
t
= 10 MHz,被用來設計一直流增益為 100 的非反相放大器,求此非反相放大器的單一增益頻率值? (A)100 kHz (B)1 MHz (C)10 MHz (D)100 MHz
32 有一差動放大器,其一端輸入 V
i1
= 100 μV,另一端輸入 V
i2
= 50 μV,且此放大器之差模增益 A
d
為 100, 而共模拒斥比(CMRR)為 10,則其輸出電壓為何? (A)2.75 mV (B)3.75 mV (C)4.75 mV (D)5.75 mV
33 如圖所示電路,若 MOSFET 操作在飽和區(Saturation Region)且轉導值(g
m
)為 1 mA/V;BJT 操 作在主動區(forward active region)且轉導值(g
m
)為 10 mA/V,β = 40。若忽略元件之輸出阻抗(r
o
),試求 V
o
/ V
i
之值? (A)-400 (B)-100 (C)-80 (D)-40
34 如圖所示韋恩電橋(Wien-Bridge)振盪器,其振盪角頻率為何? (A) 1k rad/s (B)2k rad/s (C)5k rad/s (D)10k rad/s
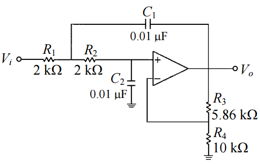
35 如圖所示低通濾波器電路之 3 分貝(或截止)頻率約為多少? (A)3 kHz (B)5 kHz (C)6 kHz (D)8 kHz
36 有關 Butterworth 低通濾波器的敘述,下列何者錯誤? (A)可濾除高頻信號(B)濾波器轉移函數只有極點頻率,沒有零點頻率(C)當階數愈低,愈接近理想低通濾波器的濾波特性(D)當階數愈高,通帶的平坦性愈佳
37 如圖所示波形產生電路,U
1
為理想運算放大器,且飽和電壓(Saturation voltage)為 +10 V 與 -10 V。 對於電容 C 兩端電壓 V
C
可能之波形,下列敘述何者正確?(A)接近正弦波(B)接近方波(C)接近三角波(D)接近一直流準位
38 如圖所示差動對電路,電晶體之 β = 100,r
o
→∞,R
C
= 4 kΩ,I = 2 mA,V
CC
= -V
EE
= 10 V,取 V
BE(on)
= 0.7 V,V
CE(sat)
= 0.3 V,V
T
= 25 mV,當 v
B1
= v
B2
= 0 時,i
C1
(i
C2
)之值約為何? (A)0 mA (B)0.01 mA (C)1 mA (D)2 mA
39 如圖所示電路,若 MOSFET 操作在飽和區(Saturation Region)且轉導值(g
m
)為 1 mA/V,忽略其 輸出阻抗(r
o
),該放大器之高頻 3-dB 頻率(ωH)為何?(A) 1 GHz(B)20 MHz(C)1.59 MHz(D)318 kHz
40 如圖所示放大器(其偏壓未示),若電晶體的轉導參數為 g
m
,輸出電阻為 r
o
,則此放大器的輸出電 阻 R
O
約為何? (A)R
C
(B)R
E
(C)r
o
+ R
C
(D)r
o
+ R
E
申論題 (0)
相關試卷
115年 - 115 初等考試_電子工程:電子學大意#136710
115年 · #136710
114年 - 114 初等考試_電子工程:電子學大意#124880
114年 · #124880
113年 - 113 初等考試_電子工程:電子學大意#118527
113年 · #118527
112年 - 112 地方政府特種考試_五等_電子工程:電子學大意#118362
112年 · #118362
112年 - 112 鐵路、國家安全情報特種考試_佐級、五等_電子工程、電子組:電子學大意#114944
112年 · #114944
112年 - 112 身心障礙特種考試_五等_電子工程:電子學大意#113943
112年 · #113943
112年 - 112 初等考試_電子工程:電子學大意#112891
112年 · #112891
111年 - 111 地方政府特種考試_五等_電子工程:電子學大意#112600
111年 · #112600
111年 - 111 鐵路特種考試_佐級_電子工程:電子學大意#108515
111年 · #108515
111年 - 111 初等考試_電子工程:電子學大意#105667
111年 · #105667