所屬科目:電工原理
5.如【圖 5】所示電路,試問 B 點電位為多少? (A) 20 V (B) 30 V (C) 40 V (D) 50 V
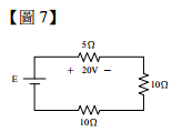
7.如【圖 7】所示電路,試求總電壓 E=? (A)100V(B)80 V (C) 60 V (D) 40 V
9.如【圖 9】所示電路,試求總電流為多少安培? (A) 2A (B) 4A (C) 6A (D) 8A
11.如【圖 11】所示電路,試求 I=? (A) 9 A (B) 8 A (C) 7 A (D) 6 A
15.某一線圈其匝數有 1000 匝,今有一電流如【圖 15】所示通過該線圈,試問在時間為 t 秒時,此線 圈之感應電壓為多少伏特? (A) -10 V (B) 10 V (C) 5 V (D) 0 V
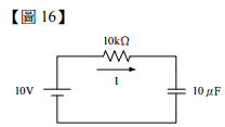
16.如【圖 16】所示電路,假設此電路已達穩態,試問電路電流 I 之大小為何? (A) 0 A (B) 1 mA (C) 2 mA (D) 3 mA
19.如【圖 19】所示電路,試問 VL=? (A) 40 V (B) 60 V (C) 80 V (D) 100 V
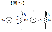
25.如【圖 25】所示電路,電流 I1 為多少安培? (A) 1 (B) 2 (C) 8 (D) 9
28.在【圖 28】中的每個電容器皆為 1 法拉,則 ab 兩端的等效電容為多少法拉? (A) 0.25 (B) 0.75 (C) 2 (D) 4
29.某導體置於如【圖 29】所示的磁場中,代表導體之電流方向為流入紙面,則導體受力方向為何? (A)向上 (B)向下 (C)向左 (D)向右
32.如【圖 32】所示,Δ型電阻網路為 Y 型電阻網路的等效電路,試求電阻 RCA為多少 Ω? (A) 15 (B) 20 (C) 30 (D) 50
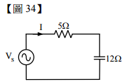
34.如【圖 34】所示電路,若電壓源 VS=39∠0° 伏特,則電流 I 的大小為多少安培? (A) 3 (B) 4 (C) 5 (D) 6
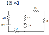
36.如【圖 36】所示電路,若 R 要獲得最大功率,則 R=? (A) 10 Ω (B) 18 Ω (C) 21 Ω (D) 24 Ω
38.如【圖 38】所示電路,試問需要多久時間此電路才會達到穩態? (A) 1 秒 (B) 5 秒 (C) 12 秒 (D) 25 秒
39.如【圖 39】所示,試計算等效並聯電路之 R 值為何? (A) 2 Ω (B) 4 Ω (C) 5 Ω (D) 10 Ω
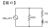
41.如【圖 41】所示電路,試求總有效功率為何? (A) 500 W (B) 1000 W (C) 1500 W (D) 2000 W
43.如【圖 43】所示電路,試求 R=? (A) 1 Ω (B) 3 Ω (C) 5 Ω (D) 6 Ω
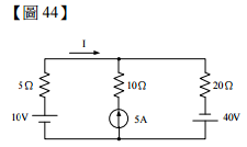
44.如【圖 44】所示電路,試求 I=? (A) 4 A (B) 2 A (C) -2 A (D) -1 A
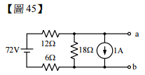
45.如【圖 45】所示電路,a、b 兩端之戴維寧等效電阻為多少歐姆? (A) 8 (B) 9 (C) 10 (D) 14
49.如【圖 49】所示之週期性電流波形 i(t),此電流之有效值約為多少安培? (A) 15 (B) 20 (C) 23.1 (D) 28.3
50.某負載由電阻與電感並聯組成,若電阻為 RΩ、電感抗為 XΩ,則負載的功率因數為:
(A) (B) (C) (D)