所屬科目:電工原理
4.如下圖(圖 1)所示,AB 間的總電阻為多少歐姆(Ω)?(A) 3 (B) 6 (C) 9 (D) 12
13.如(圖 2)所示,若將可變電阻 R 調大,則 A、B 間之電位高低為: (A) VA<VB (B) VA=VB (C) VA>VB (D) VA比 VB 電位先高後低
15.如(圖 3)所示導體 表示電流流出紙面,則導體之運動方向為何?(A)向左 (B)向右 (C)向上 (D)向下
18.有一串並聯電路,其電流路徑如(圖 4)所示,其中 A1 及 A2為電流表,此時 A1及 A2 之指示 值各為下列何者?(A) A1=6A,A2=9A (B) A1=0A,A2=9A (C) A1=2A,A2=2A (D) A1=1A,A2=3A
19.如下圖(圖 5)所示電路,通過電阻 R3 的電流為多少安培?(A) 2 (B) 3 (C) 4 (D) 5
20.某交流負載電壓為 100V,電流為 10A,功率因數為 0.8,則其有效功率 P 及無效功率為 Q 分別為何?(A) 800W,600VAR (B) 800W,200VAR (C) 600W,800VAR (D) 600W,400VAR
21.如右圖(圖 6)所示電路中,若 IR及 IL安培計之指數均為 10 安培,則安培計 I 之指數為何?(A) 0A (B) 20A (圖 6) (C) 10A (D)
22.如右圖(圖 7)所示,電路中的線路電流 I 為何?(A) 20A (B) 10A (C) 14.14A (D) 8.5A
25.三相發電機 Y 型連接,下列敘述何者正確? (A)線電流= 相電流 (B)相電流=線電流 (C)相電壓=線電壓(D)線電壓=相電壓
28.如右圖(圖 8)為四色帶之色碼電阻器,其色碼如圖標示時,請問其所表示之電阻值為何?(A) 63±20%Ω (B) 0.63±10%Ω (C) 6.3±5%Ω (D) 630±5%Ω
38.如右圖(圖 9)所示,試求 6Ω電阻兩端的端電壓為多少?(A) 3V (B) 6V (C) 9V (D) 12V
39.如右圖(圖 10)所示之電路,6Ω電阻所消耗之功率為多少瓦特?(A) 4 瓦特 (B) 6 瓦特 (C) 12 瓦特 (D) 36 瓦特
46.如右圖(圖 11)所示,試求流經 A、B 兩點間的電流 i 為多少安培?(A) 3A (B) 4A (C) 5A (D) 6A
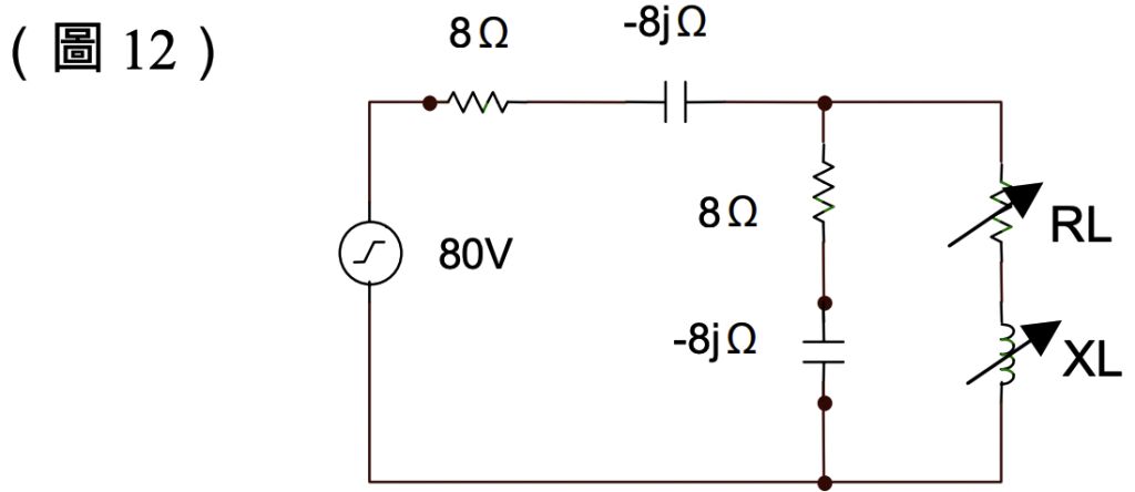
48.欲調整右圖(圖 12)電路圖中負載阻抗 RL與 XL值,使負載得到最大功率,此時負載所消耗之最大功率為多少瓦特(W)? (A) 60W (B) 80W (C) 100W (D) 120W