所屬科目:電工原理
1. 有一顆用絕緣體支撐的金屬圓球,經充電 10 庫倫的正電荷之後,移走充電設備,則此金屬圓球上的電荷分佈會如何? (A) 密集分佈在充電接點的位置附近 (B) 全部集中在金屬圓球的內部中央位置 (C) 全部集中在金屬圓球靠近地面的表面上 (D) 均勻分布在金屬圓球的表面上
2. 有一塊導電材料,其 3 個周邊的尺寸分別為 a =10 cm,b =10 cm,c =30 cm 如下圖所示,電阻係數為 ρ = 0.005 m-Ω,則電流流經該導電材料的方向如圖示箭頭方向時,其電阻為多少?(A) 0.15 Ω (B) 1.5 mΩ (C) 16.6 mΩ (D) 0.166 mΩ
3. 兩電阻 R1=10 Ω 與 R2=30 Ω 並聯,其並聯後的等效電阻為多少歐姆?(A) 0.133 Ω (B) 7.5 Ω (C) 20 Ω (D) 40 Ω
4. 有一個 10 H 的電感器通以 5 A 的直流電,時間 5 秒,其此電感器儲存的能量為多少?(A)0J(B)125 J (C) 250 J (D) 1250 J
5. 有 3 個彼此間都沒有互感關係的電感器,電感值分別為 L1=5 H、L2=20 H 與L3=30 H,L2 與 L3 先並聯後,再與 L1 串聯的總等效電感值為:(A) 4.54 H (B) 5.1 H (C) 17 H (D) 55 H
6. 某一 50Ω 的電阻器,其兩端的電壓為 v(t) =155cos(100πt) V,則該電阻器消耗 的電功率為多少瓦? (A) 3.1 W (B) 240 W (C) 480 W (D) 1.2 MW
7. 兩個電阻分別為 20 Ω 與 40 Ω 經並聯後,再連接到 24 V 直流蓄電池兩端,則蓄電池輸出的電流為________安培 (A) 0.4 (B) 3.0 (C) 1.8 (D) 1.2
8. 下圖中,以圖上所標示的電壓極性,則 v2為多少伏特?(A) 12 V (B) −12 V (C) 8 V (D) −8 V
9. 下圖中的兩個線圈,ab 端點間的自感為 6 H,cd 端點間的自感為 10 H,兩線圈間的互感為 4 H,將 ad 兩端點連接,則 bc 兩端點間的等效電感為多少? (A) 12 H (B) 20 H (C) 24 H (D) 8 H
10. 安培定律敘述,如果右手握住線圈,大拇指的方向為線圈電流流出的方向,則右手四隻手指頭所指示的是 (A) 磁場反方向 (B) 磁場方向 (C) 電場方向 (D) 電場反方向
11. 某 220 V/110 V 變壓器,一次側線圈接上 220 V 交流電,二次側接上 110 V, 40W 的電燈,則一次側的電流為多少?(A) 0.3636 A (B) 0.1818 A (C) 0.0909A (D) 1.454 A
12. 3 個相同的負載電阻,分別接成 Y 接線與 Δ 接線,連接到同一組 3 相 220 V 的交流電,則下面的選項中,何者正確? (A) Y 接線所消耗的電功率比較大 (B) Δ 接線所消耗的電功率比較大 (C) 兩種接法所消耗的電功率一樣大 (D) Δ 接線所消耗的電功率是 Y 接線時的√3倍
13. 一導體長 l = 2 m,以 v =15 m/sec 的速度在磁通密度 B = 2 mWb/m2 的磁場中向右運動如下圖所示,其感應電勢及電流方向為(A) 60 V,下方高電位 (B) 0.06 V,上方高電位 (C) 0.06 V,下方高電位 (D) 60 V,上方高電位
14. 將直流發電機的磁通密度減小為原來的 0.8 倍,而轉速提高至原本轉速的1.5 倍,則發電機的感應電動勢為原來電動式的幾倍?(A) 0.533 (B) 1.20 (C) 1.80 (D) 1.875
15. 有一個匝數比為 100:20 的變壓器,其二次側低壓線圈接上 4 Ω 的喇叭負載,該從一次側測量時,相當於多大的等效電阻? (A) 0.8 Ω (B) 20 Ω (C) 100 Ω (D) 0.16 Ω
16. 下圖所示為 110 V 線路的插座與插孔標示,其中插孔 C 的功能及目的為何? (A) 幫助插頭與插座的固定 (B) 電源的火線,通常是帶電的 (C) 用電設備外殼的金屬部位接地之用 (D) 僅是上下相對位置標示之用
17. 有一直流電動機,當其輸出功率為 8 kW 時,輸出轉矩為 10 kg-m,則其轉速應為多少 rpm ? (A) 127 (B) 779 (C) 4,809 (D) 7,640
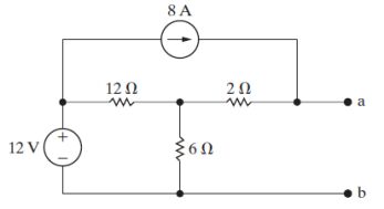
18. 圖示的並聯電路中,電流源為 30 A,R1=10 Ω,R2=20 Ω,則 i1 為多少安培? (A) 6 A (B) 10 A (C) 15 A (D) 20 A
19. 有一個額定規格為 90~260 V, 25 W 的 LED 燈泡,將該燈泡插接在 110 V 的燈座中,當電力公司的電壓由 110 V 變動至 120 V 時,該燈泡會有什麼變 化? (A) 會變得更亮 (B) 會變得暗一些 (C) 不受影響,亮度維持一樣 (D) 燈泡會閃爍
20. 有關理想電壓源與理想電流源的特性描述,下面的選項中,何者是正確的? (A) 理想電壓源的內電阻為無窮大 (B) 理想電流源的內電阻為無窮大 (C) 理想電壓源可以提供無限大的負載電壓 (D) 理想電流源可以提供無限大的負載電流
21. 單相交流電路 v(t) = 311 cos(ωt + 60°)供電給單相 220 V、5 hp 感應電動機、 滿載效率 0.85,功率因數 0.80,則電動機的滿載輸入電流為: (A) i(t) =21.2 cos(ωt − 23.2°) A (B) i(t) = 24.9 cos(ωt + 23.2°) A (C) i(t) = 24.9 cos(ωt + 30.0°) A (D) i(t) = 49.86 cos(ωt − 30.0°) A
22. 下圖中,開關在 t = 0 秒前是閉合很長一段時間,且電路達到穩定狀態,而在 t = 0 秒瞬間,開關啟斷,則流經 9 Ω 電阻器的電流為 (A) 0 A (B) 1.5 A (C) 1.677 A (D) 3.167 A
23. 兩個電燈泡其額定分別為燈泡甲 120 V、100 W;燈泡乙 120 V、60 W,將兩個燈泡連後接到 220 V 的交流電源,則會發生什麼情況?(A) 燈泡甲電壓較高(B) 燈泡乙電壓較高(C) 兩個燈泡的電壓一樣高,都是 110 V(D) 燈泡甲消耗電功率會超過額定瓦數
24. 有兩個電容器 C1=25 μF,C2= 75 μF,兩個電容器並聯後,接到有效值為100 V 的交流電,則哪一個電容器的電荷會比較多?(A) QC1>QC2 (B) QC1<QC2(C) QC1= QC2 (D) 難以判定,和運氣有關
25. 交流變壓器的鐵損與銅損的構成與特性,下面的敘述何者正確?(A) 鐵損與負載程度有關,負載率越高,鐵損會變大(B) 鐵損中不包含磁帶損失與渦流損(C) 銅損與負載程度有關,並與負載率成正比(D) 銅損與負載程度有關,並與負載率平方成正比
26. 三相四線式 Y 接、中性點有直接接地的電路中,三相負載平衡,則下列選項中,何者是錯誤的? (A) 線電壓 Vl =相電壓 Vp (B) 線電流 Il =相電流 Ip (C) 線電壓 Vl =相電壓 Vp (D) 中性點的電位為 0 V
27. 由 R1 = 10 Ω,R2 = 15 Ω,R3 = 6 Ω 所組成的 Y 接線如下圖,如果要轉換成等效的 Δ 接線如右圖,則 Rb = ? (A) 50 Ω (B) 30 Ω (C) 20 Ω (D) 1.94 Ω
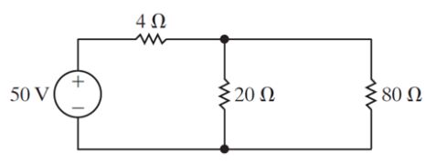
28. 下圖中由 50 V 電壓源所輸出的電流為多少安培?(A) 0.595 A (B) 2.08A (C) 0.480 A (D) 2.5 A
29. 下圖中 18 Ω 電阻器所消耗的電功率為多少?(A) 2 W (B) 0.5 W (C) 8 W (D) 12 W
30. 重疊定律計算電路的物理特性時,有什麼條件必須滿足才可以使用重疊定律來分析電路? (A) 沒有任何限制,重疊定律是萬能的 (B) 電路中的電源必須為線性特性,RLC 元件沒有限制 (C) 只有電阻必須是線性元件,其他都沒有限制 (D) 必須電路中的元件均為線性特性的元件
31. 下圖的線性電路中,4 Ω 電阻兩端的電壓 v 為多少伏特?(A) 2 V (B) 8 V (C) 10 V (D) 24 V
32. 在 RLC 交流電路中,有關電壓與電流的相位關係,下列選項何者為非?(A) 電感的電流落後電壓 90o(B) 電容的電壓超前電流 90o(C) 電阻的電壓與電流同相 (D) 電感的電壓超前電流 90o
33. 配電系統設計上,常常在改善功率因數的電容器串聯迴路上串接一個電感器,其主要目的在於: (A) 防止瞬間充放電大電流 (B) 防止電容器放電逆送回電力系統 (C) 防止異常過電壓 (D) 促銷庫存品,減少工廠呆料
34. RLC 串聯電路連接到 110 V、60 Hz 的交流電,用電壓表測量電壓,得到 vR=110,vL=350 V,vC = 350 V,電感與電容的端電壓均超過電源電壓,這個結果可能是: (A) 絕不可能,一定是測量過程中出錯 (B) 有可能,因為發生串聯諧振 (C) 有可能,因為發生電流諧波干擾 (D) 功率因數超前很多時,就會出現此狀況
35. 走在外頭空曠地帶遇到大雷雨,附近恰巧有電力公司的鐵塔與 161 kV 的輸 電線經過,下列的選項中,何者比較能保護人身安全? (A) 鐵塔附近 3 公尺內,因為鐵塔有接地 (B) 跑給雷擊追,我應該不會那麼倒楣 (C) 兩座鐵塔之間、輸電線的正下方,坐下來 (D) 向上帝、神明祈禱求助
36. 下圖所示的簡單一階 RL 電路,Vs = 25 V,R=10 Ω,L=2 H,開關在 t = 0 秒 時閉合,則 t ≥ 0 秒後的電流方程式選項中,何者是正確的?(A) i(t) = (1 − e −(R/L)t ) (B) i(t) = (1 − e −(R/L)t) (C) i(t) = ? (1 − e +−(R/L)t ) (D) i(t) = −(R/L)t
37. 依戴維寧等效電路的定義,由 ab 端所看進左邊的等效電壓 VTH 與等效電阻RTH分別為多少?(A) VTH = 48 V, RTH = 6 Ω (B) VTH = 4 V, RTH = 2 Ω(C) VTH = 52 V, RTH = 6 Ω (D) VTH = 52 V, RTH = 2 Ω
38. 電感與電容在暫態電路的分析中,有很重要的物理特性,下列選項中何者錯誤? (A) 流經電感的電流是不會瞬間改變的 (B) 電感兩端的電壓是會瞬間改變 (C) 流經電容的電流是連續的、不會瞬間改變 (D) 電容兩端的電壓是連續的、不會瞬間改變
39. 交流 3 相平衡負載連接成 Y 接線,則下列有關電壓與電流的關係選項,何者是正確的? (A) 線電壓=相電壓,相電壓超前線電壓 30° (B) 線電流=相電流,線電流超前相電流 30° (C) 線電壓=相電壓,線電壓超前相電壓 30° (D) 線電壓= 相電壓,線電壓與相電壓同相
40. 則電源端送出的線電流為多少? (A) 577.35∠−36.87°A (B) 577.35∠+36.87° A (C) 999.39∠53.13° A (D) 999.39∠36.87°A
41. 前題的三相線路,電源端每相的電壓為多少?(A) 258.33∠1.57°V (B) 300.48∠36.87°V(C) 258.39∠53.13°V (D) 357.51∠−1.57°A
42. 則 3 相總複數功率(complex power)的計算公式,下列選項何者正確? (A) S=(220∠46.87° )(15∠16.87° ) (B) S=(220∠46.87° )(15∠16.87° )* (C) S= (220∠46.87° )(15∠16.87° ) (D) S= (220∠46.87° )(15∠16.87°)*
43. 前題的三相總功率的特性為何? (A) S=(3300∠63.74° ),電容性負載 (B) S=(3300∠30° ),電容性負載 (C) S=(5715∠63.74° ),電感性負載 (D) S=(5715∠30°),電感性負載
44. ,則 t= 0 之前的電容器電壓 vC(0− )與開關啟斷之後瞬間的電壓 vC(0+ )分別為多少? (A) vC(0− ) = 8 V, vC(0+ ) = 8 V (B) vC(0− ) = 24 V, vC(0+ ) = 24 V (C) vC(0− ) = 8 V, vC(0+ ) = 0 V (D) vC(0− ) = 0 V, vC(0+ ) = 0 V
45. 前題的電路中,t= (0)之瞬間,電容器上儲存的能量為多少焦耳?(A) 48 (B) 10.66 (C) 5.33 (D) 0
46. 則最少要加裝電容器組的容量為多少? (A) 37.91 kVAR (B) 45.25 kVAR (C) 50.55 kVAR (D) 65.66 kVAR
47. 前題中,如果是在負載端並聯一套 Δ 接線 25 kVAR✖3 共 75 kVAR 的電容器組,則改善後負載的功率因數將會提升為多少?每組電容器的電容為多少法拉? (A) 95.22%,350 μF (B) 97.10%,395 μF (C) 99.22%,850 μF (D) 99.22%,460 μF
48. 圖所示為一般住宅配電單相 3 線式 110 V/220 V 的配電線路電源,供電給右邊的負載,如果 BN 連接 330 W 的純電阻、RN 連接 440 W 的純電阻,則中性線上所流通的電流為:(A) 3 A (B) 4 A (C) 7 A (D) 1 A
49. 導線電流容量 20 A,負載用電量 20 A,裝設 20 AT 的無熔線斷路器(NFB);為了防止電氣火災、電線走火意外,下列何者不是正確的電氣安全設計施工法? (A) 線路上加裝電力熔絲 (B) NFB 換為大容量的 40 AT 規格 (C) 拆為 2 個迴路,新設一個迴路 (D) 線路上連接的負載不要太多
50. 3 相 220 V、3 hp、效率 0.85、功率因數 0.90 的感應電動機帶動抽水泵,負 載率 75%,此時的電動機電源側的輸入電流為多少安培? (A) 4.75 A (B) 5.76 A (C) 7.68 A (D) 10.23 A