所屬科目:電工原理
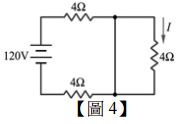
4.如【圖 4】所示電路,電流 I 為何?(A)30A(B) 15A (C) 10A (D) 0A
5.如【圖 5】所示,等效電阻 R1,R2,R3 分別為何? (A)R1=12Ω,R2=12Ω,R3=24Ω (B)R1=18Ω,R2=18Ω,R3=36Ω (C) R1=12Ω,R2=24Ω,R3=12Ω (D)R1=6Ω,R2=6Ω,R3=12Ω
10.三個 20μF 電容器接成三角形如【圖 10】,此三角形任意二頂點間之電容量為何? (A)13.33μF (B)30μF (C) 60μF (D)不同頂點之電容量不同
12.如【圖 12】所示電路,若電感器在開關 S 閉合前無任何儲能,則開關 S 最少要閉合多少時間,電 感器電流才能達到 1 安培? (A)1ms (B)1.5ms (C) 2ms (D) 2.5ms
18.如【圖 18】所示電路,下列何者正確? A.VC 穩態值為 6 伏特 B.WC 穩態值為 4.5 焦耳 C.I 穩態值為 3 安培 D.電容穩態後可視為開路 (A)ABCD (B)僅 D (C)僅 BD (D)僅 ACD
20.如【圖 20】之交流電路,電源供給之平均功率為多少瓦特? (A)600W (B)1200W (C) 2427.2W (D) 3003W
25.某導體在 3 秒內通過 6 ✖ 1020 個電子,則其電流值應為多少安培? (A)32A (B)20A (C) 18A (D) 10A
28.有一台 馬力的電動機,效率為 80%,則輸入功率約為多少 W?(1 馬力=746 瓦特) (A)900W (B)700W (C) 600W (D) 500W
33.如【圖 33】所示電路之電感及電容均無儲能,則在開關 S 閉合瞬間,電源電流 I 應為多少?(A)0A (B)2A (C) 2.667A (D) 4A
36.如【圖 36】所示,電路中 a,b 兩端的等效電阻為多少Ω? (A)30Ω (B)24Ω (C) 3Ω (D) 2Ω
37.如【圖 37】所示,為多少? (A)26H (B)24H (C) 16H (D) 14H
40.如【圖 40】所示電路,電阻 R1 : R2 =3:5,且 R1 消耗 6W 電功率,則 R2 等於多少 Ω ?(A)5Ω (B)10Ω (C) 15 Ω (D) 20Ω
41.如【圖 41】所示電路,戴維寧等效電阻及電壓為多少? (A)32Ω、15V (B)9Ω、15V (C) 9Ω、25V (D) 32Ω、25V
42.如【圖 42】所示電路,若 C1 上之電荷為 5000μC,C2 上之電荷為 3000μC,C1=30μF,C2=15μF, C4=20μF 則 C3 為多少? (A)5μF (B)10μF (C) 15μF (D) 20μF
43.如【圖 43】所示電感器,若其電感量為 0.6H,且磁路之總磁阻為 1.5✖10 5 安匝/韋伯,則此電感 器之線圈匝數為多少匝? (A)200 匝 (B)300 匝 (C) 400 匝 (D) 600 匝
44.如【圖 44】所示波形,電壓之平均值為多少?(A)15V (B)9V (C)V (D) V
45.如【圖 45】所示電路,則電流 I 為多少? (A)2∠82oA (B)2∠8 oA (C) 2∠82oA (D) 2∠8 oA
48.如【圖 48】所示電路中,流經 2Ω 電阻的電流 I 為多少? (A)-1A (B)1A (C) 7A (D) -7A
49.如【圖 49】所示電路,求電阻 RL可獲得最大功率為多少? (A)12W (B)24W (C) 36W (D) 90W
50.如【圖 50】所示電路,已知電感 L=0.04mH,電源電壓 e(t)=100sin(2500t)V,電流 i(t)=5sin(2500t)A, 若當 XL = XC 時,則電阻 R 及電容 C 分別為何? (A)R=5Ω,C=200μF (B)R=10Ω,C=2000μF (C) R=20Ω,C=400μF (D) R=20Ω,C=4000μF