所屬科目:電工原理
1. 如【圖1】所示,各電感之間無互感存在,則a、b兩端之總電感值為多少? (A)152mH(B)12mH (C)9mH (D)4.5mH
2. 如【圖2】所示,若開關 S 閉合時 t = 0 ,則 t > 0 的電流 i(t) 為何?
(A) (B) (C) (D)
4. 如【圖3】所示之電路,若 I2 = 0A ,則R與 I1 分別為何? (A) (B) (C) (D)
5. 如【圖4】所示電路,求電流I 為多少安培? (A) 1A (B) 2A (C) 1.5A (D) 3A
6. 如【圖5】所示,Rab 為多少歐姆? (A) 5Ω (B) 11Ω (C) 18Ω (D) 8Ω
7. 如【圖6】所示之串聯電路,若阻抗 =150 0 V 之電壓時,則 V1 為何?( ) (A) 100 ∠0 V ° (B) 100 ∠53.1 V ° (C) 50 ∠0 V ° (D)50 ∠53.1 V °
8. 如【圖7】所示,其中圖(b)為圖(a)之等效電路,則 Eth 及 Rth 分別為何? (A) Eth =120V, Rth =12Ω (B) Eth = 90V, Rth =12Ω (C) Eth = 20V, Rth = 2Ω (D) Eth =10V, Rth = 2Ω
9. 如【圖8】所示,開關 S 閉合時的充電時間常數及開關 S 開啟後的放電時間常數,分別 為多少秒? (A) 0.3及0.4 (B) 0.4及0.3 (C) 0.4及0.2 (D) 0.2及0.4
10. 如【圖9】所示,負載兩端的電壓 ,則此電路消耗之複數功率 為何? (A) 7 - j14VA (B) 6 + j42VA (C) 7 + j26VA (D) 42 - j6VA
11. 如【圖10】所示,求流經3 Ω電阻的電流 I 為多少安培? (A)2A (B)1A (C)4A (D)3A
13. 如【圖11】所示,求 Cab 兩端電容量為多少法拉? (A) 2μF (B) 4μF (C) 6μF (D) 8μF
14. 如【圖12】所示電路,在t = 0 +時,開關S閉合瞬間 ,此時電流I為多少安培? (A)5A(B)10A(C)15A (D) 20A
15. 如【圖13】所示, RL 可得之最大功率為何? (A) 4W (B) 8W (C) 12W (D) 16W
16. 如【圖14】所示,電路中= 3Ω處所消耗之功率為何?
(A) 8W(B) 12W(C) 24W(D) 36W
17. 如【圖15】所示之電路,若 VC =10V ,則 RL 約為多少? (A) 2Ω (B) 3Ω (C) 4Ω (D) 5Ω
19. 外接電流源 ° 5 0 的RLC並聯電路中,電阻 20 ,電感 L = 5mH ,電容 C =10μF 。 當發生諧振時,該電路平均消耗功率約為多少? (A) 80W (B) 100W (C) 160W (D) 500W
20. 如【圖16】所示為電壓v(t)之週期性波形,其平均值為何? (A) 0.5V (B) 1V (C) 1.5V (D) 2V
21. 如【圖17】所示,總阻抗為多少歐姆? (A) 8∠0°Ω (B) 10∠0°Ω (C) 8∠-37°Ω (D) 10∠-37°Ω
22. 如【圖18】所示之 1Φ2W 與 1Φ3W 供電系統,其中每一配電線路的等效電阻為 r ,單一負載皆為 1kW 。若 1Φ2W 系統供電之配電線路損失為 P2W ,1Φ3W 系統供電之配電線路損失為 P3W ,則下列敘述何者正確? (A) (B) (C) (D)
23. 三相平衡 Y 接 電 源 系 統 , n 為 中 性 點 , 若 線 電 壓 分 別 為、 ,下列有關相電壓之敘述,何者正確?
26. 有一交流電路,已知 = 10∠- 60°,求平均功率(P)為何? (A) 1000W (B) 866.7W (C) 750W (D) 500W
27. 如【圖19】所示, a 、b 兩端的電壓為 ( ) ab v t ,則下列敘述何者正確?
28. 如【圖20】所示,若電壓源 E = 96V, R1 = Ω6 , R2 = Ω3 , L = 5mH ,開關SW閉合時 為 t = 0 ,請問為何? (A) (B) (C) (D)
29. 如【圖21】所示之電路,試求節點電壓 Va 為何? (A) 6V (B) 3V (C) 2V (D) 1V
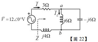
30. 如【圖22】所示之RLC串並聯交流電路,試問下列敘述何者正確?
(A)流經電感器的電流 (B) a 、b 兩端電壓 (C)電源電流(D)總阻抗
31. 如【圖23】所示,求 Rab 為多少歐姆? (A) 5Ω (B) 15Ω (C) 25Ω (D) 35Ω
32. 如【圖24】, 庫侖,則【圖24】中a點電位為多少伏特? (A) 50V (B)33V (C) 27V (D) 21V
33. 如【圖25】(a)圖所示導體A垂直於紙面通以電流(導體 表示電流流出紙面),則(b)圖中 導體A受力方向應往哪個方向移動? (A)上方 (B)下方 (C)左方 (D)右方
35. 有一正弦波電壓 v(t)= 100sin(377t -30° )V,試求當 t = 秒時之瞬間電壓值為何? (A)50V (B)- 50V (C)86.6V (D)- 86.6V
36. 如【圖26】所示之串並聯電路,其三個電容規格分別為30μF/150V、60μF/100V及 30μF/350V,則電路中E可加之最大電壓為何? (A) 225V (B) 200V (C) 175V (D)350V
37. 有一RLC 並聯交流電路,若 R = Ω 10 、 L =10mH 、總導納 ,電源電壓 ,則下列敘述何者正確? (A)流經電感器的電流 (B)電容C=200μF (C)此電路為電感性電路 (D)電源電流
39. 如【圖27】所示之電路,試求節點電壓 Va 為何? (A)13V (B)12V (C)9V (D)5V
40. 求【圖28】中a、b兩點之電壓為多少伏特? (A)7V (B)12V (C)42V (D)48V
41. 如【圖29】所示,若電壓源 E =15V,,C =10 Fμ ,開關SW打開時為 t = 0 ,則下列敘述何者錯誤? (A) t > 0 之電路時間常數τ=0.15ms (B) t = 0 電容器的電壓為零 (C)開關打開後電路達穩態時電容器C電壓大小為7.5V (D)電路達穩態後,有0.5A電流流過電容器C
42. 如【圖30】所示,求流經10 Ω電阻兩端的電壓為多少伏特? (A)10V (B)20V (C)30V (D)40V
44. 某三相,220V,60Hz感應電動機,消耗功率為15kW,功率因數為0.6滯後,若要改善 功率因數到1.0,則需要並聯多少kVAR的電容器? (A) 20kVAR (B) 10kVAR (C) 15kVAR (D) 5kVAR
46. 如【圖31】所示之三相平衡電路,若電源線對線電壓有效值為200√3 V,負載阻抗 ,則三相負載的總平均功率為何? (A) 9.6kW (B) 7.2kW (C) 6.4kW (D) 3.2kW
48. 兩電壓 ,下列有關該兩電 壓相位關係的敘述,何者正確? (A) 2 v 的相位角與 1 v 同相 (B) 2 v 的相位角超前 v1 為90° (C) v2的相位角落後 v1 為90° (D) 2 v 的相位角落後 v1 為60°