所屬科目:電子學
6. 在常溫下,鍺的本質濃度為,若摻雜的砷原子濃度為 , 試求其電洞濃度為?原子/ cm3 (A) (B) (C) (D)
10. 如【圖1】所示之電晶體放大器, VCC = 10.7V 、 β =100、VBE = 0.7V 、RB = 200k Ω、 RE = 2k Ω,請問下列何者錯誤? (A) I C =2.5mA (B) IB =25μA (C) VO =2.5V (D) VCB =5V
11. 如【圖2】所示為共基極式偏壓電路,請問下列何者正確? (A) I C=0.5mA (B) IE =0.7mA (C) VO =8.55V (D) VCE =5V
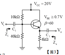
13. 如【圖3】所示之電晶體放大器,若 rπ=1KΩ, 試求此放大器之輸入阻抗Zi為? (A)10KΩ (B)40KΩ (C)245KΩ (D)7.75KΩ
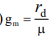
19. 在FET的三個交流小訊號參數中,gm、 rd 及μ三者之關係為 (A) (B) (C)(D)
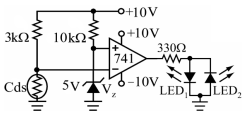
22. 如【圖4】所示之電壓比較顯示電路,當Cds的電 阻值為5KΩ時,則LED顯示情形為? (A)LED1亮 (B)LED2亮 (C)LED1與LED2都亮 (D)LED1與LED2都滅
25. 如【圖5】所示,已知 gm = 2mS ,RG =1MΩ,則此放大器的 RO 為 (A) 1MΩ (B) 2KΩ (C) 333Ω (D)500Ω
27. 如【圖6】中,若D屬於理想二極體,則下列何種作法對改善漣波因素(ripple factor)的 效果最差: (A)將輸入電壓變小 (B)將電容值加大 (C)改用全波整流 (D)將電阻值加大
29. 如【圖7】電路中,二極體D之作用為: (A)半波整流 (B)保護電晶體 (C)溫度補償 (D)防止雜音
30. 【圖8】中的= (A)-76 (B)-90 (C)-98 (D)-110
31. 如【圖9】為何種電路? (A)反相微分器 (B)反相積分器 (C)非反相微分器 (D)非反相積分器
32. OPA應用電路中,如【圖10】屬於下列何種電路? (A)微分器 (B)積分器 (C)指數放大器 (D)對數放大器
39. 就整流電路而言,半波整流、全波整流及橋式整流電路之比較,以下敘述何者錯誤? (Vm為輸入電壓的峰值) (A)此三者其輸出電壓的平均值(直流值)依序分別為 (B)此三者其二極體使用數依序分別為1,2,4個 (C)此三者其輸出時二極導通數依序分別為1,1,2個 (D)此三者其二極體逆向電壓峰值PIV依序分別為Vm,Vm,2Vm
41. 如【圖11】所示,電路如圖(a),輸入電壓 ,二極體均視為理想二 極體。若輸出電壓波形如圖(b)所示,則其故障原因最可能為何? (A)D2開路 (B)D1與D2短路 (C)D1開路 (D)R開路
45. 試求【圖12】中電路之 ? VO = (A) +4V (B) -5V (C) +10V (D) -13V
46. 如【圖13】若VCC =20V,R =1 KΩ,R1=1KΩ,R2= 2KΩ,RL= 10KΩ,VZ=5V,OPA為理想,則 VL為多少伏特?(A)5V (B)15V (C)20V (D)25V
47. 如【圖14】運算放大器為理想,若V i = 200 mV,求輸出電壓 V0 =? (A)10.2V (B)7.3V (C)4.9V (D)3.7V
49. 一濾波電路輸出電壓為 ,試計算此電路之漣波百分比為 (A)7.07% (B)20% (C)10% (D)14.14%
50. 有一濾波器其電壓增益為 ,試問此為何種濾波器? (A)低通 (B)高通 (C)帶通 (D)帶拒