所屬科目:教甄◆電機科
1.如圖(1)所示電路,I1:I2:I3=________________。
2.如圖(2)所示電路,在a、b兩端點接上一適當的電阻R,該電阻R可獲得之最大 功率= ______ W。
3.如圖(3)所示,在正方體每邊的電阻為 12Ω,當在 ag 之間,加一個 20V 電源 時,請計算電路總電流為__________ A。
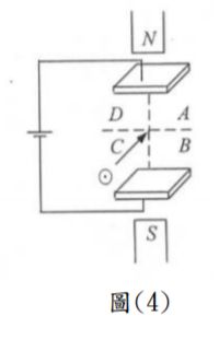
4.如圖(4)所示,電場作用力大於磁場,今有一帶正電粒子由垂直紙面射入(如 箭頭方向),則粒子應打在_______區。
8.有一正弦波電壓為60 ) 伏特,其中t是以秒為單位,求 第一個正峰值所需的時間t = ______________秒。
二、計算綜合題(共 52 分)1. 如圖(5)為三相感應電動機的定子構造(A,B,C為線頭,A’,B’,C’為線尾), 請證明三相感應電動機定子繞組接上三相電源後產生的旋轉磁場大小固定為 每相最大磁動勢的 1.5 倍,且轉向受相序控制。(10 分)
二、計算綜合題(共 52 分)2. (1)555 是一個 8 支腳定時器的專用積體電路,其中第二腳為觸發端,當此接 腳電壓低於 時,將 555 將出現哪些功能?(2 分)(2)請設計一個每觸發乙次 可在輸出端持續輸出高電位達 11 秒左右的 555 單穩態多諧振盪電路。(8 分)
二、計算綜合題(共 52 分)3. 在相同負載、距離,並得到相同功率輸出的條件下,請證明單相三線制線路 之用銅量僅需單相兩線制的 倍。(10 分)
6.如圖(7)所示,當 Vi(t)=1.5sin2000πtV,則 VO(p-p)為多少? (6 分)