所屬科目:教甄◆電機科
2.如圖1所示電路,已知R1=4kΩ、R2=3kΩ、R3=10kΩ、R4=4kΩ、R5=6kΩ, 若理想電壓表指示為9V,則電路的故障可能為? (A)R1短路 (B)R5斷路 (C)R3斷路、R4短路 (D)R2短路、R3斷路
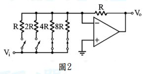
3.如圖2所示,已知OPA為理想運算放大器,若想要在不改變開關狀態之 下,使輸出電壓提高為原來的2倍,則只需將哪兩個電阻交換即可? (A)R,8R (B)2R,4R (C)R,4R (D)2R,8R
7.兩元件R、L並聯時,已知平均功率為200W,此時功因為0.707,若將同樣的元件改成串聯,且接上相同的電源,可得多少瓦特的功率? (A)400W (B)W (C)100W (D)50W
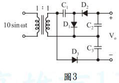
9.如圖 3 所示為倍壓電路,假設二極體皆為理想,試問 Vo之值為多少? (A)-40V (B)-30V (C)-20V (D)30V
10.如圖4所示電路,已知電晶體之β=100,=0.7V,則此電路中靜態 工作點之,其最接近之電流值為多少? (A)20μA (B)50μA (C)80μA (D)100μA
二、 填充題:1.如圖5所示,求ab兩點之間戴維寧等效電路之電壓為_____V。
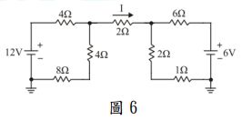
2.如圖6所示之電路,求I=______A。
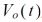
3.如圖7所示,求R=______Ω。
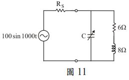
4.如圖8所示,求ab兩端的戴維寧等效電阻=________Ω。
5.有兩電阻分別為R1與R2,且R1 < R2,將兩電阻並聯後接至某電源,此時功率 為P1,將其兩電阻改成串聯後接至相同電源,此時功率為P2,若已知R1=100 Ω,且 ;則試求R2=________Ω。
7.如圖 9 所示為三級放大器,各級之電壓增益分別為 50、100、200,試問其 總分貝電壓增益為_______dB。
8.如圖 10 所示電路,若每個二極體順向壓降 = 1V,則電流 I =_______mA。
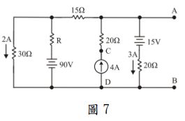
9.如圖 11 所示電路,欲使電路達到諧振,則 C 值應調整為______μF。
三、 問答與計算:1.請簡化布林等式 X(A,B,C,D) = Σ(2,5,7,11,13,15)。
2.試以四對一多工器完成Y=之電路。
3.請用 D 型正反器設計一組 2 位元上/下計數器,其中當時電路為上 數,且上數到 11 時 (終端計數)輸出 1,否則輸出 0;當時電路為 下數,且下數到 00 時 輸出 1,否則輸出 0。
4.如圖 13 所示之電路,S 已閉合一段時間,求 S 打開後 3 秒鐘,i 為多少?
5.如圖 14 所示之理想運算放大器電路,其中電容 C=0.5μF,假設初始的電容 電壓為零,電阻 R=200kΩ,若輸入電壓=1V ,當開關 SW 在 t=0 時關上, 則在經過 2 秒後,其輸出電壓應為多少?
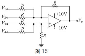
6.如圖 15 所示之理想運算放大器電路,R=1kΩ,若 V1=1V,V2=2V,V3=3V,V4=4V ,則 Vo為多少伏特?
7.如圖16所示,求通道JFET分壓式偏壓電路之工作模式及直流工作點
8.如圖 17 所示,求 P 通道 E-MOSFET 汲極回授式偏壓電路之工作模式及直流工作點
(1)三角波輸出振幅=?