所屬科目:統測◆06土木與建築群◆(一)工程力學、工程材料
4. 在 x - y 直角座標系之 x 軸及 y 軸分別作用一力大小為 F,方向皆在 x 軸及 y 軸之正方向, 其合力大小為: (A) (B) F (C) F (D) 2F
5. 在 x - y -z 直角座標系之 x 軸、 y 軸及 z 軸之正方向,分別作用一大小為 F 之力,且皆作用 在座標原點,其合力與z 軸之正方向夾角為: (A) (B) (C) (D)
6. 在x - y -z直角座標系有一正立方體(邊長為L)上施加一力大小為F,作用在A點指向B點, 如圖(一)所示;此作用力對z 軸之分力矩大小為: (A)FL (B) FL (C) FL (D) FL
7. 下列平面桁架中,何者不是簡單桁架(simple truss)? (A) (B) (C) (D)
8. 有一桁架受負荷P,如圖(二)所示,試求桿件CE之受力(拉為正、壓為負)為: (A) +P (B) –P (C) +2P (D) – 2P
11. 有一圓形面積,下方挖除一圓孔,如圖(三)所示,其陰影面積之面積慣性矩I x為: (A) (B) (C) (D)
13. 如圖(四)所示,兩塊鋼板由四根直徑為20mm 的螺栓接合,若其作用拉力P=2000π kgf, 則每支螺栓所受之平均剪應力大小為: (A) 500 kgf / cm2 (B) 1000 kgf / cm2 (C) 1500 kgf / cm2 (D) 2000 kgf / cm2
14. 下列有關靜不定問題之敘述,何者不正確? (A) 一般建築結構中的鋼筋混凝土柱,在求其軸向 變形時,屬靜不定問題 (B) 在合成桿軸向受力變形一致性之靜不定問題, 如圖①,彈性係數大的材料承受應力較大 (C) 在固定桿變形一致性之靜不定問題,如圖②, 離外負荷施力點距離較遠之端點反作用力較大 (D) 在變形量呈正比之靜不定問題,如圖 ③,C 桿件 之受力最大
16. 有一承受分佈負荷之簡支梁如圖(五)所示,在梁中點C處之剪力VC與彎矩MC的大小為: (A)VC =0、MC =0 圖(五) A C B q0 q0 L/4 L/4 L/4 L/4 RA RB (B)VC =0、MC = 8 1 qo L 2 (C)VC = 8 1 qo L、MC = 8 1 qo L 2 (D)VC = 8 1 qo L、MC =0 8
17. 有一承受負荷之懸臂梁如圖(六)所示,其最大彎矩之危險斷面發生在何位置? (A) A處(B) B處 (C) C處 (D) D處
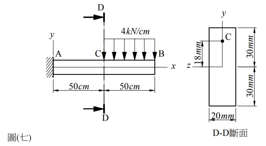
19. 有一懸臂梁AB(本身重量不計)如圖(七)所示,長為100 cm、斷面寬為20mm、斷面高為 60mm,在BC段承受4kN/ cm 的均佈負荷,試求梁D-D斷面C點處之剪應力 τC 為: (A) 0MPa (B) 160MPa (C) 250MPa(D) 320MPa
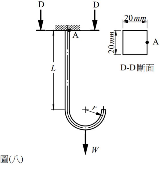
20. 有一掛勾(本身重量不計)如圖(八)所示,L=60cm、r=10cm,吊掛一物重W=1500kgf, 其斷面為20mm× 20mm,求固定端D-D斷面A點處之正向應力為: (A) 375 kgf / cm2 (拉應力) (B) 375 kgf / cm2 (壓應力) (C) 11625 kgf / cm2 (拉應力) (D) 11625 kgf / cm2 (壓應力)
38. 普通混凝土的單位重約為多少? (A) 1300 kgf /m 3 (B) 2300 kgf /m 3 (C) 3300 kgf /m 3 (D) 4300 kgf /m 3