所屬科目:統測◆06土木與建築群◆(一)工程力學、工程材料
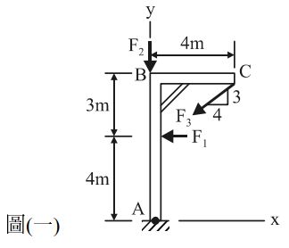
3. 如圖(一)所示的剛架受到三個共平面力的作用 F1 = 40 N 、 F2及 F3皆為 100 N,試問其三力的合力 R 大小為何?及其對A 點的力矩和為何? (A) (B) (C) (D)
4. 有一物體 W 由鋼索①及②所支撐,中間支承為定滑輪, 不計鋼索與定滑輪摩擦力,該系統為平衡狀態,若知動 力系統 A 所產生的鋼索①拉力 T1為N ,動力系統 B 所產生的鋼索②拉力 T2作用方向維持如圖(二)所示的方向,試問物體 W 之質量為多少 kg?(若重力加速度 g為10 m/s2) (A) 18 kg (B) 20 kg (C) 22 kg (D) 24 kg
5. 為進行河岸邊坡的承受力設計,今簡化假設其受力情形為圖(三) 所示,今將 F 分解為沿著斜面 AB 及垂直斜面 AB 兩力,試求其垂直斜面 AB 的力大小為何? (A) 95 N (B) 195 N (C) 268 N (D) 468 N
7. 如圖(四)所示,有一力 F = 100 N 作用於 A 點,當此力分別對 A、B、C 及 D 四點的力矩作用進行討論時,試問對何點產生的力矩最大? (A) A 點 (B) B 點 (C) C 點 (D) D 點
8. 如圖(五)所示,試求作用於樑 AB 外力系統其等效集中合力作用位置距 B 點為何? (A) 6.55 m (B) 6.15 m (C) 5.45 m (D) 5.15 m
9. 如圖(六)所示,有一 15 m 的均質 AB 桿,由鋼索 T 懸吊置於一無摩擦力 的框架中,已知該桿質量為 90 kg,若其重力加速度 g 為10 m/s2 ,且該系統呈現平衡狀態,試問框架兩側 A 與 B 點的反力為何? (A) (B) (C) (D)
10. 如圖(七)所示的鉸接結構,試問其支承 A 及 E 點的反力大小為何? (A) (B) (C) (D)
11. 如圖(八)所示,一桿件長 3 m 的 AB 均質桿,其桿重 W,於保持平衡狀態下,若 B 點為光滑無摩擦力,且該系統為力系平衡的狀態下,試問 AC 繩索長度應為何? (A)m (B)m (C)m (D)m
12. 如圖(九)所示,有 A、B 兩相同直徑的均質圓球,重量分別為 70 N 及 20 N, 二者繫於鋼索的兩端並繞吊在一光滑定滑輪上保持平衡狀態,試求圓球 A 作用於圓球 B 的作用力大小為何? (A) 55 N (B) 50 N (C) 45 N (D) 40 N
13. 一力 F 為 140 N,由 x-y-z 座標系中的座標點(1 , 2 , 3)指向座標點(3 , 5 , 9),則此力在此系統中對原點 O 之力矩大小為多少 N-m? (A) (B) (C) (D)
14. 如圖(十)所示,有三個平行力= 300 N 、= 200 N 、 = 300 N 作用於圓盤的邊緣 A、B、C 點,試以等效力系的觀念決定相當於力系的單一合力,其在圓盤上的作用點座標(x , y)為何? (A) (B) (C) (D)
16. 如圖(十一)所示之平面桁架結構中,零桿件有多少根? (A) 5 根 (B) 6 根 (C) 7 根 (D) 8 根
17. 如圖(十二)的平面桁架結構上,桿件 JF 的內力大小為何? (A) (B)150N (C) (D)100N
18. 如圖(十三)所示,有一重量為 W 的物體置於與水平成 α 角的斜面上,若 該物體與斜面間的摩擦角為 θ,沿著斜面施作一 P 力,試問不使物體向下 滑動的 P 力為何? (A) W(sin α - cos α tan θ) (B) W(cos α - sin α tan θ) (C) W(sin α + cos α tan θ) (D) W(cos α + sin α tan θ)
19. 如圖(十四)所示的 A、B 兩物體疊在一起,已知物體 A 重為 100 N、 物體 B 重為 300 N,且所有接觸面上的摩擦係數為 0.2,試問欲使物體 B 往右移動的瞬間,其 F 力為何? (A) 105.69 N (B) 106.27 N (C) 107.53 N (D) 108.70 N
20. 如圖(十五)所示,一長 8 m 重 200 N 的均質梯,於下方承受 一水平推力 F,若所有接觸表面的摩擦係數均為 0.1,試求 欲使梯子向右移動瞬間所需最小 F 力約為多少? (A) 88.79 N (B) 90.59 N (C) 93.77 N (D) 97.57 N
21. 有關工程材料各種力學性質與其單位之敘述,下列何者錯誤? (A) 木材為天然、有機材料,亦屬於非結構材料 (B) 合金鋼屬於鐵金屬材料 (C) 彈性模數,單位為 kgf /cm2 (D) 非鐵金屬之降伏強度較不明顯,一般採用 0.2%永久應變之橫距法,以決定其降伏點
26. 強度為水泥重要性質之一,可用以比較水泥之品質。水泥強度試驗 使用水泥砂漿,有關水泥抗彎強度試驗之敘述,下列何者錯誤? (A) 水泥與標準砂之配比為 1:2,水灰比為 0.65 (B) 試驗前,必須使試體呈現面乾內飽和狀態 (C) 抗彎強度試體規格為 4 cm ✖ 4 cm ✖ 16 cm 之長方體 (D) 依圖(十六)所示抗彎強度試驗,若最大荷重 P = 100 kgf ,則可 得其抗彎強度為 34.2 kgf /cm2
29. 高性能混凝土是一種具有「高品質性能及高流動化之混凝土」,其高流動性能,特別適用於超高層大樓 結構施工。有關高性能混凝土之敘述,下列何者錯誤? (A) 高性能混凝土的配比主要有兩項添加物為強塑劑和卜作嵐材料 (B) 使用卜作嵐材料,可減少環境汙染又達資源再生利用的目的 (C) 長期強度劣於傳統混凝土,會增加混凝土及水泥之用量 (D) 水泥用量約比傳統混凝土少,可發揮節能減碳效果
35. 有一細粒料篩分析試驗之結果如表(一)所示,其細度模數(F.M)為多少? (A) 2.55 (B) 3.65 (C) 2.05 (D) 2.95