所屬科目:電工學(電工原理)
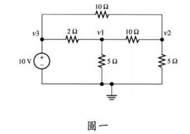
一、請分別求解圖一電路中節點 1、2、3 的電壓值。(20 分)
二、請分別求解圖二電路中,於 t >> 0(即 t 遠大於零)時的變數 i1、i2 和 i3 值。(20 分)