所屬科目:技檢◆油壓-乙級
7. 左圖為(A)二極體(B)可變電容器(C)乾電池(D)電容器。
18. 左圖符號為(A)電晶體(B)IC(C)二極體(D)電容器。
21. 如下圖,你知道這是什麼標章嗎?(A)省水標章(B)能源效率標示(C)環保標章(D)奈米標章。
23. 如下圖為利用蓄壓器之主要功能是作(A)快速運動(B)安全(C)保壓(D)吸收脈動 迴路。
28. 如下圖之情況,P1=450psi 時,則 P2 的壓力值為(A)25(B)100(C)0(D)50 psi。
37. 油壓系統中下列何者元件類似電子電路二極體元件?(A) (B) (C) (D) 。
49. 下圖所示之意義為(A)油壓煞車閥(B)油壓一般性分流閥(C)油壓流量放大閥(D)油壓流量優先閥。
51. 如下圖之情況,當溢流閥設定 1000PSI,此時在 F 壓下之力量為(A)20000(B)4000(C)14000(D)24000 磅。
55. 左圖在電氣符號上表示(A)電阻(B)繼電器(C)電磁線圈(D)彈簧。
62. 如下圖所示,管路阻力忽略不計,在額定流量 20 1/min 時,止回閥 A、B 開啟壓力分別為 3.5、5k gf/cm2,阻尼管 C 壓降為 1.5kgf/cm2,若流量為 10 1/min 時,下列敘述何者為真?(A)錶 1 壓力 8.5~10 之間(B)錶 4 壓力等於 1.5(C)錶 3 壓力大於 1.5(D)錶 2 壓力小於 6.5 kgf/cm2。
63. 如下圖所示,下列敘述何者為真?(A)前進壓油驅動,後退靠外力或自重回行(B)雙動型衝柱式液壓缸(C)前進、後退皆由壓油驅動(D)單動型衝柱式液壓缸。
64. 使用噪音計測量噪音時,應注意音源的(A)頻率(B)音量(C)距離(D)方向。
67. 如下圖為自動鑽床的油壓迴路圖,在迴路圖中共有 4 個止回閥(A、B、C、D 四處),試問 A 閥的 順向開啟壓力(crackingpressure)及其功能為何?(A)3.5~5kgf/cm2(B)防止回油管線倒吸(C)0.3~0.5kgf/cm2(D)作為回油過濾器之安全閥之用。
69. 如下圖所示,下列敘述何者有誤?(A)單緩衝型液壓缸(B)單動單桿型液壓缸(C)雙動單桿型液壓缸(D)雙緩衝型液壓缸。
70. 如下圖所示,下列敘述何者為真?(A)內部排泄(B)外部引導(C)以電磁閥當引導閥及引導操作換向閥 當主閥組裝而成(D)主閥中立位置流路模式為四口(A、B、P、T)皆閉合。
74. 如下圖所示,下列敘述何者為真?(A) 係表示閥之通路關閉(B)各正方形內之箭頭,係表示一個換 向位置之流量方向(C)該閥為四口三位中位全閉換向閥(D)連續正方形之數量,係表示閥之換向位置 之數量。
77. 如下圖所示為鎖固回路,當油壓缸之活塞桿下降時,易產生顫震現象,下列何者可以改善此現象? (A)在活塞桿側與引導止回閥加裝節流閥(B)在電磁閥與引導止回閥加裝節流閥(C)在排油口加裝節流 閥(D)在電磁閥與活塞側加裝節流閥。
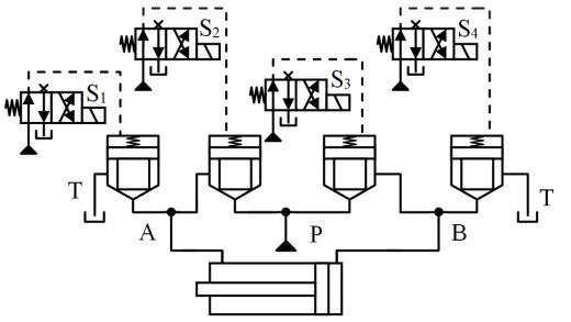
78. 如下圖所示,迴路如要控制油壓缸(差動缸)活塞桿以差動迴路方式前進,則需控制哪兩個電磁閥激磁?(A)S1(B)S2(C)S4(D)S3。