所屬科目:技檢◆油壓-乙級
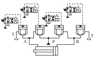
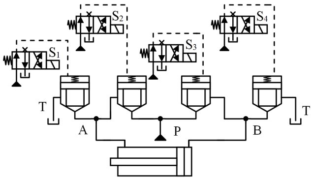
(A)中位全閉 (B)中位全開 (C)中位 PT 通 (D)中位 ABT 通
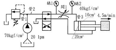
(A)9 (B)12 (C)14 (D)20
(A)9 (B)11 (C)14 (D)20
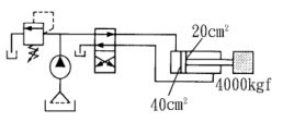
(A)100 (B)120 (C)200 (D)204
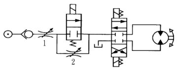
(A)上升速度控制 (B)下降速度控制 (C)上升同步速度控制 (D)下降速度同步控制 。
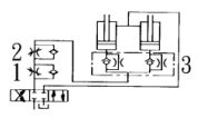
(A)閥 1 比閥 2 開口小 (B)閥 1 與閥 2 開口相同 (C)可任意設定 (D)閥 1 比閥 2開口大 。
(A)20 (B)10 (C)5 (D)0
(A)20 (B)25 (C)30 (D)40
(A)200(B)150 (C)128 (D)160
(A) (B) (C) (D) 。
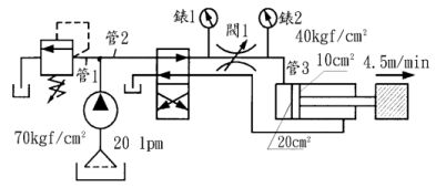
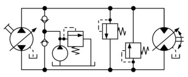
(A)P2壓力變大 (B)P2壓力變小 (C)壓力差 P 縮小 (D)通過節流閥之流量 Q 變大 。
(A)P2壓力變大 (B)壓力差ΔP 變大 (C)壓力差ΔP 變小 (D)通過壓力補償式流量控制閥之流量 Q 不變 。
(A)(B)(C)(D)。
(A) (B)(C)(D)。
(A)(B)(C)(D) 。
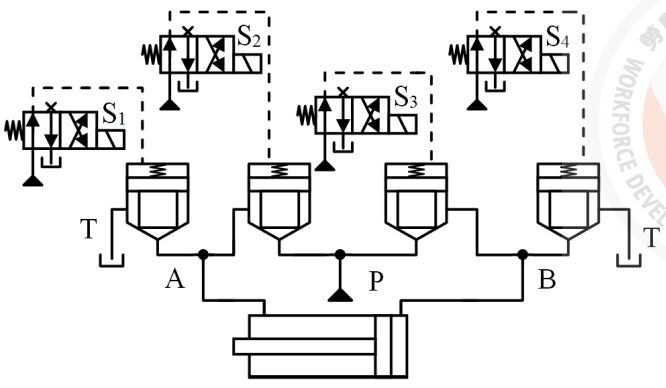
(A)S1(B)S2(C)S3(D)S4。