所屬科目:技檢◆油壓-乙級
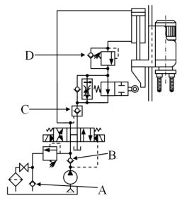
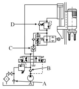
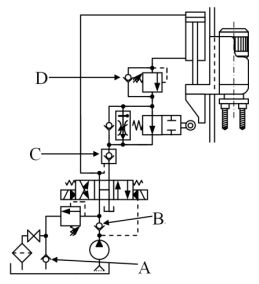
(A)順序閥 (B)可限制夾料缸最大夾持力量 (C)附止回閥之減壓閥 (D)可保持夾料缸最小夾持力量 。
(A)引導動作型溢流閥 (B)順序閥 (C)可限制系統最大壓力 (D)可限制夾料缸最大夾持力量 。
(A)無止回閥之順序閥 (B)可限制夾料缸最大夾持力量 (C)附止回閥之順序閥 (D)可保持夾料缸最小夾持力量 。
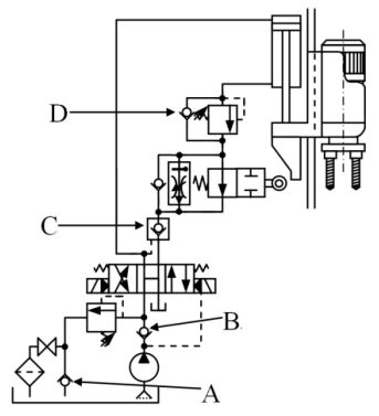
(A)一般型順序閥 (B)抗衡閥 (C)可限制鑽孔最大出力 (D)平衡鑽孔模組自身重量 。
(A)機械式二段速度控制閥 (B)使鑽孔缸可先快速至定點變慢速前進(C)進油式之速度控制 (D)使鑽孔缸全程皆慢速前進 。
(A)中位串列型 PT 通 4/3 電磁閥 (B)中位時可使夾料缸被鎖固住 (C)中位時可使壓油排油卸載 (D)中位 ABT 通 4/3 電磁閥 。
(A)中位串列型 PT 通 4/3 電磁閥 (B)中位 ABT 通 4/3 電磁閥 (C)中位時可使鑽孔缸被鎖固住 (D)中位時抗衡閥無背壓,可使鑽孔缸自重被平衡 。
(A)0.3~0.5kgf/cm2 (B)3.5~5kgf/cm2 (C)作為回油過濾器之安全閥之用 (D)防止回油管線倒吸 。
(A)0.3~0.5kgf/cm2 (B)3.5~5kgf/cm2 (C)作為鑽孔機構鎖固之用 (D)賦於電磁閥基本作動壓力 。
(A)0.3~0.5kgf/cm2 (B)3.5~5kgf/cm2 (C)作為鑽孔機構鎖固之用 (D)可使抗衡閥在油壓管線上有反向油流能正常通過 。
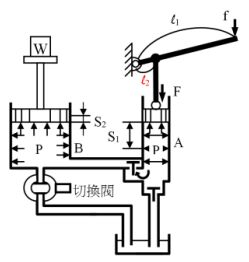
(A)F=250kgf (B)W=2000kgf (C)S2=5mm (D)P=2kgf/cm2 。
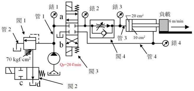
(A)管 1 流量為 20 l/min (B)管 2 流量為 20 l/min (C)管3 流量為 0 l/min (D)管 4 流量為 0 l/min 。
(A)管 1 流量為 20 l/min (B)管 2 流量為 20 l/min (C)管 3 流量為 12 l/min (D)管 4 流量為 6 l/min 。
(A)錶 1 壓力為 70 (B)錶 2 壓力為 40(C)錶 3 壓力為 30 (D)錶 4 壓力為 20 。
(A)管 1 流量為 20 l/min (B)管 2 流量為 20 l/min (C)管 3 流量為 20 l/min (D)管 4 流量為 20 l/min 。
(A)錶 1 壓力為 70 (B)錶 2 壓力為 0(C)錶 3 壓力為 30 (D)錶 4 壓力為 60 。
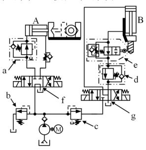
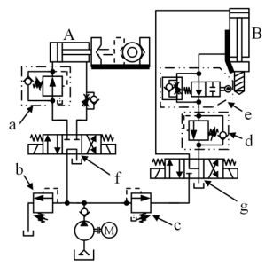
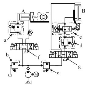
(A)閥 1 引導型溢流閥 (B)閥 2 為直接排放型 2/2 卸載閥 (C)閥 3 為引導型 4/3 方向控制閥 (D)閥 4 為壓力補償型流量控制閥 。
(A)閥 1 為控制系統最高壓力 (B)閥 2 為可遙控控制閥 1 (C)閥 3 為控制油壓缸前進/後退 (D)閥 4 為控制供給油壓缸壓力 之閥件。
(A)錶 1 壓力為 10 (B)錶 2 壓力為 6.5 (C)錶 3 壓力為 1.5(D)錶 4 壓力為 1.5
(A)錶 1 壓力 8.5~10 之間 (B)錶 2壓力小於 6.5 (C)錶 3 壓力大於 1.5 (D)錶 4 壓力等於 1.5
(A)作為溢流邏輯閥 (B)作為方向控制邏輯閥 (C)作為流量控制邏輯閥 (D)作為壓力控制邏輯閥 。
(A)直動型溢流閥 (B)節流閥 (C)作為控制壓力高低用(D)使邏輯閥的開啟及關閉較和緩 。
(A)直動型溢流閥 (B)壓力邏輯閥 (C)作為控制壓力高低用 (D)當壓力達設定壓時開啟,若低於設定壓則關閉 。
(A)作為順序邏輯閥 (B)作為方向控制邏輯閥 (C)作為流量控制邏輯閥 (D)作為壓力控制邏輯閥 。
(A)作為電磁控制溢流邏輯閥 (B)作為方向控制邏輯閥 (C)作為流量控制邏輯閥 (D)作為壓力控制邏輯閥 。
(A)作為電磁控制順序邏輯閥 (B)作為方向控制邏輯閥 (C)作為流量控制邏輯閥 (D)作為壓力控制邏輯閥 。
(A)不激磁時,閥件為卸載閥 (B)激磁時,閥件為溢流閥 (C)不激磁時,閥件為溢流閥 (D)激磁時,閥件為卸載閥 。
(A)壓力控制邏輯閥 (B)溢流邏輯閥 (C)方向流量控制邏輯閥 (D)除方向控制外兼具有調整流量用途 。
(A)節流閥 (B)行程調節器 (C)緩和錐形閥開及關的速度 (D)控制錐形閥的開口大小 。
(A)節流口 (B)行程調節器 (C)緩和錐形閥開及關的速度 (D)控制錐形閥的開口大小 。
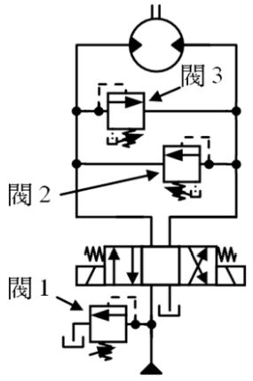
(A)煞車閥(閥 2、閥 3)之設定壓力較溢流閥為大 (B)兩煞車閥(閥 2、閥 3)之設定壓力不一定相同 (C)當馬達要停止時,系統壓力很低 (D)兩煞車閥需外部排泄 。
(A)(B)(C)(D) 。